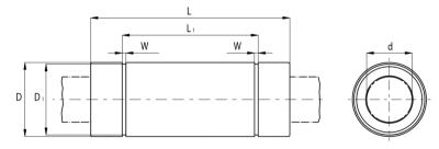
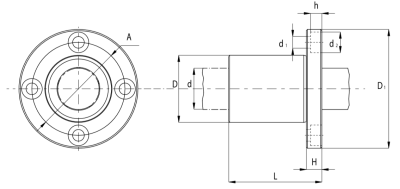
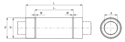
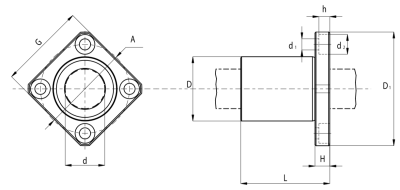
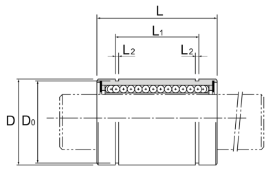
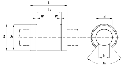
Линейный подшипник без корпуса – это элемент перемещения без внешней обоймы, который устанавливается напрямую на вал или направляющую. Он компактный, не требует отдельного крепления и позволяет заменять только изношенные элементы без замены всего узла.
Применение подшипников без корпуса
- Станкостроение и оборудование с ЧПУ: для точного линейного или вращательного движения деталей.
- Конвейерные линии, автоматические системы: обеспечивает плавное и стабильное перемещение узлов.
- Робототехника, приборостроение: используется там, где важна компактность и высокая точность.
- Ремонт, обслуживание оборудования: позволяет заменять только изношенный элемент без замены всего узла.
Преимущества подшипников без корпуса
- Компактность: не имеет внешнего корпуса, легко монтируется в ограниченном пространстве.
- Долговечность и надежность: устойчив к нагрузкам и износу.
- Высокая точность работы: обеспечивает стабильное движение по направляющей.
- Простота замены: позволяет заменить только изношенный элемент, экономя время и ресурсы производства.
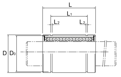
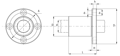
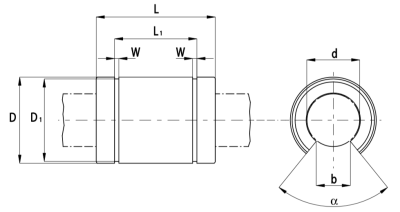
Конструкция включает следующие элементы:
- полимерный сепаратор;
- внешнее металлическое кольцо;
- шариковые и торцевые уплотнительные кольца.
В промышленной эксплуатации подшипники без корпуса чаще всего выбирают ради гибкости конструкции. Возможность адаптировать узел под конкретный вал, сократить габариты и упростить обслуживание особенно ценится в станках, автоматических линиях и нестандартных проектах.
Как выбрать
Следуйте пошаговому алгоритму:
- Определите диаметр и качество поверхности вала или направляющей.
- Уточните рабочие нагрузки и частоту перемещений.
- Выберите тип сепаратора и материал с учетом условий эксплуатации.
- Оцените требования к точности и плавности хода.
- Проверьте возможность обслуживания и замены без разборки всего узла.
Подшипники без корпуса требуют точной геометрии вала и корректного монтажа. При нарушении соосности или недостаточном качестве поверхности направляющей ресурс элемента снижается быстрее, чем у корпусных решений.
Где купить линейные подшипники без корпуса в Москве
TECHNIX предлагает прочные и точные подшипники, созданные с использованием качественных материалов и современных технологий. У нас:
- доступные цены, акции;
- широкий ассортимент: зубчатые рейки, элементы соединения, валы без опоры и другие комплектующие;
- доставка по Москве и области;
- возможность изготовления деталей по индивидуальному чертежу.
Для консультаций и оформления заказа используйте контактный номер или e‐mail.
