Комплектующие для машиностроения и станкостроения
Каталог Technix JSC объединяет широкий ассортимент промышленных комплектующих — от подшипников и валов до ременных и цепных передач — что позволяет нашим клиентам находить всё необходимое для надёжной работы оборудования в одном месте.
Technix предлагает современные решения для приводов, линейного движения и соединений в машиностроении и станкостроении. В каталоге представлены:
- Подшипники: линейные, шариковые и корпусные варианты, включая высокотемпературные и нержавеющие исполнения.
- Валы и винты: трапецеидальные винты и винты ШВП с гайками и опорами для высокоточной передачи движения, и прецизионные валы.
- Муфты и соединения: виброгасящие, жесткие и сильфонные муфты для гашения вибраций и компенсации смещений в приводах.
- Системы линейного перемещения: направляющие рельсы с каретками и гофрозащитой для защиты от загрязнений и увеличения ресурса.
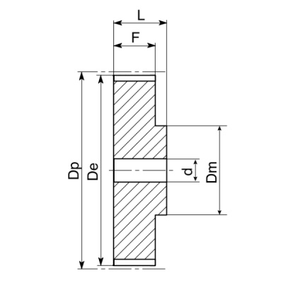
- Ременные и цепные передачи: ременные передачи с шкивами и зубчатыми ремнями для тихой и экономичной работы, а также цепные передачи со звездочками и зубчатыми цепями для высоких нагрузок.
Все изделия Technix проходят строгий контроль качества и соответствуют международным стандартам. Мы обеспечиваем техническую поддержку, помощь в подборе оптимальных решений и быстрое выполнение заказов.
Закажите комплектующие для машиностроения и станкостроения в Technix — получите профессиональную консультацию, индивидуальные расчёты и доставку по всей России.

