Сфера робототехники не обходится без применения качественных промышленных комплектующих. При конструировании роботизированных установок применяют разные виды позиционеров, захватов, систем линейного перемещения и иных изделий. С их помощью обеспечивается функционирование отдельных узлов, комплексная работа оборудования. Качественные изделия требуются не только производственным центрам, занимающимся выпуском техники, но и предприятиям, которые используют оборудование такого типа.
Сфера применения
Применение линейных подшипников, винтов и гаек ШВП, кареток линейного перемещения и соединительных муфт, рассчитанных на комплектацию робототехники, охватывает все сферы, где применяют такой вид оборудования. Отраслевое применение расширяется, основными потребителями считают:
- центры производства электроники;
- пищевую промышленность;
- сельскохозяйственную отрасль;
- типографии;
- медицинскую сферу;
- машиностроение.
Технику с роботизированным принципом работы используют для выполнения циклических процессов. Она повышает производительность, минимизирует вероятность ошибок и погрешностей на производстве, улучшает качество рабочего процесса и продукции. Исправное функционирование робототехники возможно только при условии правильной комплектации.
Когда необходимы промышленные комплектующие?
Ряд промышленных изделий находит применение не только в непосредственном производстве робототехники, но и при обслуживании манипуляторов, техники по обработке деталей. У любого вида оборудования есть узлы и элементы, подверженные наибольшему износу. Со временем они могут истираться, деформироваться, терять первоначальные функциональные качества.
Своевременная замена таких деталей позволяет продлить срок службы оборудования, избежать аварийных ситуаций на производстве. Замена комплектующих проводится в рамках планового техобслуживания, при ремонте отдельных узлов, во время аварийных ремонтных работ. Значимым остается правильный выбор комплектующих, они должны соответствовать функциональным требованиям, установленным техническим стандартам.
Виды комплектующих TECHNIX
Ряд изделий, находящих применение в создании и обслуживании роботизированной техники, представлен в каталоге TECHNIX. Подробная маркировка деталей с указанием технических параметров позволяет подобрать необходимые элементы для оборудования разных типов. К заказу доступны:
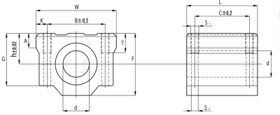
- линейные подшипники в сборке с корпусом, внутренний диаметр 10 – 50 мм, длина 35 – 140 мм;
- зубчатые шестерни со ступицей и без, модуль М1 – М8, количеством зубьев от 10 до 127;
- соединительные муфты с наружным диаметром 14 – 80 мм;
- винты ШВП класса точности С7, шаг резьбы 4 – 10 мм, диаметр 12 – 63 мм;
- гайки ШВП с шагом резьбы 4 – 10 мм, диаметром 12 – 63 мм;
- каретки линейного перемещения высотой до 60 мм, длиной до 157,2 мм.
Компания АО «ТЕХНИКС» предлагает к покупке все вышеозначенные виды промышленных комплектующих. Изделия производят на высокоточном оборудовании, они проходят дополнительную проверку на соответствие характеристикам и требованиям ГОСТ. Карточка товара сопровождается подробным описанием функциональных особенностей изделия, что позволяет быстро подобрать нужные варианты деталей.
Стоимость элементов определяется материалом изготовления, типом комплектующих, зависит от объема закупки. Можно заказать комплектующие для строительной, промышленной, печатной, сельскохозяйственной техники. Оформить заявку на приобретение необходимых изделий можно на сайте или по телефону.

