Звездочки с зубьями купить в Санкт-Петербурге – это наиболее доступный, надежный и универсальный способ организовать цепную передачу. Большинство промышленных машин общего назначения используют именно эту технологию. В каталоге вы найдете насыщенный модельный ряд рассматриваемого изделия, а заказать нужную деталь можно буквально за пару минут, сделав несколько нажатий на сайте.
Особенности конструкции и зубья звездочки
В первую очередь обратим внимание на специфику изделия. Так как в качестве сцепляющего элемента здесь используются расточки в виде звездочки, выделим основные особенности данной части детали:
- передача крутящего момента большой мощности;
- непрерывное среднее передаточное отношение;
- устойчивость к механическим воздействиям, температурам и агрессивной среде;
- стабильные показатели КПД.
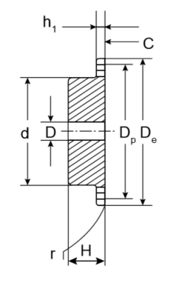
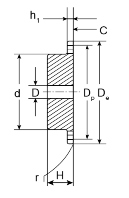
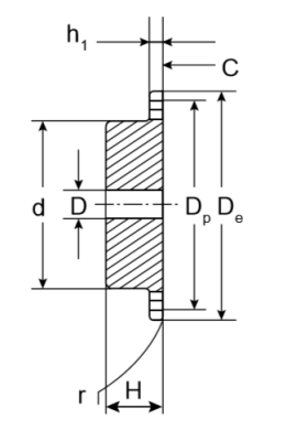
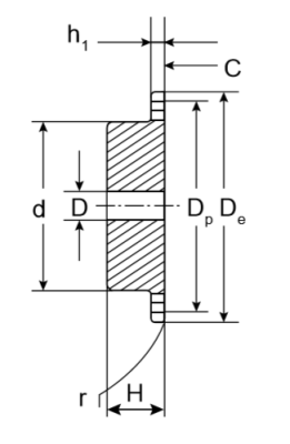
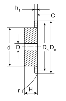
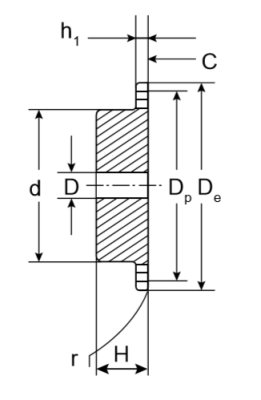
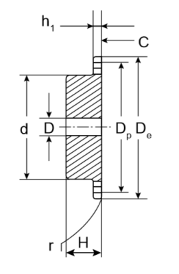
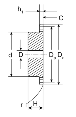
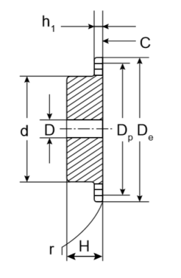
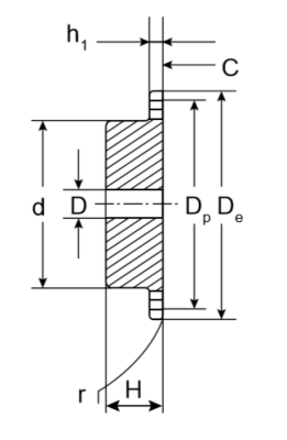
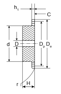
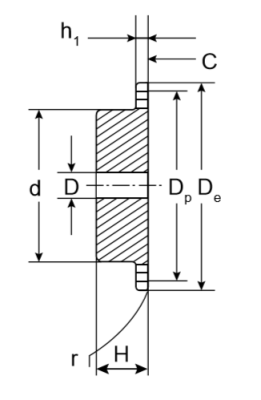
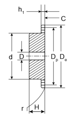
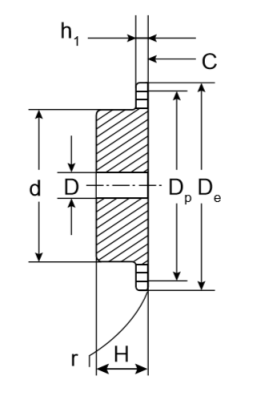
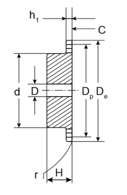
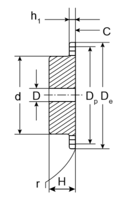
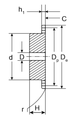
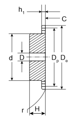
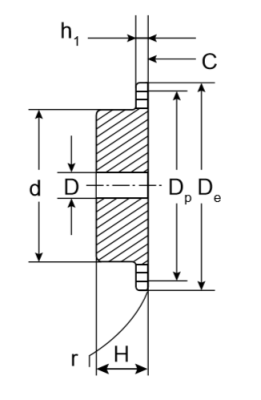
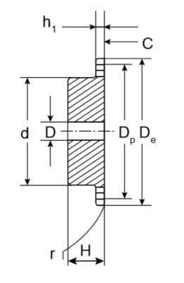
Что касается самой конструкции, то фактически она представляет профилированное колесо, по краям которого расположены зубцы. В зависимости от диаметра и предназначения изделия меняется и минимальное количество зубьев звездочки – от 8 до 114 штук.
Отметим также, что зубья могут располагаться в несколько рядов, что в первую очередь стоит учитывать при выборе подходящей конструкции. Среди других важных критериев обратите внимание не следующие факторы:
- количество зубцов;
- размер посадочного места;
- шаг и разновидность цепи.
Так как производство изделий осуществляется в соответствии с требованиями и сертификатами, каждый элемент отливается в формате единой детали. Таким образом получается избежать необходимости применять сварочные швы и прочие типы соединений. Это приводит к повышению износоустойчивости детали и увеличению срока ее службы.
На сайте вы также можете разъемные корпуса купить – это деталь, внутри которой размещается подшипник. Она предназначена для его защиты, уравнения движений узла. А чтобы обезопасить и продлить срок функционирования линейных направляющих, обратите внимание на наше производство уплотнений в Санкт-Петербурге. Элементы выполняют функцию по защите блока от попадания в него металлической стружки и другого мелкого мусора.
Звездочка под расточку со ступицей с калеными зубьями в СПб: где купить
В каталоге компании Technix предложены исключительно качественные изделия из металла. Путем внедрения современных технологий и использования проверенного сырья мы стали одними из лидеров по выпуску надежных подшипников, систем линейного перемещения, валов, втулок и так далее.
Заказывая продукцию у нас, вы получаете доступные цены, акции и индивидуальные предложения, гарантию на товары и множество других преимуществ. А узнать нужное количество зубьев на звездочках можно, позвонив по контактному номеру, который указан на сайте.

