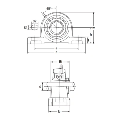
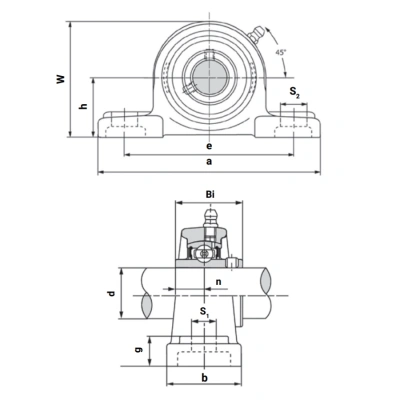
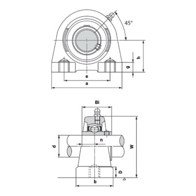
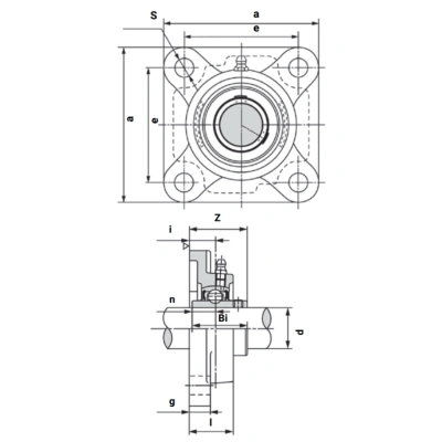
Подшипниковые узлы 208 представляют собой готовые монтажные элементы, в которых подшипник уже установлен в корпус. Они широко применяются в промышленности, сельском хозяйстве, вентиляционных системах, транспортерных линиях и других механизмах с вращающимися валами.
Компания АО «Техникс» предлагает подшипниковые узлы 208 под брендом TECHNIX, отличающиеся высокой точностью изготовления, надёжностью и устойчивостью к нагрузкам. Изделия производятся в соответствии с международными стандартами и подходят для эксплуатации в условиях пыли, вибрации и перепадов температур.
Преимущества подшипниковых узлов TECHNIX серии 208:
- В наличии на складе — быстрая отгрузка по всей России и СНГ;
- Поддержка квалифицированных специалистов — помощь в подборе нужного типоразмера, конфигурации корпуса и способа крепления;
- Соответствие актуальным требованиям по размерам, допускам и материалам исполнения;
- Варианты исполнения с эксцентриковой втулкой, стопорными винтами, герметичными крышками и другими элементами.
Если вам необходимо купить подшипниковый узел 208, обратитесь в компанию Техникс. Мы предложим подходящее решение, предоставим технические рекомендации и организуем оперативную поставку с нашего склада.

