Жесткие соединительные элементы применяются для передачи крутящего момента между валами без люфтов и смещений. Эти комплектующие подходят для систем, требующих высокой точности. Жесткая муфта выдерживает значительные нагрузки и обеспечивает надежное сцепление деталей.
Конструкция и особенности
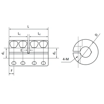
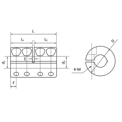
Жесткие муфтовые соединители предназначены для жесткого фиксирования валов в одном положении. Они применяются там, где требуется надежная передача вращения без деформаций и отклонений. В отличие от гибких аналогов, эти элементы не компенсируют несоосность, поэтому монтаж требует точной центровки.
Наиболее востребованные модели производятся из стали, чугуна и алюминия. Стальная жесткая соединительная муфта демонстрирует максимальную прочность и выдерживает высокий крутящий момент. Алюминиевые аналоги используются в механизмах, где важен малый вес. Чугунные варианты обладают высокой жесткостью, но применяются реже из-за большого веса.
Ключевые преимущества:
- Полное отсутствие люфтов при передаче момента.
- Высокая устойчивость к деформации и ударным нагрузкам.
- Простая конструкция, не требующая обслуживания.
- Надежное сцепление, исключающее разъединение деталей.
- Долговечность при работе в условиях повышенных нагрузок.
Глухая муфта, предназначена для соединения двух валов в неразъемную конструкцию. Этот вариант используется в системах, где важна жесткость соединения без возможности демонтажа.
Разновидности и применение
На производстве и в промышленности применяются разные виды соединительных элементов. Подбор комплектующих зависит от параметров привода. Для высоких нагрузок требуется усиленная жесткая муфта, а для легких механизмов подходят облегченные алюминиевые модели. При монтаже трубопроводов применяются муфтовые соединения грувлок, которые упрощают сборку труб и повышают их устойчивость к вибрациям.
Популярные варианты, которые активно применяют для различных технологических задач:
- Втулочный тип. Создает компактную конструкцию и подходит для валов малого диаметра.
- Разъемный тип. Упрощает монтаж без избыточного осевого перемещения.
- Зубчатый вариант. Компенсирует малые смещения и поддерживает стабильный момент.
- Цепной формат. Предназначает соединение для приводов, где требуются повышенные обороты.
При заказе важно учитывать диаметр вала, крутящий момент и конструктивные особенности оборудования. В интернет-магазине TECHNIX можно купить жесткую муфту с учетом всех требований производства. Доставка доступна по Санкт-Петербургу и в другие регионы.

