Двойная звездочка для однорядной цепи - элемент цепного механизма. Она прочно сливается с зубьями цепи, начинает движение и передачу его нескольким точкам одновременно. Данные сдвоенные детали приводят в движение параллельные гусеницы или приводные цепи. Незаменимы в подъемных кранах, тяжелом транспорте, буровых машинах, дорожной и сельскохозяйственной технике, промышленных станках и прочих механизмах.
Особенности конструкции
Звездочки изготавливаются из качественной стали и проверяются на собственном оборудовании компании-производителя Техникс. Мы запускаем их в производство только при условии высшего качества.
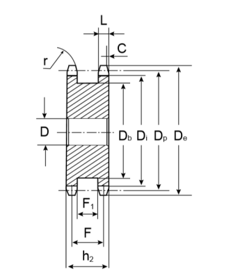
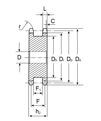
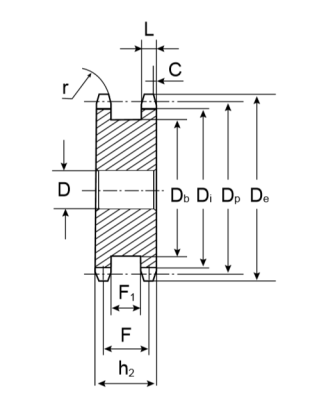
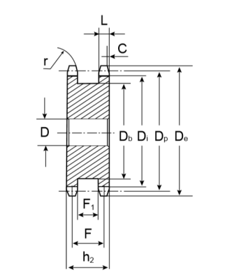
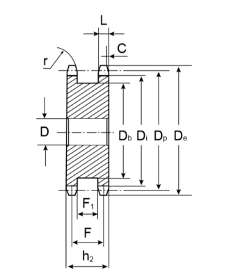
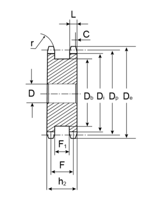
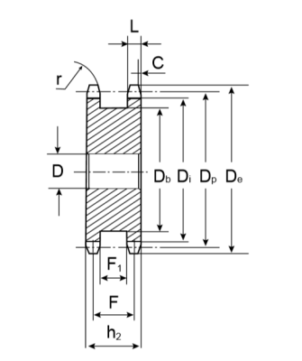
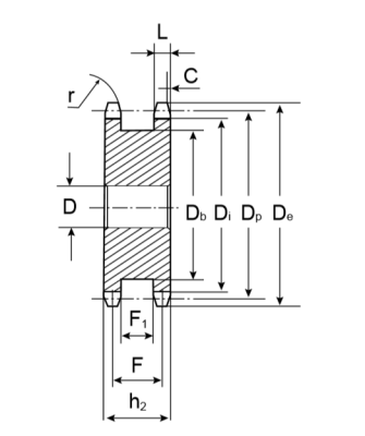
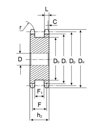
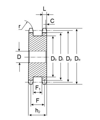
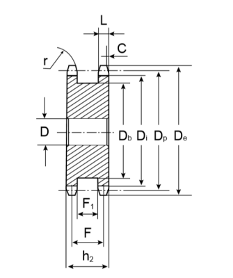
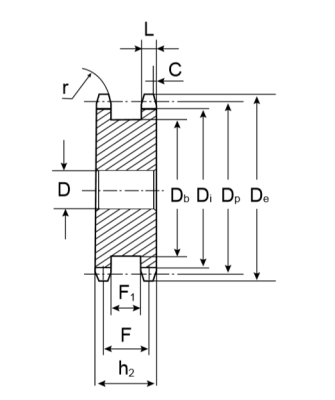
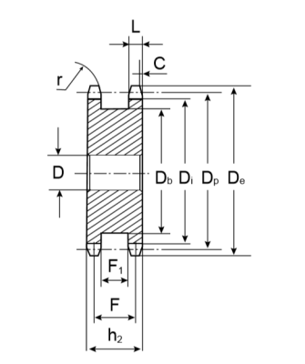
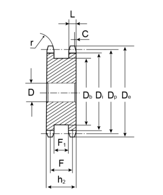
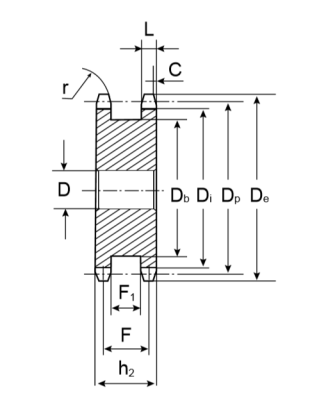
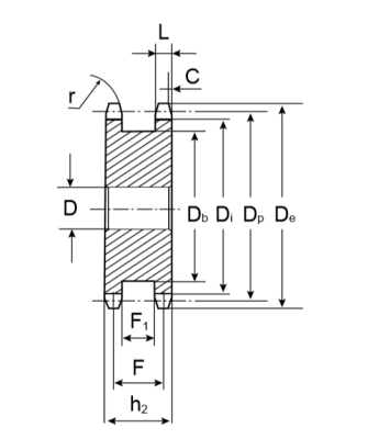
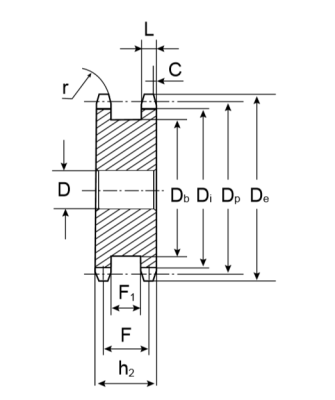
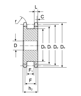
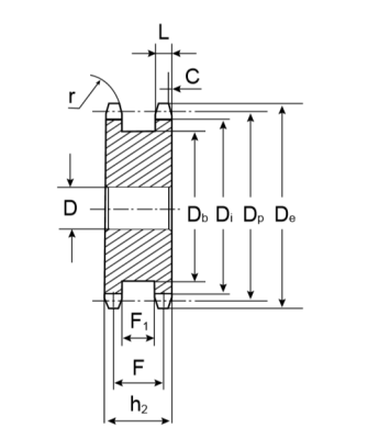
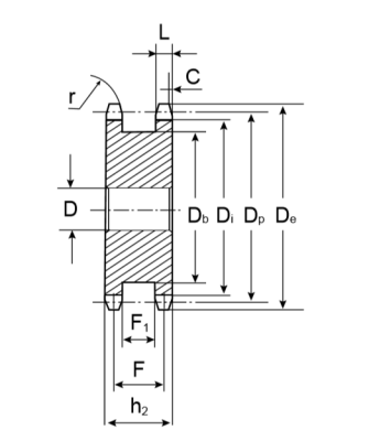
Устройства представляют собой два параллельно скрепленных профилированных колеса с зубьями. Детали выполнены с точной геометрией, поэтому надежны и долговечны, даже если работают в сложных эксплуатационных условиях.
Плавность цепного хода зависит от количества зубьев: чем их больше, тем плавнее ход. На каждой детали - от 12 до 25 штук. Они бывают разного диаметра, отличаются высотой и шириной зубьев, расстоянием между ними, другими параметрами.
Преимущества двойных звездочек для однорядной цепи
Сдвоенная конструкция изготовлена из прочной стали. Высокое качество гарантируют такие свойства, как:
- стабильность, прочность, надежность сцепления
- наибольшую плавность цепного хода
- функционирование даже в сложных производственных условиях
- несложный уход (не нужно часто смазывать)
- доступная цена
Где и как купить
Компания Техникс предлагает купить звездочки двойные различных видов и диаметров. Особой популярностью пользуются детали для однорядных цепей, под расточку, под втулки тапербуш. Изделия выполнены из стали С45, надежны и качественны.
Вся продукция изготовлена в соответствии со стандартами качества ISO.
Заказать изделия можно на сайте, выбрав в каталоге нужную модель. Товар можно оплатить банковской картой или наличными при доставке. Качество промышленных комплектующих подтверждено сертификатами.
Доставка по Санкт-Петербургу, Ленинградской области и другим регионам РФ. Самовывоз в Санкт-Петербурге по адресу Люботинский проспект, д.5.

