Детали применяются вместе с втулкой тапербуш в приводных роликовых цепях. Такие конструкции незаменимы в легкой, пищевой и тяжелой промышленности, деревообработке, подъемном транспорте.
Производитель промышленных комплектующих Техникс предлагает звездочки из высококачественной стали различных размеров и параметров. Ознакомиться с продукцией можно на сайте компании.
Преимущества звездочки под втулку тапербуш
Звездочки фиксируют звенья передач надежнее, чем шкив, так как прочно крепятся и не допускают проскальзывания. Детали выпускаются однорядными, двухрядными и трехрядными. Количество зубьев - от 13 до 114. В числе преимуществ:
- скорость и доступность монтажа - специнструменты не требуются
- надежность и прочность: гарантия
- возможность установки на широкие валы
- простота в эксплуатации: не нуждается в дополнительной смазке
- доступная цена
Специализированная система тапербуш обеспечивает экономичное, эффективное и надежное зажимное крепление на рабочих валах механизмов.
Особенности конструкции
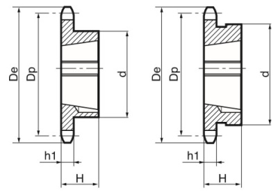
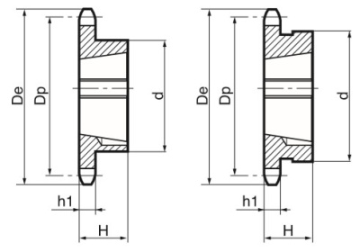
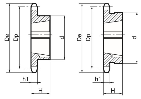
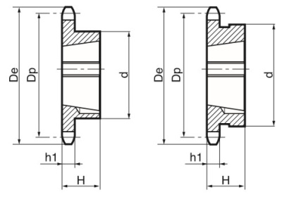
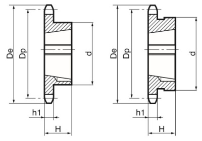
Звездочка под taperbush состоит нескольких плоских и полых окружностей с зубьями по внешнему краю и напоминает многоугольную звезду. В отличие от шкива, данные детали исключают проскальзывание и более эффективны.
Надежные зажимные крепления и шпоночный паз делают посадку на вал плотной и надежной. При монтаже не нужно использовать специализированные приспособления и инструменты.
Цилиндрическое отверстие звездочки или шкива подгоняется под отверстие втулки при помощи приварной ступицы. Ширина шпоночного паза должна соответствовать диаметру вала.
Где и как купить
Звезды под втулку тапербуш производит и реализует производитель промышленных комплектующих компания Техникс. Выбрать и купить нужные детали предлагаем на сайте в каталоге продукции. В наличии широкий ассортимент запчастей различных размеров.
Вся продукция изготовлена в соответствии с ГОСТами и стандартами качества ISO. Для того, чтобы сделать выбор, важно знать точные технические параметры: диаметр, ширину зуба, количество рядов и прочие.
Заказать изделия можно на сайте, выбрав в каталоге нужную модель. Товар можно оплатить банковской картой или наличными при доставке.
Доставка по Санкт-Петербургу, Ленинградской области и другим регионам РФ. Самовывоз в Санкт-Петербурге по адресу Люботинский проспект, д.5.

