Компактные каретки линейного перемещения серии MGN
Каретки серии MGN представляют собой миниатюрные направляющие блоки, разработанные специально для применения в системах с ограниченным монтажным пространством, где при этом требуется высокая точность и стабильность линейного перемещения. Компактные размеры, легкий вес, высокая жёсткость и надёжность делают каретки MGN оптимальным решением для малогабаритного оборудования, включая 3D-принтеры, станки с ЧПУ, лазерные и гравировальные машины, а также робототехнические системы и медицинскую технику.
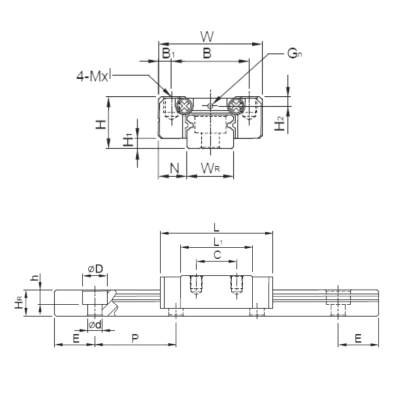
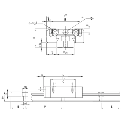
Конструкция и принцип работы
Каретки MGN работают в паре с рельсовыми направляющими соответствующего типоразмера. Благодаря четырёхточечному контакту шариков с направляющей рельсой достигается высокая устойчивость к нагрузкам в любом направлении, в том числе моментным. Конструкция каретки обеспечивает жёсткое и одновременно плавное скольжение без люфта, что особенно важно в системах, где требуется точное позиционирование.
Корпус каретки изготавливается из нержавеющей стали с антикоррозийными свойствами. Внутри блока находятся шариковые подшипники, циркулирующие по замкнутому контуру, что исключает их выпадение при демонтаже. Кроме того, наличие сепаратора между шариками снижает трение и увеличивает срок службы узла. Компактные габариты и малая масса позволяют интегрировать каретку даже в миниатюрные механизмы без потери точности и надёжности.
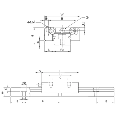
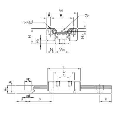
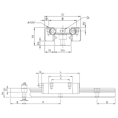
Размеры и обозначения
Серия MGN включает в себя следующие типоразмеры: MGN7, MGN9, MGN12 и MGN15. Они различаются по габаритам, допустимым нагрузкам и сфере применения. Обозначения типа H (например, MGN12H) указывают на удлинённую модификацию каретки, которая обеспечивает большую устойчивость и несущую способность.
Также доступны варианты с разными уровнями преднатяга:
- ZF (нулевой зазор) — минимальное сопротивление движению;
- Z1 (лёгкий преднатяг) — баланс между жёсткостью и плавностью;
- Z0 (средний преднатяг) — для более жёстких и высоконагруженных систем.
Наличие нескольких конфигураций позволяет подобрать оптимальный вариант под конкретную задачу — от лёгких бытовых устройств до высокоточных промышленных решений.
Преимущества кареток серии MGN
- Компактность и лёгкость. Каретки MGN разработаны специально для оборудования, где каждый миллиметр пространства и грамм веса имеет значение. Благодаря малым габаритам они легко монтируются даже в условиях ограниченного монтажного пространства.
- Высокая точность и плавность хода. Шариковый механизм с четырёхточечным контактом обеспечивает минимальный люфт, стабильность и равномерное распределение нагрузки, что особенно важно в высокоточных автоматизированных системах.
- Универсальность применения. Каретки MGN используются в самых разных отраслях: от цифрового производства до медицинского приборостроения. Они совместимы с различными типами рельсов и могут работать в условиях как вертикальной, так и горизонтальной установки.
- Простой монтаж и обслуживание. Благодаря универсальной посадочной геометрии и надежной системе удержания шариков, установка и обслуживание кареток занимает минимум времени. Это снижает простой оборудования и затраты на техническое обслуживание.
- Устойчивость к коррозии. Нержавеющие стали, используемые при производстве, обеспечивают долгий срок службы даже в условиях повышенной влажности или воздействия агрессивных сред.
Почему стоит выбрать продукцию АО «Техникс»
Компания АО «Техникс» — надёжный российский поставщик и производитель промышленных комплектующих, в том числе линейных направляющих и кареток. Несмотря на относительно небольшой срок существования на рынке, мы успели зарекомендовать себя как стабильный партнёр с высоким уровнем сервиса и строгим контролем качества продукции. Мы предлагаем широкий ассортимент линейных компонентов, включая серию MGN — с гарантией качества, быстрой поставкой и технической поддержкой. Наши преимущества:
- Прямые поставки и собственное производство — мы работаем без посредников, что обеспечивает контроль качества и конкурентные цены.
- Точное соответствие заявленным характеристикам — наша продукция проходит проверку на точность, жёсткость и ресурс.
- Профессиональные консультации — инженеры АО «Техникс» помогут подобрать оптимальный тип каретки под ваши задачи.
- Оперативность и наличие — большинство позиций MGN поддерживается на складе, благодаря чему мы обеспечиваем быструю отгрузку.
- Индивидуальный подход — возможны спецзаказы, комплектация направляющих каретками, упаковка по спецификации заказчика.
Сотрудничая с АО «Техникс», вы получаете не только качественный продукт, но и надёжного технологического партнёра. Мы ценим доверие наших клиентов и стремимся соответствовать их высоким ожиданиям.




