Подшипниковые узлы Technix серии UKF — фланцевая опора с конической посадкой под втулку
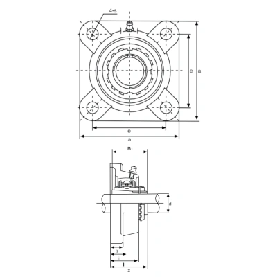
Серия UKF от Technix — это корпусные подшипниковые узлы с круглым фланцем и четырьмя крепёжными отверстиями, оснащённые вставными подшипниками серии UK с коническим посадочным отверстием (1:12). Эти узлы используются для установки на валы без посадочных канавок, с фиксацией через конусные втулки (адаптерные втулки).
Такой тип соединения обеспечивает более точную посадку, надёжную фиксацию, устойчивость к вибрациям и особенно подходит для высоконагруженных или ударных механизмов, в том числе с реверсивными режимами работы.
Конструкция и особенности
Каждый узел UKF включает:
- Фланцевый корпус из чугуна (с круглым основанием и четырьмя отверстиями) — стандартная конфигурация для установки на вертикальные и торцевые поверхности.
-
Подшипник серии UK — отличается коническим отверстием (1:12) под установку на вал через адаптерную втулку (втулка в комплект не входит). Это позволяет:
– надёжно зажать подшипник на вал без дополнительных проточек;
– отцентровать его по валу с высоким классом посадки;
– использовать его на обычных гладких валах.
- Уплотнения — лабиринтные или контактные (в зависимости от размера), обеспечивают защиту от загрязнений;
- Маслёнка — для централизованной подачи смазки.
Преимущества серии UKF:
- Надёжная фиксация на валу без стопорных винтов;
- Повышенная несущая способность и жёсткость;
- Быстрая замена втулки без демонтажа корпуса;
- Универсальность по диаметру вала — одна втулка = несколько вариантов.
Размеры и совместимость
Technix поставляет узлы UKF204 – UKF218, которые покрывают диапазон:
- Диаметры вала (через втулку): от 20 до 90 мм
- Корпус: чугун GG20/HT200, с круглым фланцем и четырьмя отверстиями
- Подшипник: серия UK — с коническим отверстием под втулку 1:12
- Совместимость с втулками: H204 – H218, HA204 – HA218 (ISO, ГОСТ)
- Материал подшипника: хромистая подшипниковая сталь GCr15
Примеры:
- UKF204 + H204 → для вала Ø20 мм
- UKF210 + H210 → для вала Ø50 мм
- UKF215 + H215 → для вала Ø75 мм
Полностью совместимы с аналогами ASAHI, NTN, SKF, SNR и другими.
Где применяются узлы UKF
Серия UKF используется в механизмах, где важны:
- Надёжная установка без обработки конца вала;
- Работа в условиях вибраций, ударных нагрузок, реверса;
- Возможность быстрого монтажа/демонтажа подшипника с вала;
- Установка на вертикальные плоскости, торцевые крышки, стенки агрегатов.
Типовые области применения:
- Приводы вентиляторов, дробилок, миксеров;
- Сельхозмашины и тяжёлое промышленное оборудование;
- Лебёдки, редукторы, лопастные и шнековые механизмы;
- Линии транспортировки с переменным усилием;
- Узлы, где вал не имеет проточек под стопоры.
Почему выбирают Technix
Technix предлагает надёжные узлы UKF с полной технической совместимостью и готовностью к эксплуатации:
- Широкий диапазон типоразмеров UKF204–UKF215 в наличии;
- Подбор подходящей втулки (H204–H218) под ваш вал;
- Консультации по моменту затяжки, монтажу и смазке;
- Возможность поставки в сборе или отдельно корпус / подшипник / втулка;
- Склад в Санкт-Петербурге, отгрузка от 1 шт.
Technix — это решение, за которым стоит инженерная ответственность.

