Подшипниковый узел UKF208 TECHNIX - готовое к установке решение с квадратным чугунным корпусом и корпусным подшипником UK, закрепляемым на валу посредством конической втулки. Конструкция обеспечивает быстрый монтаж, высокую жёсткость крепления и стабильную работу в условиях динамических нагрузок на промышленных линиях.
Устройство и конструкция
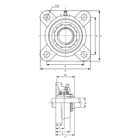
Узел UKF208 состоит из квадратного фланцевого корпуса с четырьмя отверстиями под болты, что обеспечивает надёжное крепление к несущим элементам оборудования. Корпусный подшипник UK с коническим внутренним отверстием устанавливается на вал через закрепительную втулку, которая компенсирует отклонения размеров вала и упрощает процесс монтажа без необходимости точной механической обработки посадочного места.

Сферическая посадка внутреннего кольца в корпусе позволяет узлу самоустанавливаться при небольших несоосностях, снижая концентрацию напряжений и увеличивая срок службы подшипника в реальных условиях эксплуатации.
Расшифровка наименования
Обозначение UKF208 расшифровывается следующим образом:
- UK - серия корпусного подшипника с коническим отверстием;
- F - квадратный фланцевый корпус (Square Flange);
- 208 - типоразмер, соответствующий габаритам корпуса и диаметру посадочного отверстия подшипника.
Номер «208» определяет совместимость с валами соответствующего диаметра и указывает на размеры корпуса, необходимые для расчёта посадочных мест. Единая система обозначений упрощает замену узлов и подбор аналогов при ремонте и модернизации оборудования.
Применяемость на практике
- транспортёрные системы и конвейерные линии;
- промышленные вентиляторы и вытяжные установки;
- приводы элеваторов и норий;
- смесительное и дозирующее оборудование;
- валковые дробилки и сепараторы;
- приводные станции цепных и ременных передач.
Сферы применения
- общее машиностроение;
- линии по переработке и транспортировке сырья;
- производство строительных материалов;
- деревообрабатывающая промышленность;
- сельскохозяйственное оборудование;
- пищевая промышленность (при использовании специальных исполнений).
Узел может использоваться в условиях запылённой среды и умеренной влажности при соблюдении регламентов смазки и технического обслуживания.
Службы доставки в ПВЗ:
- СДЭК
- Boxberry
- Яндекс Доставка
- DPD
Службы доставки курьером:
- Собственная служба доставки
- СДЭК
- Достависта
О самовывозе со склада
Вы можете самостоятельно забрать заказ в Санкт-Петербурге по адресу:
📍 Люботинский проспект, 5

