1 703 руб.
/шт
1 286 руб.
/шт
1 132 руб.
/шт
958 руб.
/шт FAQ
Кто мы?
АО Техникс занимается разработкой и производством промышленных комплектующих под торговой маркой Technix.
Основными направлениями деятельности компании являются:
- Производство подшипников и подшипниковых узлов. Цельные, разъемные и фланцевые. Быстрая замена опор вращения: сельхозмашины, ткацкие станки, строительное, пищевое оборудование, опоры судовых валов, крупногабаритных электрических машин и др.
- Производство систем линейного перемещения. Это комплекс унифицированных деталей и узлов, обеспечивающих линейное передвижение, позиционирование исполнительных механизмов. Применение: металлообрабатывающие станки, литейные формовочные машины, точное оборудование, производство полупроводников, измерительное, медицинское оборудование и др.
- Производство опорных роликов. Опорные ролики — готовое решение с подшипником качения на роликах или игольчатых роликах. Простое крепление с помощью резьбовой цапфы. Быстрый, простой монтаж и высокая грузоподъемность определили их применение в нестандартных конструкциях: линейных направляющих, конвейерах, транспортировочных линиях, подъемных кранах и др.
- Производство механических соединительных муфт: жесткие, виброгасящие, спиральные, сильфонные. Для передачи крутящего момента между валами отдельно стоящих единиц оборудования. Применение: общемашиностроительное, приборостроение, станки с ЧПУ, насосные установки, приводы строительно-дорожных машин, силовые приводы судов, вспомогательные приводы тепловозов и электровозов.
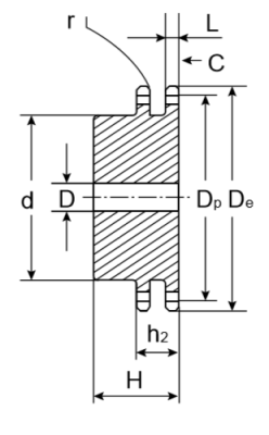
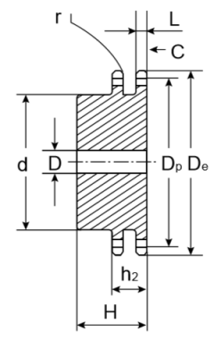
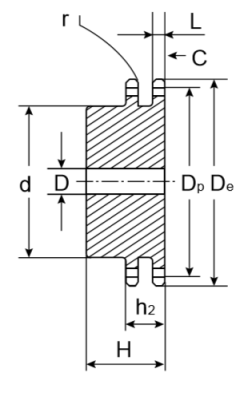
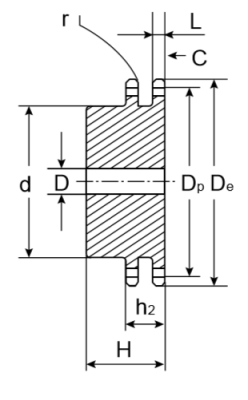
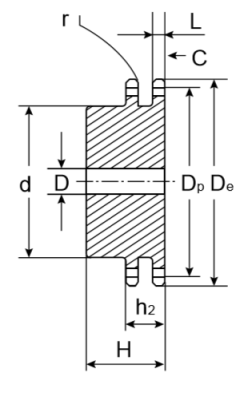
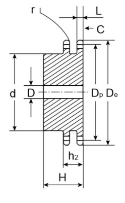
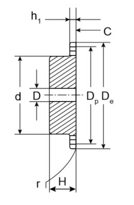
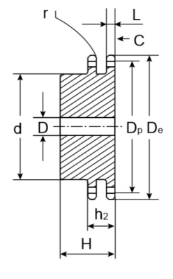
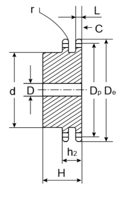
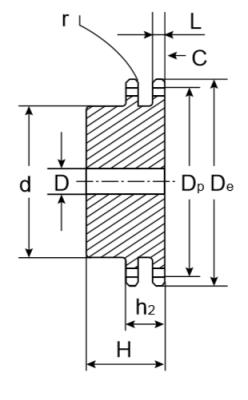
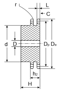
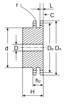
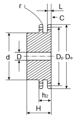
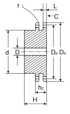
- Производство деталей трансмиссии: звездочки, зажимные втулки и втулки тапербуш. Применяются в цепных передачах: простое решение при необходимости передать крутящий момент между параллельными валами, в том числе далеко отстоящими.
- Производство трапецеидальных винтов и гаек. Это винтовая пара для преобразования вращательного движения привода в прямолинейное движение исполнительного узла. Отсутствие мертвого хода (осевого зазора) и высокая ремонтопригодность. Область применения: кулачковые механизмы, системы линейного перемещения, конвейеры, механизмы подач суппортов — везде, где требуется точность перемещения при высокой жесткости.
Как стать партнером?
Более подробно ознакомится с партнерской программой можно на странице https://technix-rus.ru/company/partners/
Как вернуть товар надлежащего качества?
При покупке как физ лицо - можно вернуть в соответствии с законом о защите прав потребителей, при покупке как юр.лицо - в соответствии с условиями договора
Где производится продукция Technix?
Продукция производится в России и Китае
Какие гарантии на продукцию вы предоставляете?
Гарантия на товар 1 год с момента продажи
Как быстро отправите заказ?
Обычно заказ отправляется на следующий день после поступления денег на счет компании
Возможен ли самовывоз заказанного товара?
Самовывоз возможен со склада в г. Санкт-Петербурге
Как осуществляется доставка в регионы?
Доставка в регионы осуществляется транспортными компаниями
Как рассчитать стоимость доставки в регионы?
Вы можете оформить заказ на сайте или написать нам на почту sale@technix-rus.ru. И наши менеджеры рассчитают стоимость доставки выбранной Вами транспортной компанией.
Как можно оплатить товар?
Товар можно оплатить онлайн на сайте или по счету.
Есть ли оптовый прайс?
Да, есть. Оптовый прайс можно запросить написав нам на почту info@technix-rus.ru
Можно ли приобрести товар в кредит?
Пока такая возможность не предусмотрена
Могу ли я получить сертификат качества на продукцию?
Сертификаты качества доступны по запросу на почтовый ящик sale@technix-rus.ru
