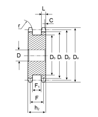
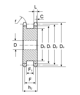
Двойные звездочки для однорядных цепей в Москве
62
Каталог
-
Системы линейного перемещения
-
Трапецеидальные гайки и винты
-
ШВП
-
Зубчатые рейки
-
Зубчатые колеса
-
Звездочки
-
Двойные звездочки для однорядных цепей
-
Звездочки без ступицы под расточку
-
Звездочки под втулку тапербуш
-
Звездочки с калеными зубьями со ступицей
-
Звездочки со ступицей под расточку
-
Звездочки специального стандарта
-
Чугунные звездочки под втулку тапербуш
-
Чугунные звездочки под расточку
-
Звездочки-натяжители цепи
-
-
Шкивы
-
Подшипники
-
Подшипниковые узлы
-
Корпусные подшипники
-
Разъемные корпуса
-
Шариковые подшипники
-
Шарнирные наконечники
-
Закрепительные втулки
-
Шариковые опоры
-
Роликовые подшипники
-
Втулки скольжения
-
Опорные ролики
-
Опорно-поворотные устройства (ОПУ)
-
Высокотемпературные подшипники
-
Низкотемпературные подшипники
-
Подшипники скольжения
-
Подшипники из нержавеющей стали
-
-
Соединительные муфты
-
Втулки
-
Элементы соединения
-
Смазки
-
Подшипники ГОСТ
-
Ступицы AGRO RIDER
-
Подшипниковые узлы AGRO RIDER
-
Подборки
- Аналоги
-
Цилиндрические направляющие
- Цилиндрические валы
- Цилиндрические линейные подшипники
- Линейные направляющие оси
- Валы для станков
- Валы для ЧПУ
- Валы для сверлильного станка
- Валы для строгального станка
- Валы на балансировочный станок
- Валы на фуговальный станок
- Валы для токарного станка
- Валы для точильного станка
- Валы для фрезерного станка
- Валы прецизионные цилиндрические
- Шарниры
- Направляющие ШВП
- Механика для 3д принтера
-
Трапециевидные винтовые соединения
- Ходовые винты
- Винты для подъемника
- Трапецеидальные валы
- Болты трапецеидальные
- Шпильки трапецеидальные
- Для токарных станков
- Бронзовые гайки ходового винта
- Ходовые винты для тисков
- Ходовые винты токарные
- Винт ходовой с гайкой для тисков
- Ходовые винты с гайкой
- Гайки ходового винта для тисков
- Ходовые винты для станков
- Гайки для ходовых винтов
-
Подшипниковые блоки
- Подшипниковые опоры
- Подшипниковые узлы 205
- Подшипниковые узлы 206
- Подшипниковые узлы 207
- Подшипниковые узлы 210
- Подшипниковые узлы 209
- Подшипниковые узлы 214
- Подшипниковые узлы с фланцем
- Подшипниковые узлы на лапах
- Натяжные подшипниковые узлы
- Стационарные подшипниковые узлы
- Подшипниковые узлы UC
- Подшипниковые узлы 208
- Подшипниковые опоры UCP
- Подшипники в оправе
- Подшипниковые узлы разъемные
- Подшипниковые узлы закрытые
- Подшипниковые узлы конические
- Подшипниковые узлы корпусные
- Подшипниковые узлы вертикальных валов
- Подшипниковые узлы конвейерные
- Подшипниковые узлы квадратные
- Подшипниковые узлы с овальным фланцем
- Подшипниковые узлы редуктора
- Подшипниковые узлы шариковые радиальные
- Подшипниковые узлы радиальные
- Упорные кольца внутренние
- Стопорные кольца круглые
- Подшипниковые узлы с осью
- Осевые подшипниковые узлы
- Линейная ось
- Букса подшипника
- Реечная передача
- Рельсовые направляющие валы
- Направляющие подшипники
- Рельсовые направляющие
- Подставки для вала
- Гайки ходовые
- Двухрядные подшипники
- Подшипник самоустанавливающийся двухрядный
- Шарикоподшипники качения
- Линейные каретки
-
3D-печать
-
Металлургия
-
Машиностроение и станкостроение
-
Деревообрабатывающая промышленность
-
Строительное оборудование
-
Робототехника
Фильтр
Будьте в курсе наших акций и новостей
Подписаться
Заказать звонок
Задать вопрос
Оставить отзыв
