Особенности звездочек специального стандарта
Звездочки специального стандарта со ступицей изготавливаются из стали с высоким содержанием углерода, благодаря чему они прочные и долговечные. Для того чтобы сделать такие изделия более надежными, они подвергаются закалке в индукционных печах, позволяющей получить твердость 45-55 единиц по шкале Роквелла.
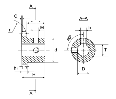
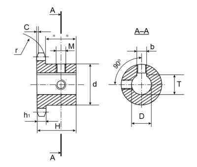
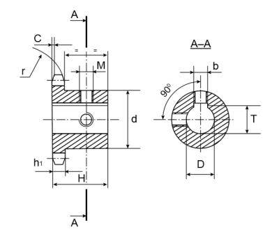
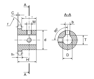
Одна из ключевых особенностей их в том, что конструкцией предусмотрен шпоночный паз, который проходит по центральной линии зуба. Также имеется два отверстия с метрической резьбой для использования зажимных винтов, благодаря чему звездочка надежно удерживается на валу.
Среди основных характеристик звездочек специального стандарта с втулкой, на которые необходимо обратить внимание при выборе, можно выделить:
- Посадочный диаметр ступицы;
- Количество зубьев и рядов, а также радиус, ширина и ширина фаски зуба;
- Возможность последующей расточки;
- Типоразмер цепи, с которой звездочка будет эксплуатироваться;
- Высота и ширина шпоночного паза.
Благодаря большому выбору звездочек специального стандарта со ступицей можно подобрать и купить полностью готовые к монтажу изделия, имеющие высокий класс точности.
Купить звездочки специального назначения
Купить в Санкт-Петербурге звездочки специального стандарта не так просто – далеко не все компании, производящие продажу комплектующих к промышленному оборудованию, да и цена таких изделий будет не самой низкой, так как их привезут под заказ. Но в нашей компании представлен большой выбор звездочек специального стандарта с втулкой по демократичной цене. Мы постоянно обновляем и расширяем ассортимент такой комплектации, поэтому в нашем каталоге можно найти самые разнообразные детали для современного оборудования. Наша компания производит продажу звездочек не только по Санкт-Петербургу и Ленинградской области, но и по всей территории РФ при помощи транспортных компаний, поэтому заказ доставляется клиентам в минимальные сроки.

 
             
									 
									 
									 
									 
									 
									 
									 
									 
									 
									 
									 
									 
									 
									 
									 
									 
									 
									 
									 
									 
									 
									 
									 
									 
									 
									 
									 
									 
									 
									 
									 
									 
									 
									 
									 
									 
									 
									 
									 
									 
									 
									 
									 
									 
									 
									 
									 
									 
									 
									 
									 
									 
									 
									 
									 
															 
																							 
																							 
																							 
																							 
																							 
															 
																							 
																							 
															 
																							 
																							 
																							 
																							 
															 
															 
																							 
																							 
																							 
															 
																							 
																							 
																							 
																							 
																							 
																							 
																							 
																							 
																							 
															 
																							 
																							 
																							 
																							 
															 
																							 
																							 
																							 
																							 
																							 
																							 
																							 
																							 
																							 
																							 
																							 
																							 
																							 
																							 
																							 
															 
																							 
																							 
																							 
																							 
															 
																							 
																							 
															 
																							 
															 
															 
																							 
																							 
															 
																							 
															 
																							 
																							 
																							 
																							 
																							 
																							 
																							 
																							