Арт.: CT10015
1 961 руб.
/шт Звездочки без ступицы под расточку представляют собой устройства для сцепления приводных звеньев цепи. Применяются в цепных передачах в промышленном, дорожном, строительном и сельхозоборудовании, в тихоходных скоростных редукторах.
Для каждой отрасли и механизма подбираются конкретные типы и диаметры соответственно размерам цепи. От качества детали зависит долговечность всего механизма.
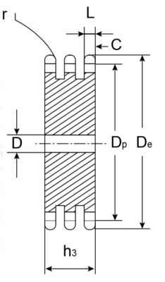
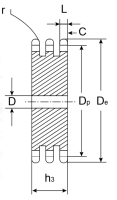
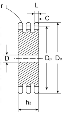
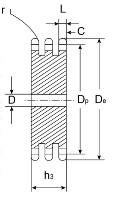
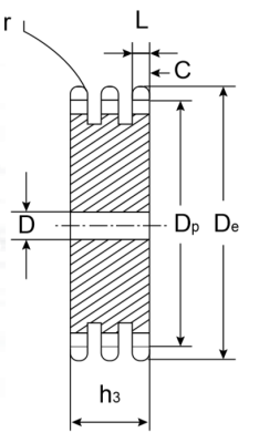
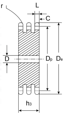
Звездочки под расточку без ступицы состоят из профилированных плоских колес с зубьями по краям. Детали могут быть однорядными, двухрядными и трехрядными, а число зубьев - от 8 до 114 штук.
Выполняются из высококачественной стали, поэтому прочные и надежные в использовании. Диски для звездочек изготавливают методом штамповки.
Зубья цепи, прочно соединяясь со звездочками, обеспечивают эффективность работы приводного механизма. Детали прикрепляются шпонками и втулками, их можно расточить под необходимый диаметр.
Отсутствие ступицы в данной модели позволяет экономить на металле, что значительно снижает себестоимость детали. В числе других преимуществ:
Благодаря упрощенной конструкции устройства надежны и способны служить максимально долго - до 25 лет.
Предлагаем приобрести звездочки без ступицы от компании производителя промышленных комплектующих - Техникс. В каталоге нашего интернет-магазина представлен широкий ассортимент деталей разных диаметров. Вся продукция изготовлена в соответствии с ГОСТами и стандартами качества ISO. Для того, чтобы сделать выбор, важно знать точные технические параметры: диаметр, ширину зуба, количество рядов и прочие.
Особой популярностью пользуются звездочки для однорядных цепей, под расточку, под втулки тапербуш. Они выполнены из стали С45, надежны и качественны.
Чтобы получить консультацию и сделать заказ, свяжитесь с нашими специалистами.
Также заказать изделия можно на сайте, выбрав в каталоге нужную модель. Товар можно оплатить банковской картой или наличными при доставке.
Доставка по Санкт-Петербургу, Ленинградской области и другим регионам РФ. Самовывоз в Санкт-Петербурге по адресу Люботинский проспект, д.5.
Системы линейного перемещения
Трапецеидальные гайки и винты
ШВП
Зубчатые рейки
Зубчатые колеса
Звездочки
Двойные звездочки для однорядных цепей
Звездочки без ступицы под расточку
Звездочки под втулку тапербуш
Звездочки с калеными зубьями со ступицей
Звездочки со ступицей под расточку
Звездочки специального стандарта
Чугунные звездочки под втулку тапербуш
Чугунные звездочки под расточку
Звездочки-натяжители цепи
Шкивы
Подшипники
Подшипниковые узлы
Корпусные подшипники
Разъемные корпуса
Шариковые подшипники
Шарнирные наконечники
Закрепительные втулки
Шариковые опоры
Роликовые подшипники
Втулки скольжения
Опорные ролики
Опорно-поворотные устройства (ОПУ)
Высокотемпературные подшипники
Низкотемпературные подшипники
Подшипники скольжения
Подшипники из нержавеющей стали
Соединительные муфты
Втулки
Элементы соединения
Смазки
Подшипники ГОСТ
Ступицы AGRO RIDER
Подшипниковые узлы AGRO RIDER
3D-печать
Металлургия
Машиностроение и станкостроение
Деревообрабатывающая промышленность
Строительное оборудование
Робототехника