Арт.: 16T2025TECHNIX
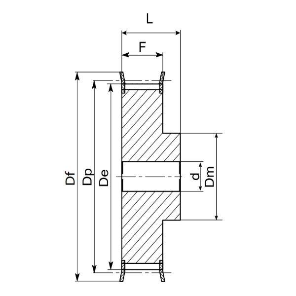
Шкив зубчатый 16T2,5/25-2 (PHP 16T2,5/25-2RSB) под расточку профиль ремня T TECHNIX
Описание
Под заказ
Наши менеджеры обязательно свяжутся с вами и уточнят условия заказа
