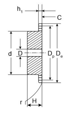
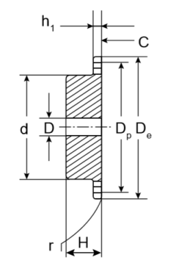
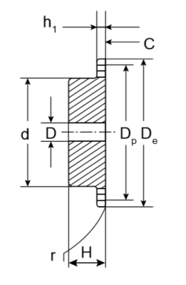
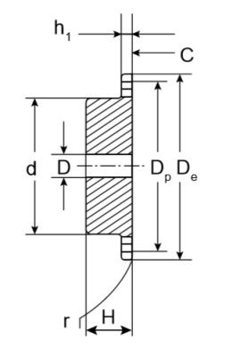
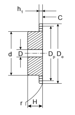
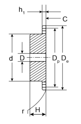
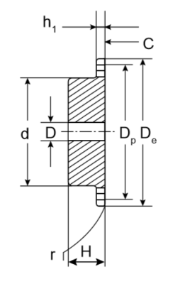
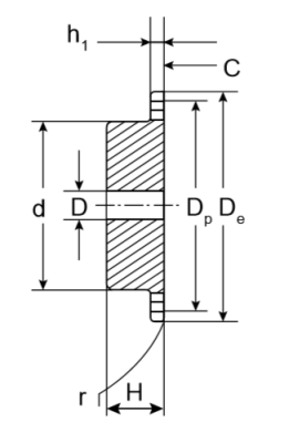
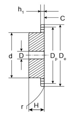
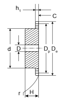
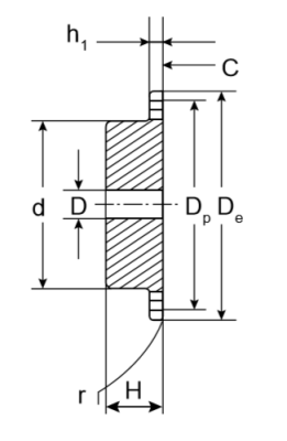
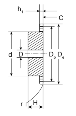
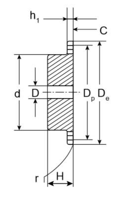
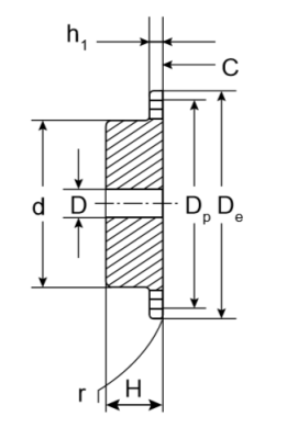
Звездочка под расточку со ступицей с калеными зубьями для цепи: 16B-1, Z=13, 1" x 17,02 mm PS12T13 (
Арт.: PS12T13
1 409 руб.
/шт
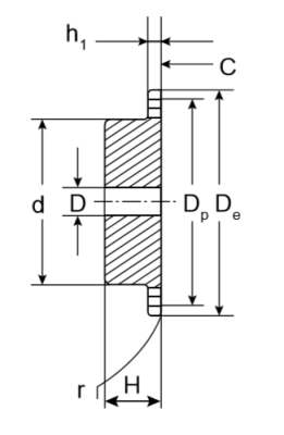
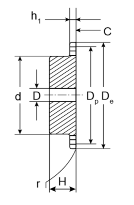
Звездочка под расточку со ступицей с калеными зубьями для цепи: 12B-1, Z=12, 3/4" x 7/16" PS11T12 (P
Арт.: PS11T12
675 руб.
/шт
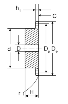
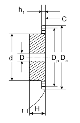
Звездочка под расточку со ступицей с калеными зубьями для цепи: 10B-1, Z=30, 5/8" x 3/8" PS10T30 (PH
Арт.: PS10T30
1 760 руб.
/шт