TECHNIX (Техникс)
ПРОИЗВОДИТЕЛЬ
ПРОМЫШЛЕННЫХ
КОМПЛЕКТУЮЩИХ
Режим работы:
ПН-ПТ 8:00-17:00
Каталог
Системы линейного перемещения
Каретки
Гофрозащита для рельсовых направляющих
Картриджи
Уплотнения и скребки
Линейные направляющие
Линейные подшипники
Линейные подшипники в сборе с корпусом
Линейные подшипники без корпуса
Валы
Валы с опорой
Валы без опоры
Опоры
Трапецеидальные гайки и винты
Винты трапецеидальные
Гайки трапецеидальные
ШВП
Винты ШВП
Гайки ШВП
Держатели для гаек
Опоры ШВП
Зубчатые рейки
Зубчатые колеса
Зубчатые колеса без ступицы
Зубчатые колеса со ступицей
Зубчатые колеса со ступицей с калеными зубьями
Звездочки
Двойные звездочки для однорядных цепей
Звездочки без ступицы под расточку
Звездочки под втулку тапербуш
Звездочки с калеными зубьями со ступицей
Звездочки со ступицей под расточку
Звездочки специального стандарта
Чугунные звездочки под втулку тапербуш
Чугунные звездочки под расточку
Звездочки-натяжители цепи
Шкивы
Шкивы зубчатые под втулку тапербуш
Шкивы клиновые под втулку тапербуш
Шкивы клиновые под расточку
Шкивы зубчатые под расточку
Подшипники
Подшипниковые узлы
Корпусные подшипники
Разъемные корпуса и комплектующие
Крышки
Уплотнения
Упорные кольца
Разъемные корпуса
Шариковые подшипники
Шарнирные наконечники
Закрепительные втулки
Шариковые опоры
Роликовые подшипники
Втулки скольжения
Втулки скольжения с бронзовым покрытием
Втулки скольжения с бронзово-графитовым покрытием
Втулки скольжения спеченые бронзовые
Опорные ролики
Опорно-поворотные устройства (ОПУ)
ОПУ стандартные
ОПУ фланцевые
ОПУ с червячным приводом
Высокотемпературные подшипники
Низкотемпературные подшипники
Подшипники скольжения
Подшипники из нержавеющей стали
Соединительные муфты
Виброгасящие муфты
Жесткие муфты
Сильфонные муфты
Спиральные муфты
Втулки
Втулки тапербуш
Зажимные втулки
Элементы соединения
Камлоки
Смазки
Ступицы AGRO RIDER
Ступицы для дисковых борон
Ступицы для посевной техники
Подшипниковые узлы AGRO RIDER
Подшипниковые узлы в корпусе из серого чугуна
Подшипниковые узлы в резиновом корпусе
Подшипниковые узлы в стальном корпусе
Узлы в корпусе из высокопрочного чугуна
Партнёрам
О компании
Партнерская программа
Найти Дистрибьютора
Отраслевые решения
Каталоги
О покупке
Статьи
Каталоги PDF
Общая информация
Контакты
Реквизиты
Пользовательское соглашение
Новости
Статьи
Применение продукции
Помощь
Реквизиты
Новости
Задать вопрос
+7 (812) 490-76-68
+7 (812) 490-76-68
zakaz@technix-rus.ru
Заказать звонок
Задать вопрос
Войти
  • Корзина0
  • Избранные товары0
Ваш город
Москва
zakaz@technix-rus.ru
  • Вконтакте
  • Telegram
  • Яндекс.Дзен
Ваш город
Москва
  • 🗲 Акции
  • Реквизиты
  • Контакты
  • База знаний
  • Калькуляторы
  • Оплата и доставка
  • Каталоги PDF
  • Мехобработка
  • ...
    • Яндекс.Дзен
    +7 (812) 490-76-68
    +7 (812) 490-76-68
    zakaz@technix-rus.ru
    zakaz@technix-rus.ru
    Заказать звонок
    Скопировать адрес
    Войти
    TECHNIX (Техникс)
    Каталог
    Системы линейного перемещения
    Трапецеидальные гайки и винты
    ШВП
    Зубчатые рейки
    Зубчатые колеса
    Звездочки
    Шкивы
    Подшипники
    Соединительные муфты
    Втулки
    Элементы соединения
    Смазки
    Ступицы AGRO RIDER
    Подшипниковые узлы AGRO RIDER
      • Каретки
        Каретки
        • Гофрозащита для рельсовых направляющих
        • Картриджи
        • Уплотнения и скребки
      • Линейные направляющие
        Линейные направляющие
      • Линейные подшипники
        Линейные подшипники
        • Линейные подшипники в сборе с корпусом
        • Линейные подшипники без корпуса
      • Валы
        Валы
        • Валы с опорой
        • Валы без опоры
      • Опоры
        Опоры
      • Винты трапецеидальные
        Винты трапецеидальные
      • Гайки трапецеидальные
        Гайки трапецеидальные
      • Винты ШВП
        Винты ШВП
      • Гайки ШВП
        Гайки ШВП
      • Держатели для гаек
        Держатели для гаек
      • Опоры ШВП
        Опоры ШВП
      • Зубчатые колеса без ступицы
        Зубчатые колеса без ступицы
      • Зубчатые колеса со ступицей
        Зубчатые колеса со ступицей
      • Зубчатые колеса со ступицей с калеными зубьями
        Зубчатые колеса со ступицей с калеными зубьями
      • Двойные звездочки для однорядных цепей
        Двойные звездочки для однорядных цепей
      • Звездочки без ступицы под расточку
        Звездочки без ступицы под расточку
      • Звездочки под втулку тапербуш
        Звездочки под втулку тапербуш
      • Звездочки с калеными зубьями со ступицей
        Звездочки с калеными зубьями со ступицей
      • Звездочки со ступицей под расточку
        Звездочки со ступицей под расточку
      • Звездочки специального стандарта
        Звездочки специального стандарта
      • Чугунные звездочки под втулку тапербуш
        Чугунные звездочки под втулку тапербуш
      • Чугунные звездочки под расточку
        Чугунные звездочки под расточку
      • Звездочки-натяжители цепи
        Звездочки-натяжители цепи
      • Шкивы зубчатые под втулку тапербуш
        Шкивы зубчатые под втулку тапербуш
      • Шкивы клиновые под втулку тапербуш
        Шкивы клиновые под втулку тапербуш
      • Шкивы клиновые под расточку
        Шкивы клиновые под расточку
      • Шкивы зубчатые под расточку
        Шкивы зубчатые под расточку
      • Подшипниковые узлы
        Подшипниковые узлы
      • Корпусные подшипники
        Корпусные подшипники
      • Разъемные корпуса и комплектующие
        Разъемные корпуса и комплектующие
        • Крышки
        • Уплотнения
        • Упорные кольца
        • Разъемные корпуса
      • Шариковые подшипники
        Шариковые подшипники
      • Шарнирные наконечники
        Шарнирные наконечники
      • Закрепительные втулки
        Закрепительные втулки
      • Шариковые опоры
        Шариковые опоры
      • Роликовые подшипники
        Роликовые подшипники
      • Втулки скольжения
        Втулки скольжения
        • Втулки скольжения с бронзовым покрытием
        • Втулки скольжения с бронзово-графитовым покрытием
        • Втулки скольжения спеченые бронзовые
      • Опорные ролики
        Опорные ролики
      • Опорно-поворотные устройства (ОПУ)
        Опорно-поворотные устройства (ОПУ)
        • ОПУ стандартные
        • ОПУ фланцевые
        • ОПУ с червячным приводом
      • Высокотемпературные подшипники
        Высокотемпературные подшипники
      • Низкотемпературные подшипники
        Низкотемпературные подшипники
      • Подшипники скольжения
        Подшипники скольжения
      • Подшипники из нержавеющей стали
        Подшипники из нержавеющей стали
      • Виброгасящие муфты
        Виброгасящие муфты
      • Жесткие муфты
        Жесткие муфты
      • Сильфонные муфты
        Сильфонные муфты
      • Спиральные муфты
        Спиральные муфты
      • Втулки тапербуш
        Втулки тапербуш
      • Зажимные втулки
        Зажимные втулки
      • Камлоки
        Камлоки
      • Ступицы для дисковых борон
      • Ступицы для посевной техники
        Ступицы для посевной техники
      • Подшипниковые узлы в корпусе из серого чугуна
        Подшипниковые узлы в корпусе из серого чугуна
      • Подшипниковые узлы в резиновом корпусе
        Подшипниковые узлы в резиновом корпусе
      • Подшипниковые узлы в стальном корпусе
        Подшипниковые узлы в стальном корпусе
      • Узлы в корпусе из высокопрочного чугуна
        Узлы в корпусе из высокопрочного чугуна
    Избранные товары 0
    Корзина 0
    TECHNIX (Техникс)
    Ваш город
    Москва
    +7 (812) 490-76-68
    +7 (812) 490-76-68
    zakaz@technix-rus.ru
    zakaz@technix-rus.ru
    Заказать звонок
    Скопировать адрес
    Избранные товары 0 Корзина 0
    TECHNIX (Техникс)
    Избранные товары 0 Корзина 0
    Телефоны
    +7 (812) 490-76-68
    zakaz@technix-rus.ru
    Заказать звонок
    • Каталог
      • Назад
      • Каталог
      • Системы линейного перемещения
        • Назад
        • Системы линейного перемещения
        • Каретки
          • Назад
          • Каретки
          • Гофрозащита для рельсовых направляющих
          • Картриджи
          • Уплотнения и скребки
        • Линейные направляющие
        • Линейные подшипники
          • Назад
          • Линейные подшипники
          • Линейные подшипники в сборе с корпусом
          • Линейные подшипники без корпуса
        • Валы
          • Назад
          • Валы
          • Валы с опорой
          • Валы без опоры
        • Опоры
      • Трапецеидальные гайки и винты
        • Назад
        • Трапецеидальные гайки и винты
        • Винты трапецеидальные
        • Гайки трапецеидальные
      • ШВП
        • Назад
        • ШВП
        • Винты ШВП
        • Гайки ШВП
        • Держатели для гаек
        • Опоры ШВП
      • Зубчатые рейки
      • Зубчатые колеса
        • Назад
        • Зубчатые колеса
        • Зубчатые колеса без ступицы
        • Зубчатые колеса со ступицей
        • Зубчатые колеса со ступицей с калеными зубьями
      • Звездочки
        • Назад
        • Звездочки
        • Двойные звездочки для однорядных цепей
        • Звездочки без ступицы под расточку
        • Звездочки под втулку тапербуш
        • Звездочки с калеными зубьями со ступицей
        • Звездочки со ступицей под расточку
        • Звездочки специального стандарта
        • Чугунные звездочки под втулку тапербуш
        • Чугунные звездочки под расточку
        • Звездочки-натяжители цепи
      • Шкивы
        • Назад
        • Шкивы
        • Шкивы зубчатые под втулку тапербуш
        • Шкивы клиновые под втулку тапербуш
        • Шкивы клиновые под расточку
        • Шкивы зубчатые под расточку
      • Подшипники
        • Назад
        • Подшипники
        • Подшипниковые узлы
        • Корпусные подшипники
        • Разъемные корпуса и комплектующие
          • Назад
          • Разъемные корпуса и комплектующие
          • Крышки
          • Уплотнения
          • Упорные кольца
          • Разъемные корпуса
        • Шариковые подшипники
        • Шарнирные наконечники
        • Закрепительные втулки
        • Шариковые опоры
        • Роликовые подшипники
        • Втулки скольжения
          • Назад
          • Втулки скольжения
          • Втулки скольжения с бронзовым покрытием
          • Втулки скольжения с бронзово-графитовым покрытием
          • Втулки скольжения спеченые бронзовые
        • Опорные ролики
        • Опорно-поворотные устройства (ОПУ)
          • Назад
          • Опорно-поворотные устройства (ОПУ)
          • ОПУ стандартные
          • ОПУ фланцевые
          • ОПУ с червячным приводом
        • Высокотемпературные подшипники
        • Низкотемпературные подшипники
        • Подшипники скольжения
        • Подшипники из нержавеющей стали
      • Соединительные муфты
        • Назад
        • Соединительные муфты
        • Виброгасящие муфты
        • Жесткие муфты
        • Сильфонные муфты
        • Спиральные муфты
      • Втулки
        • Назад
        • Втулки
        • Втулки тапербуш
        • Зажимные втулки
      • Элементы соединения
        • Назад
        • Элементы соединения
        • Камлоки
      • Смазки
      • Ступицы AGRO RIDER
        • Назад
        • Ступицы AGRO RIDER
        • Ступицы для дисковых борон
        • Ступицы для посевной техники
      • Подшипниковые узлы AGRO RIDER
        • Назад
        • Подшипниковые узлы AGRO RIDER
        • Подшипниковые узлы в корпусе из серого чугуна
        • Подшипниковые узлы в резиновом корпусе
        • Подшипниковые узлы в стальном корпусе
        • Узлы в корпусе из высокопрочного чугуна
    • Партнёрам
      • Назад
      • Партнёрам
      • О компании
      • Партнерская программа
      • Найти Дистрибьютора
      • Отраслевые решения
      • Каталоги
    • О покупке
    • Статьи
    • Каталоги PDF
    • Общая информация
      • Назад
      • Общая информация
      • Контакты
      • Реквизиты
      • Пользовательское соглашение
      • Новости
      • Статьи
      • Применение продукции
      • Помощь
    • Реквизиты
    • Новости
    • Задать вопрос
    • Москва
      • Назад
    • Личный кабинет
    • Корзина0
    • Избранные товары0
    • +7 (812) 490-76-68
      • Назад
      • Телефоны
      • +7 (812) 490-76-68
      • zakaz@technix-rus.ru
      • Заказать звонок
    Контактная информация
    zakaz@technix-rus.ru
    • Вконтакте
    • Telegram
    • Яндекс.Дзен

    Звездочки специального стандарта в Москве

    915
    Главная
    —
    Каталог
    —
    Звездочки
    —Звездочки специального стандарта
    Гайки ШВП
    Комплектующие для разъемных корпусов
    Подшипниковые узлы
    Каретки линейного перемещения
    Линейные подшипники без корпуса
    Линейные подшипники в сборе с корпусом
    Прецизионный вал без опоры
    Винты ШВП
    Линейные направляющие
    Зубчатые рейки для ЧПУ
    Разъемные корпуса 2 для подшипников
    Лабиринтные уплотнения разъёмных корпусов
    Торцевые крышки подшипников
    Гайки ШВП
    Комплектующие для разъемных корпусов
    Подшипниковые узлы
    Каретки линейного перемещения
    Линейные подшипники без корпуса
    Линейные подшипники в сборе с корпусом
    Прецизионный вал без опоры
    Винты ШВП
    Линейные направляющие
    Зубчатые рейки для ЧПУ
    Разъемные корпуса 2 для подшипников
    Лабиринтные уплотнения разъёмных корпусов
    Торцевые крышки подшипников
    Показать еще
    Фильтр
    По умолчанию (убывание)
    Кол-во товаров на странице
    10 20 30 60
    По популярности (убывание)
    По популярности (возрастание)
    По алфавиту (убывание)
    По алфавиту (возрастание)
    По цене (убывание)
    По цене (возрастание)
    По наличию (убывание)
    По наличию (возрастание)
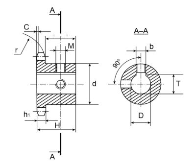
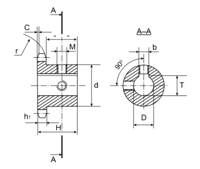
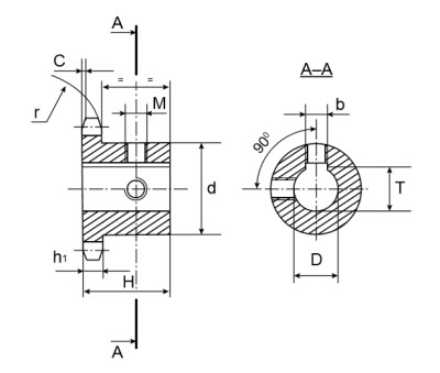
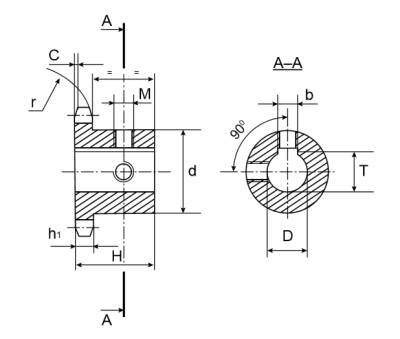
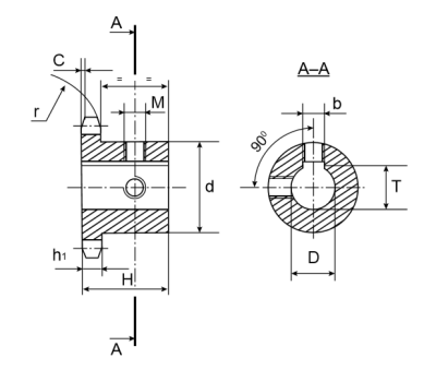
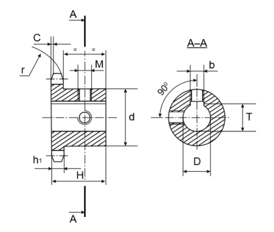
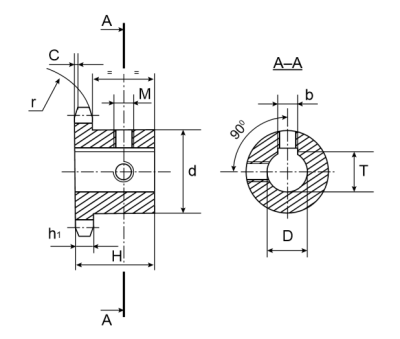
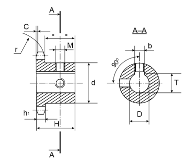
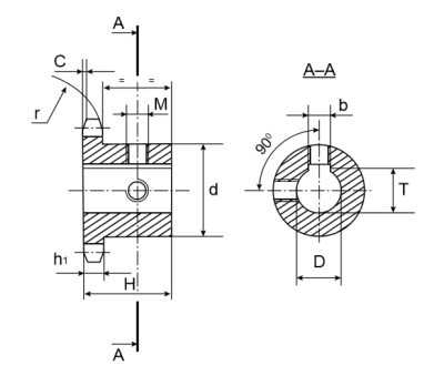
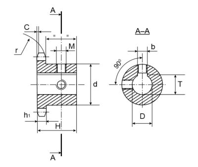
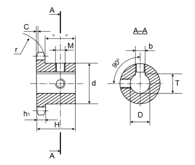
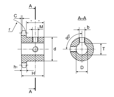
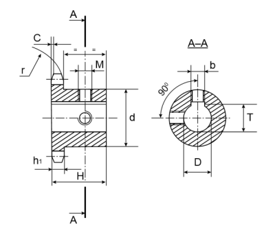
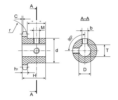
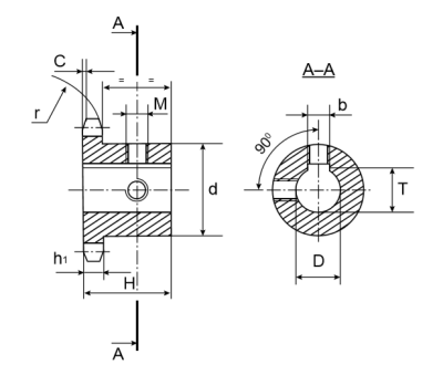
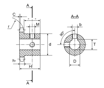
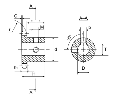
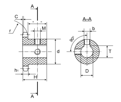
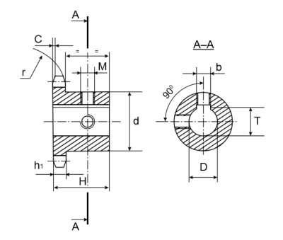
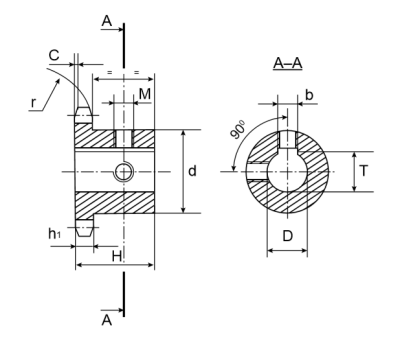
    Звездочки специального стандарта При разработке узкоспециализированного промышленного оборудования часто используются особые детали и механизмы, выполняющие определенные задачи. Одним из важных элементов цепных передач, используемых в производственных механизмах и агрегатах, являются звездочки специального стандарта со ступицей. Такие изделия имеют уникальную систему крепления с применением особых допусков и фиксации при помощи шпонки, благодаря чему звездочки специального стандарта надежно удерживаются на валу.

    Особенности звездочек специального стандарта

    Звездочки специального стандарта со ступицей изготавливаются из стали с высоким содержанием углерода, благодаря чему они прочные и долговечные. Для того чтобы сделать такие изделия более надежными, они подвергаются закалке в индукционных печах, позволяющей получить твердость 45-55 единиц по шкале Роквелла.

    Одна из ключевых особенностей их в том, что конструкцией предусмотрен шпоночный паз, который проходит по центральной линии зуба. Также имеется два отверстия с метрической резьбой для использования зажимных винтов, благодаря чему звездочка надежно удерживается на валу.

    Среди основных характеристик звездочек специального стандарта с втулкой, на которые необходимо обратить внимание при выборе, можно выделить:

    • Посадочный диаметр ступицы;
    • Количество зубьев и рядов, а также радиус, ширина и ширина фаски зуба;
    • Возможность последующей расточки;
    • Типоразмер цепи, с которой звездочка будет эксплуатироваться;
    • Высота и ширина шпоночного паза.

    Благодаря большому выбору звездочек специального стандарта со ступицей можно подобрать и купить полностью готовые к монтажу изделия, имеющие высокий класс точности.


    Купить звездочки специального назначения

    Купить в Санкт-Петербурге звездочки специального стандарта не так просто – далеко не все компании, производящие продажу комплектующих к промышленному оборудованию, да и цена таких изделий будет не самой низкой, так как их привезут под заказ. Но в нашей компании представлен большой выбор звездочек специального стандарта с втулкой по демократичной цене. Мы постоянно обновляем и расширяем ассортимент такой комплектации, поэтому в нашем каталоге можно найти самые разнообразные детали для современного оборудования. Наша компания производит продажу звездочек не только по Санкт-Петербургу и Ленинградской области, но и по всей территории РФ при помощи транспортных компаний, поэтому заказ доставляется клиентам в минимальные сроки.


    НоменклатураПрисоединенныеФайлы НоменклатураПрисоединенныеФайлы 1.png
    Звездочка специального стандарта со ступицей для цепи: 06B-1, 3/8" x 7/32", Z=16 05SA916 в Москве
    Арт.: 05SA916
    Под заказ
    Наши менеджеры обязательно свяжутся с вами и уточнят условия заказа
    НоменклатураПрисоединенныеФайлы НоменклатураПрисоединенныеФайлы 1.png
    Звездочка специального стандарта со ступицей для цепи: 06B-1, 3/8" x 7/32", Z=15 05SA915 в Москве
    Арт.: 05SA915
    Под заказ
    Наши менеджеры обязательно свяжутся с вами и уточнят условия заказа
    НоменклатураПрисоединенныеФайлы НоменклатураПрисоединенныеФайлы 1.png
    Звездочка специального стандарта со ступицей для цепи: 06B-1, 3/8" x 7/32", Z=14 05SA914 в Москве
    Арт.: 05SA914
    Под заказ
    Наши менеджеры обязательно свяжутся с вами и уточнят условия заказа
    НоменклатураПрисоединенныеФайлы НоменклатураПрисоединенныеФайлы 1.png
    Звездочка специального стандарта со ступицей для цепи: 06B-1, 3/8" x 7/32", Z=25 05SA825 в Москве
    Арт.: 05SA825
    Под заказ
    Наши менеджеры обязательно свяжутся с вами и уточнят условия заказа
    НоменклатураПрисоединенныеФайлы НоменклатураПрисоединенныеФайлы 1.png
    Звездочка специального стандарта со ступицей для цепи: 06B-1, 3/8" x 7/32", Z=24 05SA824 в Москве
    Арт.: 05SA824
    Под заказ
    Наши менеджеры обязательно свяжутся с вами и уточнят условия заказа
    НоменклатураПрисоединенныеФайлы НоменклатураПрисоединенныеФайлы 1.png
    Звездочка специального стандарта со ступицей для цепи: 06B-1, 3/8" x 7/32", Z=23 05SA823 в Москве
    Арт.: 05SA823
    Под заказ
    Наши менеджеры обязательно свяжутся с вами и уточнят условия заказа
    НоменклатураПрисоединенныеФайлы НоменклатураПрисоединенныеФайлы 1.png
    Звездочка специального стандарта со ступицей для цепи: 06B-1, 3/8" x 7/32", Z=22 05SA822 в Москве
    Арт.: 05SA822
    Под заказ
    Наши менеджеры обязательно свяжутся с вами и уточнят условия заказа
    НоменклатураПрисоединенныеФайлы НоменклатураПрисоединенныеФайлы 1.png
    Звездочка специального стандарта со ступицей для цепи: 06B-1, 3/8" x 7/32", Z=21 05SA821 в Москве
    Арт.: 05SA821
    Под заказ
    Наши менеджеры обязательно свяжутся с вами и уточнят условия заказа
    НоменклатураПрисоединенныеФайлы НоменклатураПрисоединенныеФайлы 1.png
    Звездочка специального стандарта со ступицей для цепи: 06B-1, 3/8" x 7/32", Z=20 05SA820 в Москве
    Арт.: 05SA820
    Под заказ
    Наши менеджеры обязательно свяжутся с вами и уточнят условия заказа
    НоменклатураПрисоединенныеФайлы НоменклатураПрисоединенныеФайлы 1.png
    Звездочка специального стандарта со ступицей для цепи: 06B-1, 3/8" x 7/32", Z=19 05SA819 в Москве
    Арт.: 05SA819
    Под заказ
    Наши менеджеры обязательно свяжутся с вами и уточнят условия заказа
    НоменклатураПрисоединенныеФайлы НоменклатураПрисоединенныеФайлы 1.png
    Звездочка специального стандарта со ступицей для цепи: 06B-1, 3/8" x 7/32", Z=18 05SA818 в Москве
    Арт.: 05SA818
    Под заказ
    Наши менеджеры обязательно свяжутся с вами и уточнят условия заказа
    НоменклатураПрисоединенныеФайлы НоменклатураПрисоединенныеФайлы 1.png
    Звездочка специального стандарта со ступицей для цепи: 06B-1, 3/8" x 7/32", Z=17 05SA817 в Москве
    Арт.: 05SA817
    Под заказ
    Наши менеджеры обязательно свяжутся с вами и уточнят условия заказа
    НоменклатураПрисоединенныеФайлы НоменклатураПрисоединенныеФайлы 1.png
    Звездочка специального стандарта со ступицей для цепи: 06B-1, 3/8" x 7/32", Z=16 05SA816 в Москве
    Арт.: 05SA816
    Под заказ
    Наши менеджеры обязательно свяжутся с вами и уточнят условия заказа
    НоменклатураПрисоединенныеФайлы НоменклатураПрисоединенныеФайлы 1.png
    Звездочка специального стандарта со ступицей для цепи: 06B-1, 3/8" x 7/32", Z=15 05SA815 в Москве
    Арт.: 05SA815
    Под заказ
    Наши менеджеры обязательно свяжутся с вами и уточнят условия заказа
    НоменклатураПрисоединенныеФайлы НоменклатураПрисоединенныеФайлы 1.png
    Звездочка специального стандарта со ступицей для цепи: 06B-1, 3/8" x 7/32", Z=14 05SA814 в Москве
    Арт.: 05SA814
    Под заказ
    Наши менеджеры обязательно свяжутся с вами и уточнят условия заказа
    НоменклатураПрисоединенныеФайлы НоменклатураПрисоединенныеФайлы 1.png
    Звездочка специального стандарта со ступицей для цепи: 06B-1, 3/8" x 7/32", Z=13 05SA813 в Москве
    Арт.: 05SA813
    Под заказ
    Наши менеджеры обязательно свяжутся с вами и уточнят условия заказа
    НоменклатураПрисоединенныеФайлы НоменклатураПрисоединенныеФайлы 1.png
    Звездочка специального стандарта со ступицей для цепи: 06B-1, 3/8" x 7/32", Z=12 05SA812 в Москве
    Арт.: 05SA812
    Под заказ
    Наши менеджеры обязательно свяжутся с вами и уточнят условия заказа
    НоменклатураПрисоединенныеФайлы НоменклатураПрисоединенныеФайлы 1.png
    Звездочка специального стандарта со ступицей для цепи: 06B-1, 3/8" x 7/32", Z=11 05SA811 в Москве
    Арт.: 05SA811
    Под заказ
    Наши менеджеры обязательно свяжутся с вами и уточнят условия заказа
    НоменклатураПрисоединенныеФайлы НоменклатураПрисоединенныеФайлы 1.png
    Звездочка специального стандарта со ступицей для цепи: 06B-1, 3/8" x 7/32", Z=25 05SA625 в Москве
    Арт.: 05SA625
    Под заказ
    Наши менеджеры обязательно свяжутся с вами и уточнят условия заказа
    НоменклатураПрисоединенныеФайлы НоменклатураПрисоединенныеФайлы 1.png
    Звездочка специального стандарта со ступицей для цепи: 06B-1, 3/8" x 7/32", Z=24 05SA624 в Москве
    Арт.: 05SA624
    Под заказ
    Наши менеджеры обязательно свяжутся с вами и уточнят условия заказа
    Показать еще
    1 ... 41 42 43 44 45 46
    Каталог
    • Системы линейного перемещения Системы линейного перемещения
      • Каретки Каретки
        • Гофрозащита для рельсовых направляющих
        • Картриджи
        • Уплотнения и скребки
      • Линейные направляющие Линейные направляющие
      • Линейные подшипники Линейные подшипники
        • Линейные подшипники в сборе с корпусом
        • Линейные подшипники без корпуса
      • Валы Валы
        • Валы с опорой
        • Валы без опоры
      • Опоры Опоры
    • Трапецеидальные гайки и винты Трапецеидальные гайки и винты
      • Винты трапецеидальные Винты трапецеидальные
      • Гайки трапецеидальные Гайки трапецеидальные
    • ШВП ШВП
      • Винты ШВП Винты ШВП
      • Гайки ШВП Гайки ШВП
      • Держатели для гаек Держатели для гаек
      • Опоры ШВП Опоры ШВП
    • Зубчатые рейки Зубчатые рейки
    • Зубчатые колеса Зубчатые колеса
      • Зубчатые колеса без ступицы Зубчатые колеса без ступицы
      • Зубчатые колеса со ступицей Зубчатые колеса со ступицей
      • Зубчатые колеса со ступицей с калеными зубьями Зубчатые колеса со ступицей с калеными зубьями
    • Звездочки Звездочки
      • Двойные звездочки для однорядных цепей Двойные звездочки для однорядных цепей
      • Звездочки без ступицы под расточку Звездочки без ступицы под расточку
      • Звездочки под втулку тапербуш Звездочки под втулку тапербуш
      • Звездочки с калеными зубьями со ступицей Звездочки с калеными зубьями со ступицей
      • Звездочки со ступицей под расточку Звездочки со ступицей под расточку
      • Звездочки специального стандарта Звездочки специального стандарта
      • Чугунные звездочки под втулку тапербуш Чугунные звездочки под втулку тапербуш
      • Чугунные звездочки под расточку Чугунные звездочки под расточку
      • Звездочки-натяжители цепи Звездочки-натяжители цепи
    • Шкивы Шкивы
      • Шкивы зубчатые под втулку тапербуш Шкивы зубчатые под втулку тапербуш
      • Шкивы клиновые под втулку тапербуш Шкивы клиновые под втулку тапербуш
      • Шкивы клиновые под расточку Шкивы клиновые под расточку
      • Шкивы зубчатые под расточку Шкивы зубчатые под расточку
    • Подшипники Подшипники
      • Подшипниковые узлы Подшипниковые узлы
      • Корпусные подшипники Корпусные подшипники
      • Разъемные корпуса и комплектующие Разъемные корпуса и комплектующие
        • Крышки
        • Уплотнения
        • Упорные кольца
        • Разъемные корпуса
      • Шариковые подшипники Шариковые подшипники
      • Шарнирные наконечники Шарнирные наконечники
      • Закрепительные втулки Закрепительные втулки
      • Шариковые опоры Шариковые опоры
      • Роликовые подшипники Роликовые подшипники
      • Втулки скольжения Втулки скольжения
        • Втулки скольжения с бронзовым покрытием
        • Втулки скольжения с бронзово-графитовым покрытием
        • Втулки скольжения спеченые бронзовые
      • Опорные ролики Опорные ролики
      • Опорно-поворотные устройства (ОПУ) Опорно-поворотные устройства (ОПУ)
        • ОПУ стандартные
        • ОПУ фланцевые
        • ОПУ с червячным приводом
      • Высокотемпературные подшипники Высокотемпературные подшипники
      • Низкотемпературные подшипники Низкотемпературные подшипники
      • Подшипники скольжения Подшипники скольжения
      • Подшипники из нержавеющей стали Подшипники из нержавеющей стали
    • Соединительные муфты Соединительные муфты
      • Виброгасящие муфты Виброгасящие муфты
      • Жесткие муфты Жесткие муфты
      • Сильфонные муфты Сильфонные муфты
      • Спиральные муфты Спиральные муфты
    • Втулки Втулки
      • Втулки тапербуш Втулки тапербуш
      • Зажимные втулки Зажимные втулки
    • Элементы соединения Элементы соединения
      • Камлоки Камлоки
    • Смазки Смазки
    • Ступицы AGRO RIDER Ступицы AGRO RIDER
      • Ступицы для дисковых борон
      • Ступицы для посевной техники Ступицы для посевной техники
    • Подшипниковые узлы AGRO RIDER Подшипниковые узлы AGRO RIDER
      • Подшипниковые узлы в корпусе из серого чугуна Подшипниковые узлы в корпусе из серого чугуна
      • Подшипниковые узлы в резиновом корпусе Подшипниковые узлы в резиновом корпусе
      • Подшипниковые узлы в стальном корпусе Подшипниковые узлы в стальном корпусе
      • Узлы в корпусе из высокопрочного чугуна Узлы в корпусе из высокопрочного чугуна
    • Подборки
      • Аналоги
        • Каретки hiwin (аналог)
        • Направляющие hiwin (аналог)
        • ШВП hiwin (аналог)
        • Линейные подшипники hiwin (аналог)
      • Цилиндрические направляющие
        • Цилиндрические валы
        • Цилиндрические линейные подшипники
        • Линейные направляющие оси
        • Валы для станков
        • Валы для ЧПУ
        • Валы для сверлильного станка
        • Валы для строгального станка
        • Валы на балансировочный станок
        • Валы на фуговальный станок
        • Валы для токарного станка
        • Валы для точильного станка
        • Валы для фрезерного станка
        • Валы прецизионные цилиндрические
      • Шарниры
        • Шарнирные соединения
        • Шарнирные головки
        • Сферические шарниры
        • Головки с внутренней резьбой
      • Направляющие ШВП
        • ШВП для ремонта станков
        • ШВП для фрезерных станков
        • ШВП для токарных станков
        • Опора ходового винта
        • Плавающие опоры валов
        • Опорные блоки для ходовых винтов
        • ШВП ось Z
        • ШВП оси Х
        • ШВП оси Y
        • Шариковые винты
      • Механика для 3д принтера
        • Направляющие для 3d принтера
        • Ходовые винты для 3д принтера
        • Каретки для 3д принтера
        • Подшипники для 3д принтера
      • Трапециевидные винтовые соединения
        • Ходовые винты
        • Винты для подъемника
        • Трапецеидальные валы
        • Болты трапецеидальные
        • Шпильки трапецеидальные
        • Для токарных станков
        • Бронзовые гайки ходового винта
        • Ходовые винты для тисков
        • Ходовые винты токарные
        • Винт ходовой с гайкой для тисков
        • Ходовые винты с гайкой
        • Гайки ходового винта для тисков
        • Ходовые винты для станков
        • Гайки для ходовых винтов
      • Подшипниковые блоки
        • Подшипниковые опоры
        • Подшипниковые узлы 205
        • Подшипниковые узлы 206
        • Подшипниковые узлы 207
        • Подшипниковые узлы 210
        • Подшипниковые узлы 209
        • Подшипниковые узлы 214
        • Подшипниковые узлы с фланцем
        • Подшипниковые узлы на лапах
        • Натяжные подшипниковые узлы
        • Стационарные подшипниковые узлы
        • Подшипниковые узлы UC
        • Подшипниковые узлы 208
        • Подшипниковые опоры UCP
        • Подшипники в оправе
        • Подшипниковые узлы разъемные
        • Подшипниковые узлы закрытые
        • Подшипниковые узлы конические
        • Подшипниковые узлы корпусные
        • Подшипниковые узлы вертикальных валов
        • Подшипниковые узлы конвейерные
        • Подшипниковые узлы квадратные
        • Подшипниковые узлы с овальным фланцем
        • Подшипниковые узлы редуктора
        • Подшипниковые узлы шариковые радиальные
        • Подшипниковые узлы радиальные
        • Упорные кольца внутренние
        • Подшипниковые узлы с осью
        • Осевые подшипниковые узлы
        • Линейная ось
        • Букса подшипника
      • Реечная передача
        • Рейки зубчатые прямозубые
        • Рейки шестеренчатые
      • Рельсовые направляющие валы
        • Линейные направляющие круглые
      • Направляющие подшипники
        • Линейные подшипники для ЧПУ
        • Линейные направляющие с подшипником
        • Линейные подшипники качения
        • Линейные подшипники скольжения
      • Рельсовые направляющие
        • Шариковые линейные направляющие
        • Цилиндрические рельсы
        • Направляющие промышленные
        • Профильные линейные направляющие
        • Линейные направляющие для ЧПУ
        • Рельсовые направляющие для станков
        • Линейные рельсовые направляющие
        • Направляющие для кареток
        • Линейные направляющие оси z
      • Подставки для вала
        • Крепления вала
        • Держатели вала
      • Гайки ходовые
        • Трапецеидальные гайки TR
      • Двухрядные подшипники
        • Двухрядные роликовые подшипники
      • Подшипник самоустанавливающийся двухрядный
        • Сферические подшипники
      • Шарикоподшипники качения
        • Однорядные шариковые подшипники
      • Линейные каретки
        • Линейные шариковые каретки
        • Узлы линейного перемещения
        • Линейные направляющие с каретками
        • Линейные подшипники роликовые
        • Опорные модули
      • 3D-печать 3D-печать
      • Металлургия Металлургия
      • Машиностроение и станкостроение Машиностроение и станкостроение
      • Деревообрабатывающая промышленность Деревообрабатывающая промышленность
        • Комплектующие к циркулярным пилам
      • Строительное оборудование Строительное оборудование
      • Робототехника Робототехника
    Фильтр
    Розничная цена
    0
    605
    1 210
    1 814
    2 419
    Шаг зубьев, мм
    Показать все
    Размер цепи
    Показать все
    Серия
    Показать все
    Применяемая цепь
    Показать все
    Материал
    Ступица
    Кол-во зубьев Z
    Показать все
    Выбрано 0 Показать
    Выбрано 0 Показать
    Будьте в курсе наших акций и новостей
    Подписаться
    Заказать звонок
    Задать вопрос
    Оставить отзыв
    Будьте в курсе наших предложений и новостей
    МЕНЮ
    О компании
    Каталоги
    Партнерская программа
    Найти дистрибьютора
    Оплата и доставка
    Гарантия и возврат
    База знаний
    Новости
    Проекты
    Реквизиты
    Контакты
    Карта сайта
    Вопрос - ответ
    Вакансии
    Соглашение на обработку персональных данных
    Специальная оценка условий труда (СОУТ)
    Продукция
    Системы линейного перемещения
    Трапецеидальные гайки и винты
    ШВП
    Зубчатые рейки
    Зубчатые колеса
    Звездочки
    Шкивы
    Подшипники
    Соединительные муфты
    Втулки
    Элементы соединения
    Смазки
    Ступицы AGRO RIDER
    Подшипниковые узлы AGRO RIDER
    ОТРАСЛЕВЫЕ РЕШЕНИЯ
    Легкая промышленность
    Деревообрабатывающая и целлюлозно-бумажная промышленность
    Горнодобывающая промышленность и производство стройматериалов
    Сельское хозяйство
    Пищевая промышленность
    Машиностроение и металлообработка
    +7 (812) 490-76-68
    Заказать звонок
    zakaz@technix-rus.ru
    • Вконтакте
    • Telegram
    • Яндекс.Дзен
    2019 – 2026 © TECHNIX JSC (АО "Техникс")

    Вся информация, предоставленная на сайте связанная с описанием технических параметров, наличием и ценой продукции - предназначена исключительно для ознакомления и не являются официальным предложением о заключении договора в соответствии с пунктом 2 статьи 437 Гражданского кодекса Российской Федерации. Чтобы получить более подробную информацию о товарах, их стоимости и условиях доставки, пожалуйста, свяжитесь с нами через форму обратной связи или по указанным контактным данным.