Арт.: 09SB816
                                                                                992 руб.
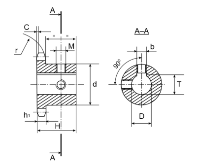
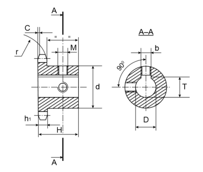
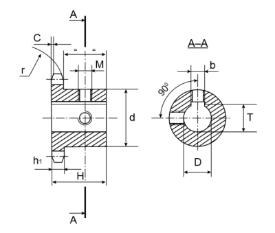
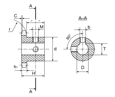
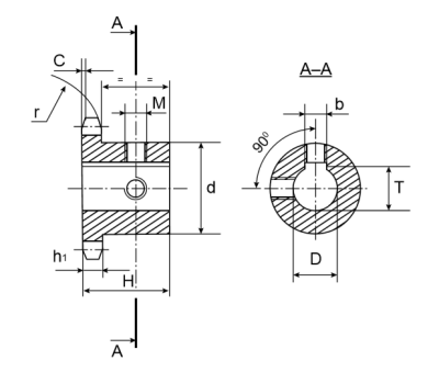
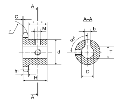
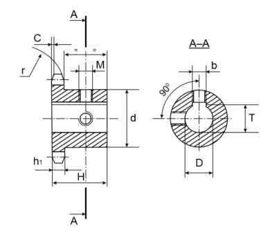
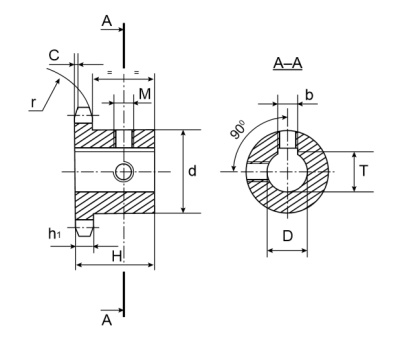
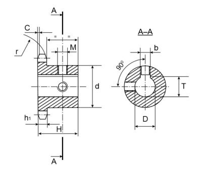
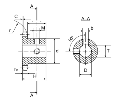
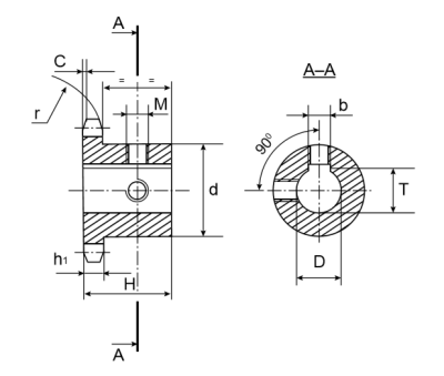
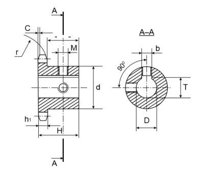
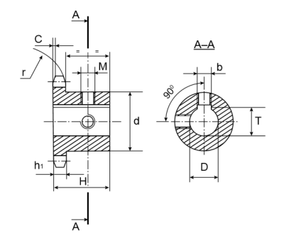
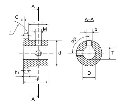
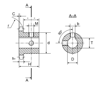
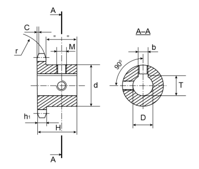
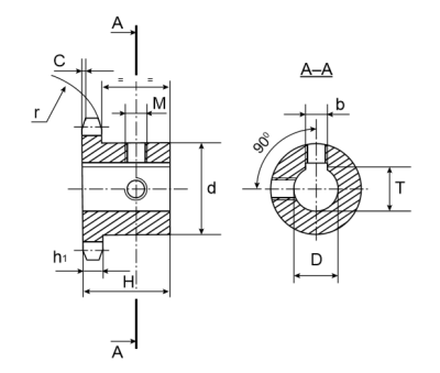
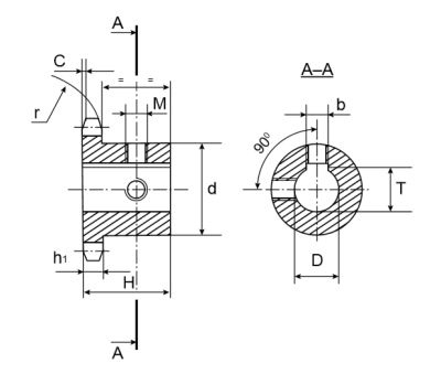
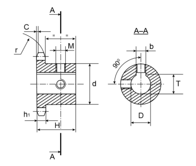
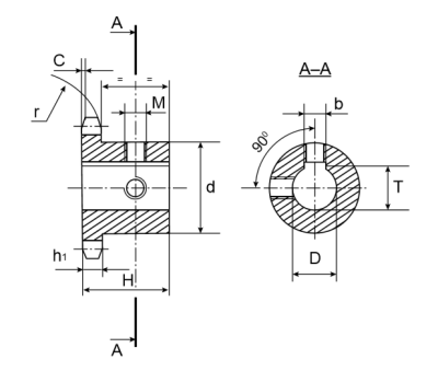
/шт                                                                    Звездочки специального стандарта со ступицей изготавливаются из стали с высоким содержанием углерода, благодаря чему они прочные и долговечные. Для того чтобы сделать такие изделия более надежными, они подвергаются закалке в индукционных печах, позволяющей получить твердость 45-55 единиц по шкале Роквелла.
Одна из ключевых особенностей их в том, что конструкцией предусмотрен шпоночный паз, который проходит по центральной линии зуба. Также имеется два отверстия с метрической резьбой для использования зажимных винтов, благодаря чему звездочка надежно удерживается на валу.
Среди основных характеристик звездочек специального стандарта с втулкой, на которые необходимо обратить внимание при выборе, можно выделить:
Благодаря большому выбору звездочек специального стандарта со ступицей можно подобрать и купить полностью готовые к монтажу изделия, имеющие высокий класс точности.
Купить в Санкт-Петербурге звездочки специального стандарта не так просто – далеко не все компании, производящие продажу комплектующих к промышленному оборудованию, да и цена таких изделий будет не самой низкой, так как их привезут под заказ. Но в нашей компании представлен большой выбор звездочек специального стандарта с втулкой по демократичной цене. Мы постоянно обновляем и расширяем ассортимент такой комплектации, поэтому в нашем каталоге можно найти самые разнообразные детали для современного оборудования. Наша компания производит продажу звездочек не только по Санкт-Петербургу и Ленинградской области, но и по всей территории РФ при помощи транспортных компаний, поэтому заказ доставляется клиентам в минимальные сроки.
            
															
												Системы линейного перемещения
						
					
											
									
															
												Трапецеидальные гайки и винты
						
					
											
									
															
												ШВП
						
					
											
									
															
												Зубчатые рейки
						
					
									
															
												Зубчатые колеса
						
					
											
									
															
												Звездочки
						
					
											
																							
										
																		
										Двойные звездочки для однорядных цепей
																			
																	
																							
										
																		
										Звездочки без ступицы под расточку
																			
																	
																							
										
																		
										Звездочки под втулку тапербуш
																			
																	
																							
										
																		
										Звездочки с калеными зубьями со ступицей
																			
																	
																							
										
																		
										Звездочки со ступицей под расточку
																			
																	
																							
										
																		
										Звездочки специального стандарта
																			
																	
																							
										
																		
										Чугунные звездочки под втулку тапербуш
																			
																	
																							
										
																		
										Чугунные звездочки под расточку
																			
																	
																							
										
																		
										Звездочки-натяжители цепи
																			
																	
															
												Шкивы
						
					
											
									
															
												Подшипники
						
					
											
																							
										
																		
										Подшипниковые узлы
																			
																	
																							
										
																		
										Корпусные подшипники
																			
																	
																							
										
																		
										Разъемные корпуса
																																
																			
																			
																	
																							
										
																		
										Шариковые подшипники
																			
																	
																							
										
																		
										Шарнирные наконечники
																			
																	
																							
										
																		
										Закрепительные втулки
																			
																	
																							
										
																		
										Шариковые опоры
																			
																	
																							
										
																		
										Роликовые подшипники
																			
																	
																							
										
																		
										Втулки скольжения
																																
																			
																			
																	
																							
										
																		
										Опорные ролики
																			
																	
																							
										
																		
										Опорно-поворотные устройства (ОПУ)
																																
																			
																			
																	
																							
										
																		
										Высокотемпературные подшипники
																			
																	
																							
										
																		
										Низкотемпературные подшипники
																			
																	
																							
										
																		
										Подшипники скольжения
																			
																	
																							
										
																		
										Подшипники из нержавеющей стали
																			
																	
															
												Соединительные муфты
						
					
											
									
															
												Втулки
						
					
											
									
															
												Элементы соединения
						
					
											
									
															
												Смазки
						
					
									
															
												Подшипники ГОСТ
						
					
											
									
															
												Ступицы AGRO RIDER
						
					
											
									
															
												Подшипниковые узлы AGRO RIDER
						
					
											
									
																							
										
																		
										3D-печать
																			
																	
																							
										
																		
										Металлургия
																			
																	
																							
										
																		
										Машиностроение и станкостроение
																			
																	
																							
										
																		
										Деревообрабатывающая промышленность
																																
																			
																			
																	
																							
										
																		
										Строительное оборудование
																			
																	
																							
										
																		
										Робототехника