Характеристики
Серия
—
KLPP
Наружный диаметр D, мм
—
430
Высота корпуса H1, мм
—
103
Все характеристики
Нет в наличии
Под заказ
Наши менеджеры обязательно свяжутся с вами и уточнят условия заказа
Заказать счет
Счет
Запросить консультацию по подбору
Консультация
Проверим совместимость, подберем аналог, уточним срок
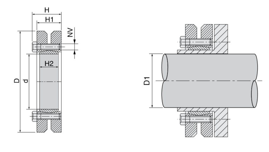
Зажимная втулка KLPP260 (PHF FX190-260x430) обеспечивает быстрый монтаж и демонтаж на вал электродвигателя различных элементов трансмиссии: кулачковых муфт, звездочек, клиновых и зубчатых шкивов. Благодаря конструкции равномерно распределяет нагрузку на вал и исключает биение между валом и приводимой в движение частью. Это увеличивает срок эксплуатации узла. Подходят для применения в агрегатах с высоким крутящим моментом. Материал – сталь.
Технические характеристики
Серия
KLPP
Материал
сталь C 45 E
Внутренний диаметр d, мм
260
Наружный диаметр D, мм
430
Высота корпуса H1, мм
103
Общая ширина H, мм
120
Крутящий момент затяжки винтов Tv, Nm
490
Передача осевой силы Та, KN
1760
Передаваемый крутящий момент Mt, Nm
164000
Общие характеристики
Производитель
TECHNIX
Службы доставки в ПВЗ:
- СДЭК
- Boxberry
- Яндекс Доставка
- DPD
Службы доставки курьером:
- Собственная служба доставки
- СДЭК
- Достависта
О самовывозе со склада
Вы можете самостоятельно забрать заказ в Санкт-Петербурге по адресу:
📍 Люботинский проспект, 5

