Характеристики
Серия
—
KLPP
Наружный диаметр D, мм
—
290
Высота корпуса H1, мм
—
71,0
Все характеристики
64 322 руб.
/шт Нет в наличии
Под заказ
Наши менеджеры обязательно свяжутся с вами и уточнят условия заказа
Заказать счет
Счет
Запросить консультацию по подбору
Консультация
Проверим совместимость, подберем аналог, уточним срок
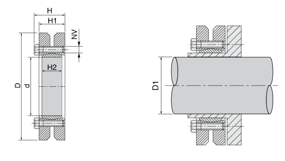
Зажимная втулка KLPP165 (PHF FX190-165x290) обеспечивает быстрый монтаж и демонтаж на вал электродвигателя различных элементов трансмиссии: кулачковых муфт, звездочек, клиновых и зубчатых шкивов. Благодаря конструкции равномерно распределяет нагрузку на вал и исключает биение между валом и приводимой в движение частью. Это увеличивает срок эксплуатации узла. Подходят для применения в агрегатах с высоким крутящим моментом. Материал – сталь.
Технические характеристики
Серия
KLPP
Материал
сталь C 45 E
Внутренний диаметр d, мм
165
Наружный диаметр D, мм
290
Высота корпуса H1, мм
71,0
Высота ступицы H2, мм
56
Общая ширина H, мм
81,0
Крутящий момент затяжки винтов Tv, Nm
250
Давление зажимной втулки на вал Pa, N/мм2
263
Передача осевой силы Та, KN
674,0
729,0
780,0
Передаваемый крутящий момент Mt, Nm
38750
43750
48750
Винт NV
М16х55
Общие характеристики
Производитель
TECHNIX
Службы доставки в ПВЗ:
- СДЭК
- Boxberry
- Яндекс Доставка
- DPD
Службы доставки курьером:
- Собственная служба доставки
- СДЭК
- Достависта
О самовывозе со склада
Вы можете самостоятельно забрать заказ в Санкт-Петербурге по адресу:
📍 Люботинский проспект, 5

