Характеристики
Серия
—
KLNN
Наружный диаметр D, мм
—
11
Высота корпуса H1, мм
—
3,7
Все характеристики
432 руб.
/шт Нет в наличии
Под заказ
Наши менеджеры обязательно свяжутся с вами и уточнят условия заказа
Заказать счет
Счет
Запросить консультацию по подбору
Консультация
Проверим совместимость, подберем аналог, уточним срок
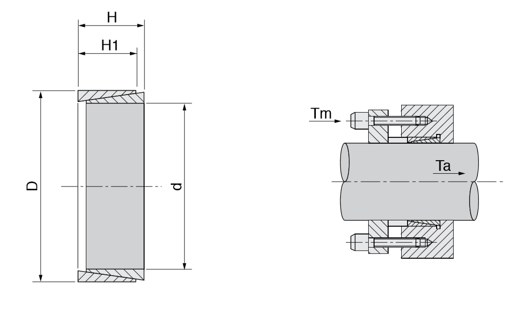
Зажимная втулка KLNN008 (PHF FX30-8x11) обеспечивает быстрый монтаж и демонтаж на вал электродвигателя различных элементов трансмиссии: кулачковых муфт, звездочек, клиновых и зубчатых шкивов. Благодаря конструкции равномерно распределяет нагрузку на вал и исключает биение между валом и приводимой в движение частью. Это увеличивает срок эксплуатации узла. Подходят для применения в агрегатах с высоким крутящим моментом. Материал – сталь.
Технические характеристики
Серия
KLNN
Материал
сталь C 45 E
Внутренний диаметр d, мм
8
Наружный диаметр D, мм
11
Высота корпуса H1, мм
3,7
Общая ширина H, мм
4,5
Давление зажимной втулки на ступицу Pm, N/мм2
70
Давление зажимной втулки на вал Pa, N/мм2
100
Передача осевой силы Та, KN
1,06
Передаваемый крутящий момент Mt, Nm
4,2
Общие характеристики
Производитель
TECHNIX
Службы доставки в ПВЗ:
- СДЭК
- Boxberry
- Яндекс Доставка
- DPD
Службы доставки курьером:
- Собственная служба доставки
- СДЭК
- Достависта
О самовывозе со склада
Вы можете самостоятельно забрать заказ в Санкт-Петербурге по адресу:
📍 Люботинский проспект, 5

