Характеристики
Серия
—
KLMM
Внутренний диаметр d, мм
—
15
Производитель
—
TECHNIX
Все характеристики
1 462 руб.
/шт Нет в наличии
Под заказ
Наши менеджеры обязательно свяжутся с вами и уточнят условия заказа
Заказать счет
Счет
Запросить консультацию по подбору
Консультация
Проверим совместимость, подберем аналог, уточним срок
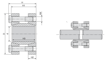
Зажимная втулка KLMM015 (PHF FX130-15x45) обеспечивает быстрый монтаж и демонтаж на вал электродвигателя различных элементов трансмиссии: кулачковых муфт, звездочек, клиновых и зубчатых шкивов. Благодаря конструкции равномерно распределяет нагрузку на вал и исключает биение между валом и приводимой в движение частью. Это увеличивает срок эксплуатации узла. Подходят для применения в агрегатах с высоким крутящим моментом. Материал – сталь.
Технические характеристики
Серия
KLMM
Материал
сталь C 45 E
Внутренний диаметр d, мм
15
Общие характеристики
Производитель
TECHNIX
Службы доставки в ПВЗ:
- СДЭК
- Boxberry
- Яндекс Доставка
- DPD
Службы доставки курьером:
- Собственная служба доставки
- СДЭК
- Достависта
О самовывозе со склада
Вы можете самостоятельно забрать заказ в Санкт-Петербурге по адресу:
📍 Люботинский проспект, 5

