Характеристики
Серия
—
KLFC
Наружный диаметр D, мм
—
45
Высота корпуса H1, мм
—
8
Все характеристики
1 456 руб.
/шт Нет в наличии
Под заказ
Наши менеджеры обязательно свяжутся с вами и уточнят условия заказа
Заказать счет
Счет
Запросить консультацию по подбору
Консультация
Проверим совместимость, подберем аналог, уточним срок
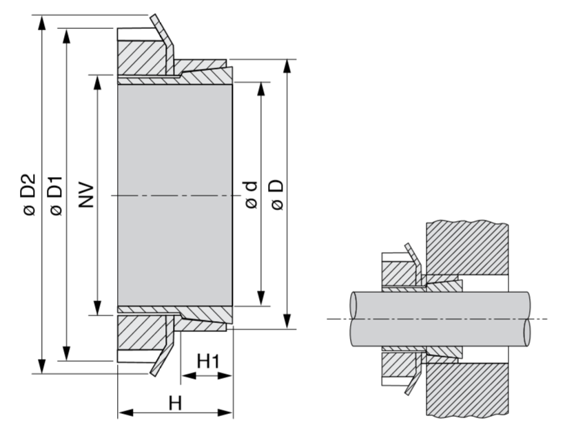
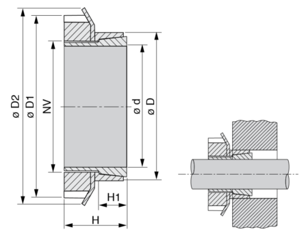
Зажимная втулка KLFC035 (PHF FX80-35x45) обеспечивает быстрый монтаж и демонтаж на вал электродвигателя различных элементов трансмиссии: кулачковых муфт, звездочек, клиновых и зубчатых шкивов. Благодаря конструкции равномерно распределяет нагрузку на вал и исключает биение между валом и приводимой в движение частью. Это увеличивает срок эксплуатации узла. Подходят для применения в агрегатах с высоким крутящим моментом. Материал – сталь.
Технические характеристики
Серия
KLFC
Материал
сталь C 45 E
Внутренний диаметр d, мм
35
Наружный диаметр D, мм
45
Высота корпуса H1, мм
8
Общая ширина H, мм
22
Крутящий момент затяжки винтов Tv, Nm
480
Давление зажимной втулки на ступицу Pm, N/мм2
155
Давление зажимной втулки на вал Pa, N/мм2
199
Передача осевой силы Та, KN
19
Передаваемый крутящий момент Mt, Nm
331
Винт NV
М40х1,5
Общие характеристики
Производитель
TECHNIX
Службы доставки в ПВЗ:
- СДЭК
- Boxberry
- Яндекс Доставка
- DPD
Службы доставки курьером:
- Собственная служба доставки
- СДЭК
- Достависта
О самовывозе со склада
Вы можете самостоятельно забрать заказ в Санкт-Петербурге по адресу:
📍 Люботинский проспект, 5

