Характеристики
Серия
—
KLDB
Наружный диаметр D, мм
—
190
Высота корпуса H1, мм
—
84
Все характеристики
26 114 руб.
/шт Нет в наличии
Под заказ
Наши менеджеры обязательно свяжутся с вами и уточнят условия заказа
Заказать счет
Счет
Запросить консультацию по подбору
Консультация
Проверим совместимость, подберем аналог, уточним срок
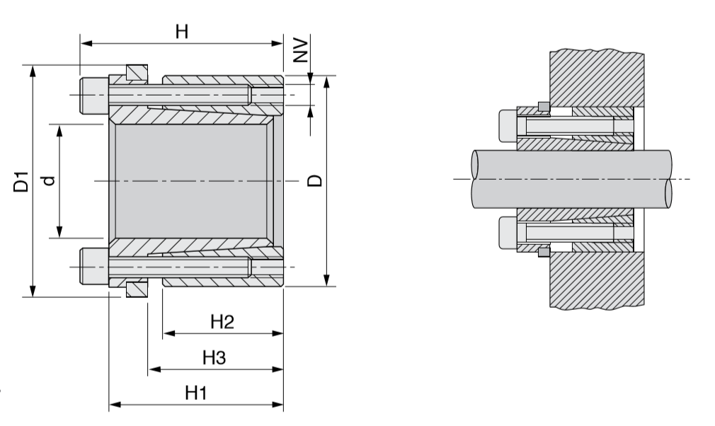
Зажимная втулка KLDB140 обеспечивает быстрый монтаж и демонтаж на вал электродвигателя различных элементов трансмиссии: кулачковых муфт, звездочек, клиновых и зубчатых шкивов. Благодаря конструкции равномерно распределяет нагрузку на вал и исключает биение между валом и приводимой в движение частью. Это увеличивает срок эксплуатации узла. Подходят для применения в агрегатах с высоким крутящим моментом. Материал – сталь.
Технические характеристики
Серия
KLDB
Материал
сталь C 45 E
Внутренний диаметр d, мм
140
Наружный диаметр D, мм
190
Высота корпуса H1, мм
84
Высота ступицы H2, мм
51
Общая ширина H, мм
98
Крутящий момент затяжки винтов Tv, Nm
230
Давление зажимной втулки на ступицу Pm, N/мм2
75
Давление зажимной втулки на вал Pa, N/мм2
102
Передача осевой силы Та, KN
248
Передаваемый крутящий момент Mt, Nm
17328
Винт NV
М14х45
Кол-во винтов для усиленных нагрузок
8
Общие характеристики
Производитель
TECHNIX
Службы доставки в ПВЗ:
- СДЭК
- Boxberry
- Яндекс Доставка
- DPD
Службы доставки курьером:
- Собственная служба доставки
- СДЭК
- Достависта
О самовывозе со склада
Вы можете самостоятельно забрать заказ в Санкт-Петербурге по адресу:
📍 Люботинский проспект, 5

