Характеристики
Серия
—
KLDB
Наружный диаметр D, мм
—
155
Высота корпуса H1, мм
—
77
Все характеристики
16 440 руб.
/шт Нет в наличии
Под заказ
Наши менеджеры обязательно свяжутся с вами и уточнят условия заказа
Заказать счет
Счет
Запросить консультацию по подбору
Консультация
Проверим совместимость, подберем аналог, уточним срок
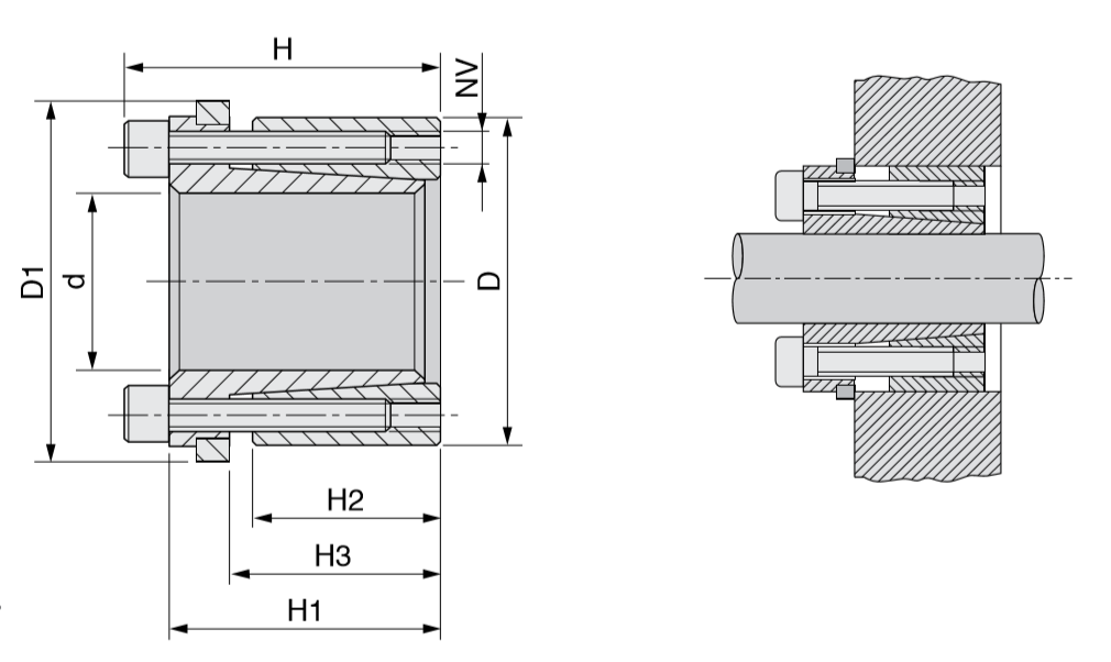
Зажимная втулка KLDB110 обеспечивает быстрый монтаж и демонтаж на вал электродвигателя различных элементов трансмиссии: кулачковых муфт, звездочек, клиновых и зубчатых шкивов. Благодаря конструкции равномерно распределяет нагрузку на вал и исключает биение между валом и приводимой в движение частью. Это увеличивает срок эксплуатации узла. Подходят для применения в агрегатах с высоким крутящим моментом. Материал – сталь.
Технические характеристики
Серия
KLDB
Материал
сталь C 45 E
Внутренний диаметр d, мм
110
Наружный диаметр D, мм
155
Высота корпуса H1, мм
77
Высота ступицы H2, мм
46
Общая ширина H, мм
89
Крутящий момент затяжки винтов Tv, Nm
145
Давление зажимной втулки на ступицу Pm, N/мм2
75
Давление зажимной втулки на вал Pa, N/мм2
106
Передача осевой силы Та, KN
182
Передаваемый крутящий момент Mt, Nm
10015
Винт NV
М12х45
Кол-во винтов для усиленных нагрузок
8
Общие характеристики
Производитель
TECHNIX
Службы доставки в ПВЗ:
- СДЭК
- Boxberry
- Яндекс Доставка
- DPD
Службы доставки курьером:
- Собственная служба доставки
- СДЭК
- Достависта
О самовывозе со склада
Вы можете самостоятельно забрать заказ в Санкт-Петербурге по адресу:
📍 Люботинский проспект, 5

