Характеристики
Серия
—
KLDB
Наружный диаметр D, мм
—
135
Высота корпуса H1, мм
—
62
Все характеристики
10 686 руб.
/шт Нет в наличии
Под заказ
Наши менеджеры обязательно свяжутся с вами и уточнят условия заказа
Заказать счет
Счет
Запросить консультацию по подбору
Консультация
Проверим совместимость, подберем аналог, уточним срок
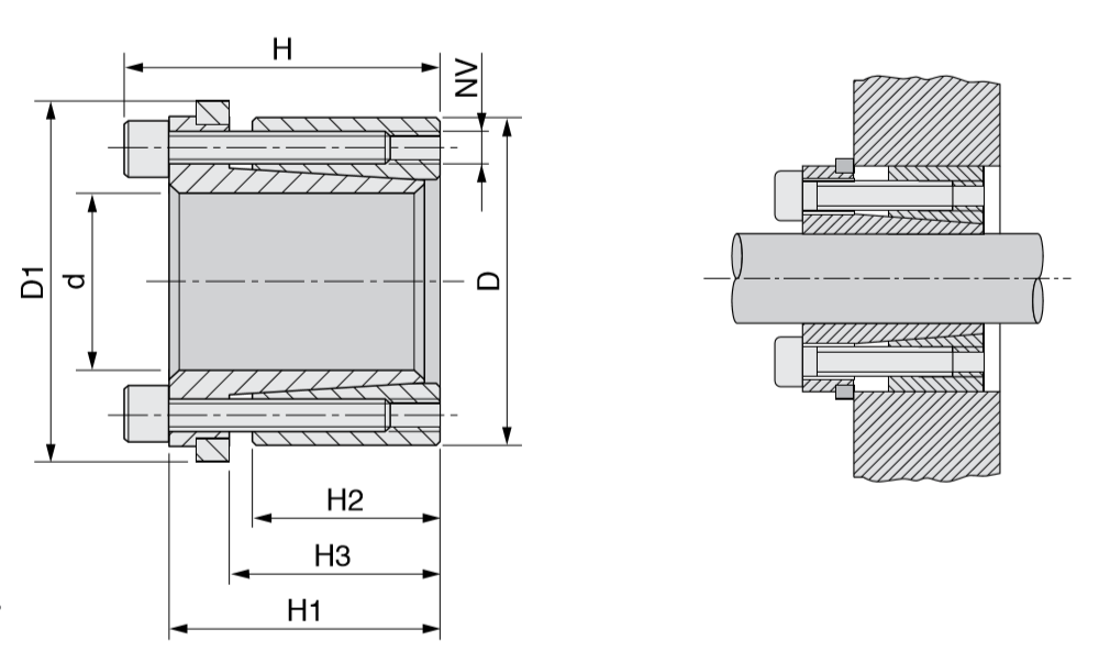
Зажимная втулка KLDB095 обеспечивает быстрый монтаж и демонтаж на вал электродвигателя различных элементов трансмиссии: кулачковых муфт, звездочек, клиновых и зубчатых шкивов. Благодаря конструкции равномерно распределяет нагрузку на вал и исключает биение между валом и приводимой в движение частью. Это увеличивает срок эксплуатации узла. Подходят для применения в агрегатах с высоким крутящим моментом. Материал – сталь.
Технические характеристики
Серия
KLDB
Материал
сталь C 45 E
Внутренний диаметр d, мм
95
Наружный диаметр D, мм
135
Высота корпуса H1, мм
62
Высота ступицы H2, мм
40
Общая ширина H, мм
72
Крутящий момент затяжки винтов Tv, Nm
83
Давление зажимной втулки на ступицу Pm, N/мм2
85
Давление зажимной втулки на вал Pa, N/мм2
121
Передача осевой силы Та, KN
156
Передаваемый крутящий момент Mt, Nm
7433
Винт NV
М10х35
Кол-во винтов для усиленных нагрузок
10
Общие характеристики
Производитель
TECHNIX
Службы доставки в ПВЗ:
- СДЭК
- Boxberry
- Яндекс Доставка
- DPD
Службы доставки курьером:
- Собственная служба доставки
- СДЭК
- Достависта
О самовывозе со склада
Вы можете самостоятельно забрать заказ в Санкт-Петербурге по адресу:
📍 Люботинский проспект, 5

