Характеристики
Серия
—
KLCC
Наружный диаметр D, мм
—
125
Высота корпуса H1, мм
—
102
Все характеристики
23 264 руб.
/шт Нет в наличии
Под заказ
Наши менеджеры обязательно свяжутся с вами и уточнят условия заказа
Заказать счет
Счет
Запросить консультацию по подбору
Консультация
Проверим совместимость, подберем аналог, уточним срок
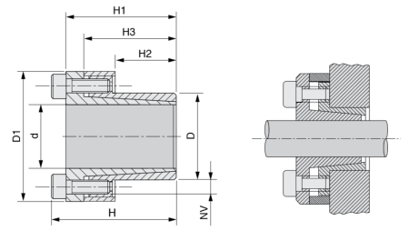
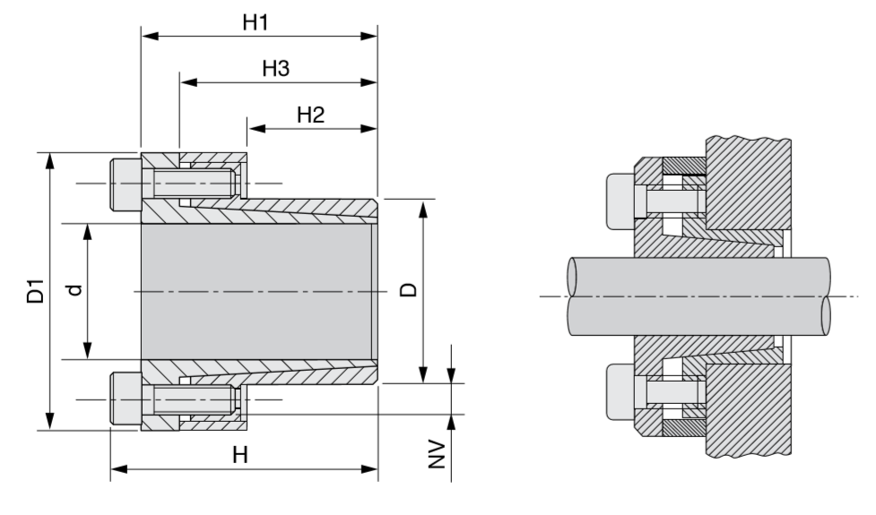
Зажимная втулка KLCC100 (PHF FX20-100x125) обеспечивает быстрый монтаж и демонтаж на вал электродвигателя различных элементов трансмиссии: кулачковых муфт, звездочек, клиновых и зубчатых шкивов. Благодаря конструкции равномерно распределяет нагрузку на вал и исключает биение между валом и приводимой в движение частью. Это увеличивает срок эксплуатации узла. Подходят для применения в агрегатах с высоким крутящим моментом. Материал – сталь.
Технические характеристики
Серия
KLCC
Материал
сталь C 45 E
Внутренний диаметр d, мм
100
Наружный диаметр D, мм
125
Высота корпуса H1, мм
102
Высота ступицы H2, мм
65
Общая ширина H, мм
114
Крутящий момент затяжки винтов Tv, Nm
145
Давление зажимной втулки на ступицу Pm, N/мм2
99
Давление зажимной втулки на вал Pa, N/мм2
124
Передача осевой силы Та, KN
273
Передаваемый крутящий момент Mt, Nm
13651
Винт NV
М12х30
Кол-во винтов для усиленных нагрузок
12
Общие характеристики
Производитель
TECHNIX
Службы доставки в ПВЗ:
- СДЭК
- Boxberry
- Яндекс Доставка
- DPD
Службы доставки курьером:
- Собственная служба доставки
- СДЭК
- Достависта
О самовывозе со склада
Вы можете самостоятельно забрать заказ в Санкт-Петербурге по адресу:
📍 Люботинский проспект, 5

