Характеристики
Серия
—
KLCC
Наружный диаметр D, мм
—
90
Высота корпуса H1, мм
—
91
Все характеристики
8 529 руб.
/шт Нет в наличии
Под заказ
Наши менеджеры обязательно свяжутся с вами и уточнят условия заказа
Заказать счет
Счет
Запросить консультацию по подбору
Консультация
Проверим совместимость, подберем аналог, уточним срок
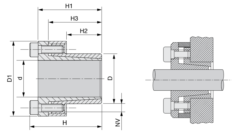
Зажимная втулка KLCC070 (PHF FX20-70x90) обеспечивает быстрый монтаж и демонтаж на вал электродвигателя различных элементов трансмиссии: кулачковых муфт, звездочек, клиновых и зубчатых шкивов. Благодаря конструкции равномерно распределяет нагрузку на вал и исключает биение между валом и приводимой в движение частью. Это увеличивает срок эксплуатации узла. Подходят для применения в агрегатах с высоким крутящим моментом. Материал – сталь.
Технические характеристики
Серия
KLCC
Материал
сталь C 45 E
Внутренний диаметр d, мм
70
Наружный диаметр D, мм
90
Высота корпуса H1, мм
91
Высота ступицы H2, мм
60
Общая ширина H, мм
101
Крутящий момент затяжки винтов Tv, Nm
84
Давление зажимной втулки на ступицу Pm, N/мм2
69
Давление зажимной втулки на вал Pa, N/мм2
89
Передача осевой силы Та, KN
127
Передаваемый крутящий момент Mt, Nm
4430
Винт NV
М10х25
Кол-во винтов для усиленных нагрузок
8
Общие характеристики
Производитель
TECHNIX
Службы доставки в ПВЗ:
- СДЭК
- Boxberry
- Яндекс Доставка
- DPD
Службы доставки курьером:
- Собственная служба доставки
- СДЭК
- Достависта
О самовывозе со склада
Вы можете самостоятельно забрать заказ в Санкт-Петербурге по адресу:
📍 Люботинский проспект, 5

