Характеристики
Серия
—
KLAB
Наружный диаметр D, мм
—
325
Высота корпуса H1, мм
—
72
Все характеристики
Нет в наличии
Под заказ
Наши менеджеры обязательно свяжутся с вами и уточнят условия заказа
Заказать счет
Счет
Запросить консультацию по подбору
Консультация
Проверим совместимость, подберем аналог, уточним срок
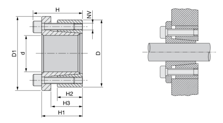
Зажимная втулка KLAB260 (PHF FX51-260x325) обеспечивает быстрый монтаж и демонтаж на вал электродвигателя различных элементов трансмиссии: кулачковых муфт, звездочек, клиновых и зубчатых шкивов. Благодаря конструкции равномерно распределяет нагрузку на вал и исключает биение между валом и приводимой в движение частью. Это увеличивает срок эксплуатации узла. Подходят для применения в агрегатах с высоким крутящим моментом. Материал – сталь.
Технические характеристики
Серия
KLAB
Материал
сталь C 45 E
Внутренний диаметр d, мм
260
Наружный диаметр D, мм
325
Высота корпуса H1, мм
72
Высота ступицы H2, мм
50
Общая ширина H, мм
88
Крутящий момент затяжки винтов Tv, Nm
360
Давление зажимной втулки на ступицу Pm, N/мм2
127
Давление зажимной втулки на вал Pa, N/мм2
159
Передача осевой силы Та, KN
778
Передаваемый крутящий момент Mt, Nm
101200
Винт NV
М14х40
Кол-во винтов для усиленных нагрузок
18
Общие характеристики
Производитель
TECHNIX
Службы доставки в ПВЗ:
- СДЭК
- Boxberry
- Яндекс Доставка
- DPD
Службы доставки курьером:
- Собственная служба доставки
- СДЭК
- Достависта
О самовывозе со склада
Вы можете самостоятельно забрать заказ в Санкт-Петербурге по адресу:
📍 Люботинский проспект, 5

