Характеристики
Серия
—
KLAA
Наружный диаметр D, мм
—
225
Высота корпуса H1, мм
—
64
Все характеристики
26 700 руб.
/шт Нет в наличии
Под заказ
Наши менеджеры обязательно свяжутся с вами и уточнят условия заказа
Заказать счет
Счет
Запросить консультацию по подбору
Консультация
Проверим совместимость, подберем аналог, уточним срок
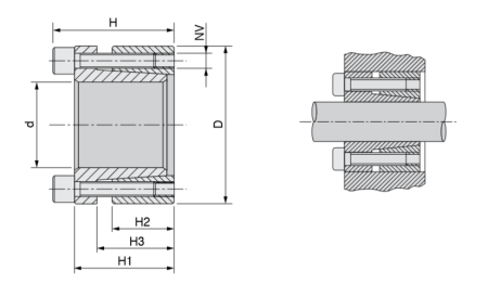
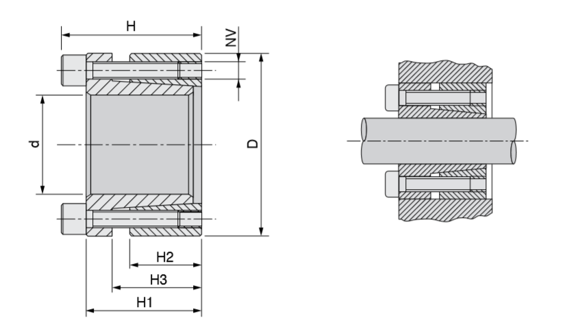
Зажимная втулка KLAA170 (PHF FX41-170x225) обеспечивает быстрый монтаж и демонтаж на вал электродвигателя различных элементов трансмиссии: кулачковых муфт, звездочек, клиновых и зубчатых шкивов. Благодаря конструкции равномерно распределяет нагрузку на вал и исключает биение между валом и приводимой в движение частью. Это увеличивает срок эксплуатации узла. Подходят для применения в агрегатах с высоким крутящим моментом. Материал – сталь.
Технические характеристики
Серия
KLAA
Материал
сталь C 45 E
Внутренний диаметр d, мм
170
Наружный диаметр D, мм
225
Высота корпуса H1, мм
64
Высота ступицы H2, мм
44
Общая ширина H, мм
78
Крутящий момент затяжки винтов Tv, Nm
170
Давление зажимной втулки на ступицу Pm, N/мм2
115
Давление зажимной втулки на вал Pa, N/мм2
153
Передача осевой силы Та, KN
387
Передаваемый крутящий момент Mt, Nm
32929
Винт NV
М14х40
Кол-во винтов для усиленных нагрузок
12
Общие характеристики
Производитель
TECHNIX
Службы доставки в ПВЗ:
- СДЭК
- Boxberry
- Яндекс Доставка
- DPD
Службы доставки курьером:
- Собственная служба доставки
- СДЭК
- Достависта
О самовывозе со склада
Вы можете самостоятельно забрать заказ в Санкт-Петербурге по адресу:
📍 Люботинский проспект, 5

