Характеристики
Серия
—
KLAA
Наружный диаметр D, мм
—
180
Высота корпуса H1, мм
—
52
Все характеристики
16 538 руб.
/шт Нет в наличии
Под заказ
Наши менеджеры обязательно свяжутся с вами и уточнят условия заказа
Заказать счет
Счет
Запросить консультацию по подбору
Консультация
Проверим совместимость, подберем аналог, уточним срок
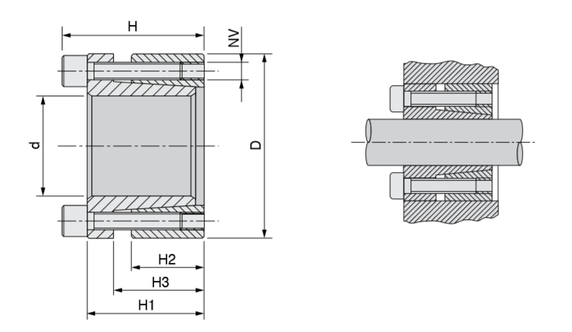
Зажимная втулка KLAA130 (PHF FX41-130x180) обеспечивает быстрый монтаж и демонтаж на вал электродвигателя различных элементов трансмиссии: кулачковых муфт, звездочек, клиновых и зубчатых шкивов. Благодаря конструкции равномерно распределяет нагрузку на вал и исключает биение между валом и приводимой в движение частью. Это увеличивает срок эксплуатации узла. Подходят для применения в агрегатах с высоким крутящим моментом. Материал – сталь.
Технические характеристики
Серия
KLAA
Материал
сталь C 45 E
Внутренний диаметр d, мм
130
Наружный диаметр D, мм
180
Высота корпуса H1, мм
52
Высота ступицы H2, мм
34
Общая ширина H, мм
64
Крутящий момент затяжки винтов Tv, Nm
110
Давление зажимной втулки на ступицу Pm, N/мм2
141
Давление зажимной втулки на вал Pa, N/мм2
195
Передача осевой силы Та, KN
292
Передаваемый крутящий момент Mt, Nm
18996
Винт NV
М12х35
Кол-во винтов для усиленных нагрузок
12
Общие характеристики
Производитель
TECHNIX
Службы доставки в ПВЗ:
- СДЭК
- Boxberry
- Яндекс Доставка
- DPD
Службы доставки курьером:
- Собственная служба доставки
- СДЭК
- Достависта
О самовывозе со склада
Вы можете самостоятельно забрать заказ в Санкт-Петербурге по адресу:
📍 Люботинский проспект, 5

