Характеристики
Серия
—
KLAA
Наружный диаметр D, мм
—
125
Высота корпуса H1, мм
—
40
Все характеристики
6 952 руб.
/шт Нет в наличии
Под заказ
Наши менеджеры обязательно свяжутся с вами и уточнят условия заказа
Заказать счет
Счет
Запросить консультацию по подбору
Консультация
Проверим совместимость, подберем аналог, уточним срок
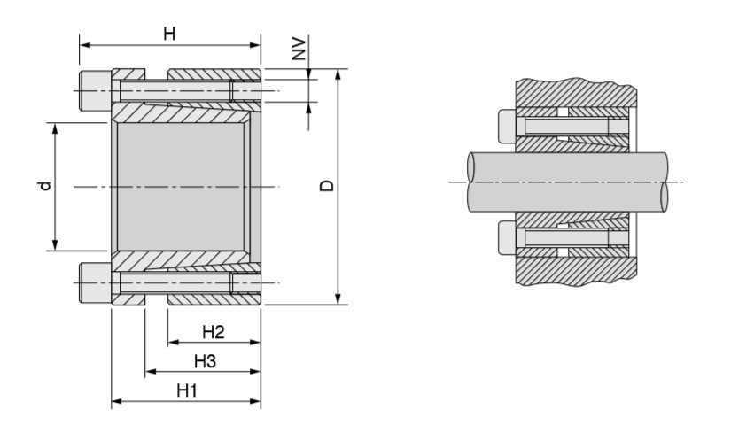
Зажимная втулка KLAA085 (PHF FX41-85x125) обеспечивает быстрый монтаж и демонтаж на вал электродвигателя различных элементов трансмиссии: кулачковых муфт, звездочек, клиновых и зубчатых шкивов. Благодаря конструкции равномерно распределяет нагрузку на вал и исключает биение между валом и приводимой в движение частью. Это увеличивает срок эксплуатации узла. Подходят для применения в агрегатах с высоким крутящим моментом. Материал – сталь.
Технические характеристики
Серия
KLAA
Материал
сталь C 45 E
Внутренний диаметр d, мм
85
Наружный диаметр D, мм
125
Высота корпуса H1, мм
40
Высота ступицы H2, мм
24
Общая ширина H, мм
50
Крутящий момент затяжки винтов Tv, Nm
65
Давление зажимной втулки на ступицу Pm, N/мм2
153
Давление зажимной втулки на вал Pa, N/мм2
225
Передача осевой силы Та, KN
156
Передаваемый крутящий момент Mt, Nm
6610
Винт NV
М10х30
Кол-во винтов для усиленных нагрузок
9
Общие характеристики
Производитель
TECHNIX
Службы доставки в ПВЗ:
- СДЭК
- Boxberry
- Яндекс Доставка
- DPD
Службы доставки курьером:
- Собственная служба доставки
- СДЭК
- Достависта
О самовывозе со склада
Вы можете самостоятельно забрать заказ в Санкт-Петербурге по адресу:
📍 Люботинский проспект, 5

