Артикул:
SNL508607TECHNIX
Характеристики
Ширина B, мм
—
60
Серия
—
SNL
Применяемое уплотнение
—
TSNG 508, TSNG 508L
Все характеристики
Аналоги
Аналог SKF:
SNL508-607
Аналог INA:
SNL508-607
Аналог FAG:
SNV508-607
Нет в наличии
Под заказ
Наши менеджеры обязательно свяжутся с вами и уточнят условия заказа
Заказать счет
Счет
Запросить консультацию по подбору
Консультация
Проверим совместимость, подберем аналог, уточним срок
Разъёмный корпус SNL508-607 износостойкий и прочный. Сделан из литого чугуна. Защищен от попадания инородных предметов системой уплотнителей. Самоустанавливающийся: центрируется в процессе монтажа. Это позволяет сгладить неточности и достичь соосности. Благодаря разъемной конструкции позволяет использовать различные виды подшипников и систем уплотнения.
Техническая информация (.pdf)
Габариты
Ширина B, мм
60
Технические характеристики
Серия
SNL
Материал
чугун
Применяемое уплотнение
TSNG 508, TSNG 508L
Применяемый подшипник автоматического выравнивания
1208K, 2208K, 22208K
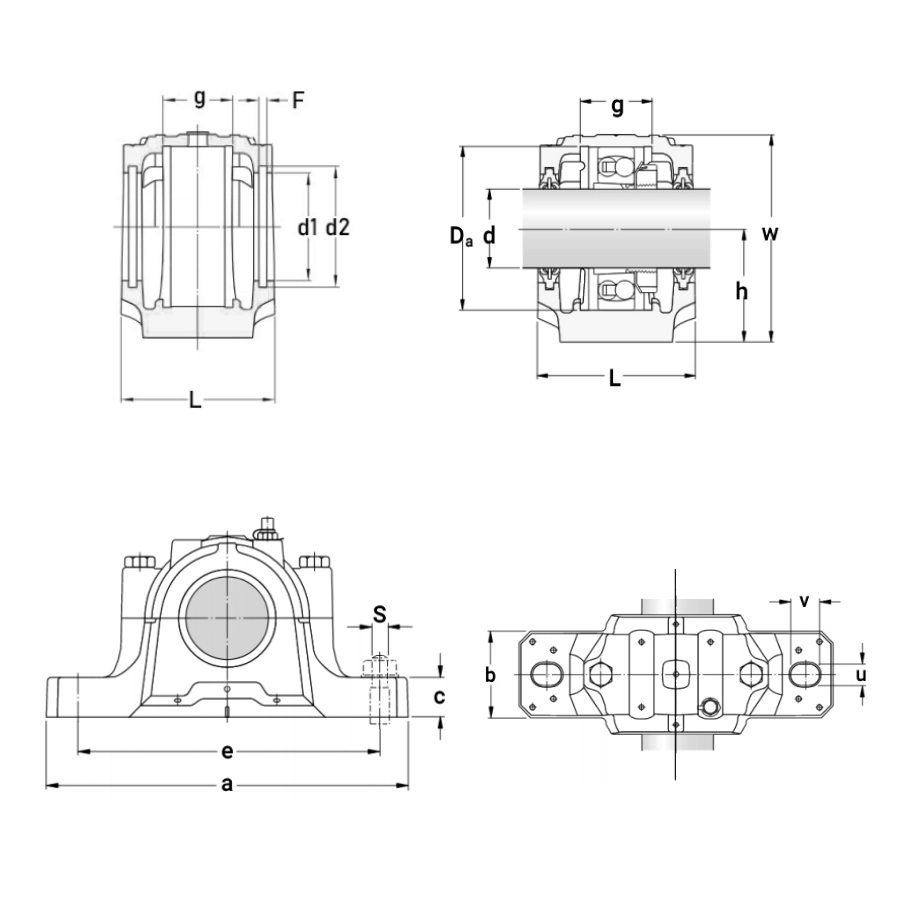
Высота оси вала от опорной поверхности h, мм
60
Высота W, мм
108
Длина a, мм
205
Крепежный винт S
M10x50
Диаметр вала d, мм
35
Ширина внутреннего диаметра отверстия корпуса под уплотнение F, мм
5
Ширина крепежного отверстия, u мм
15
Длина крепежного отверстия v, мм
20
Высота лапы корпуса c, мм
25
Стопорное кольцо
SR 80x10,5, SR 80x8
Ширина посадочного места подшипника g, мм
39
Диаметр посадочного места подшипника Da, мм
80
Ширина подшипника, мм
18, 23
Применяемая крышка
SNL 508-607
Межцентровое расстояние крепежных отверстий e, мм
170
Диаметр отверстия корпуса под уплотнение d1, мм
51,5
Количество стопорных колец
2
Применяемая втулка
H208, H308
Общие характеристики
Производитель
TECHNIX
35
Службы доставки в ПВЗ:
- СДЭК
- Boxberry
- Яндекс Доставка
- DPD
Службы доставки курьером:
- Собственная служба доставки
- СДЭК
- Достависта
О самовывозе со склада
Вы можете самостоятельно забрать заказ в Санкт-Петербурге по адресу:
📍 Люботинский проспект, 5
Статьи

