Разъемный корпус SNL507-606 – высокопрочный чугунный подшипниковый корпус стационарного типа с разъемной конструкцией для валов диаметром 30 мм. Обеспечивает надежную фиксацию и защиту самоустанавливающихся шарико- и роликоподшипников в промышленном оборудовании.
Конструкция
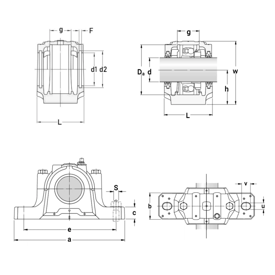
Корпус изготовлен методом литья из высококачественного серого чугуна с превосходными демпфирующими свойствами. Состоит из усиленного основания с двумя крепежными отверстиями и съемной крышки, соединяемых высокопрочными болтами М10. Разъемная конструкция позволяет устанавливать и заменять подшипники без демонтажа вала, что критически важно для минимизации простоев оборудования. Посадочное место диаметром 72 мм обеспечивает совместимость с подшипниками серий 1207К, 2207К, 22207К, 1306К, 2306К, 21306К на закрепительных втулках H207, H307, H306. Высота оси вала от опорной поверхности составляет 50 мм, межцентровое расстояние крепежных отверстий – 150 мм, длина корпуса – 185 мм, общая высота – 93 мм.
Применяемость на практике
Корпус SNL507-606 применяется для создания подшипниковых узлов на горизонтальных и наклонных валах в условиях радиальных нагрузок. Эффективен в запыленной и влажной среде благодаря возможности установки различных типов уплотнений. Упрощенная конструкция облегчает центровку, монтаж и обслуживание подшипникового узла, исключая риски перекосов и преждевременного износа при работе на высоких оборотах. Масса корпуса составляет 2,4 кг, что обеспечивает удобство при монтажных работах.
Сферы применения
- Конвейерные системы
- Элеваторное оборудование
- Металлургические прокатные станы
- Горнодобывающие дробилки и мельницы
- Вентиляционные установки
- Насосные станции
- Деревообрабатывающие станки
- Целлюлозно-бумажное производство
Службы доставки в ПВЗ:
- СДЭК
- Boxberry
- Яндекс Доставка
- DPD
Службы доставки курьером:
- Собственная служба доставки
- СДЭК
- Достависта
Подробнее о доставке транспортными компаниями:
1. Доставка через СДЭК
СДЭК – это удобная и быстрая доставка по всей России. Вы можете выбрать один из вариантов:
- Доставка до пункта выдачи – ваш заказ будет доставлен в ближайший к вам офис СДЭК, где его можно забрать в удобное время.- Курьерская доставка – заказ привезут прямо к вам домой или в офис.
Сроки доставки зависят от региона и рассчитываются индивидуально при оформлении заказа.*
2. Доставка транспортной компанией «Деловые Линии»
Если вам требуется перевозка крупногабаритного или тяжелого груза, мы рекомендуем транспортную компанию «Деловые Линии».
- Доставка возможна в большинство населенных пунктов России.- Вы можете выбрать удобный терминал для самовывоза или заказать адресную доставку.
Стоимость рассчитывается индивидуально в зависимости от веса, габаритов и региона.*
О самовывозе со склада
Вы можете самостоятельно забрать заказ в Санкт-Петербурге по адресу:
📍 Люботинский проспект, 5
Преимущества самовывоза:
✔️ Возможность проверить товар перед получением.
✔️ Отсутствие затрат на доставку.
✔️ Гибкий график выдачи.
✔️ Возможность оплаты заказа банковской картой при получении заказа.
Перед приездом на склад обязательно уточните наличие товара у менеджера.
Доставка осуществляется в пределах территорий Российской Федерации и Республики Беларусь.
*обращаем Ваше внимание, что стоимость доставки рассчитывается согласно тарификациям транспортных компаний и курьерских служб.

