Характеристики
Серия
—
UKF
Типоразмер
?
Типоразмер - это стандартный размер изделия (или группы однотипных изделий), задающий его габариты и основные параметры формы.
—
211
Внутренний диаметр d, мм
—
50
Все характеристики
5 080 руб.
/шт Нет в наличии
Под заказ
Наши менеджеры обязательно свяжутся с вами и уточнят условия заказа
Заказать счет
Счет
Запросить консультацию по подбору
Консультация
Проверим совместимость, подберем аналог, уточним срок
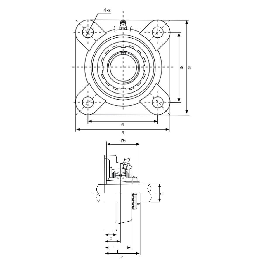
Подшипниковый узел UKF211+H2311 состоит из фланцевого корпуса F211, подшипника UKF211 и втулки H2311. В отличие от серии UC, крепится с помощью зажимной втулки. Узлы серии UKF имеют квадратную форму фланца. Опорная поверхность идёт строго перпендикулярно оси вращения самого подшипника. Предназначена для работы при больших скоростях вращения с необходимостью обратного хода. Отличается малошумностью. Через специальное устройство – нипель – можно производить смазку. Корпус чугунный, подшипник стальной.
Техническая информация (.pdf)
Подшипниковые узлы серии UKF...
516,9 кб
Технические характеристики
Серия
UKF
Типоразмер
?
Типоразмер - это стандартный размер изделия (или группы однотипных изделий), задающий его габариты и основные параметры формы.
211
Материал
чугун СЧ20
Внутренний диаметр d, мм
50
Межцентровое расстояние креплений на корпусе e, мм
130
Длина и ширина корпуса a, мм
162
Высота крепежной площадки g, мм
20
Допустимая динамическая нагрузка C, N
41230
Внутренняя глубина подшипника Bi, мм
59
Допустимая статическая нагрузка Co, N
27930
Размер от нижнего края корпуса до середины шарика i, мм
25
Высота корпуса l, мм
43
Общая высота подшипникового узла z, мм
54,5
Длина корпуса a, мм
162
Применяемый подшипник
UK
Применяемая втулка
H2311
Применяемый корпус
FL
Крепежный винт
M16
Общие характеристики
Производитель
TECHNIX
Службы доставки в ПВЗ:
- СДЭК
- Boxberry
- Яндекс Доставка
- DPD
Службы доставки курьером:
- Собственная служба доставки
- СДЭК
- Достависта
О самовывозе со склада
Вы можете самостоятельно забрать заказ в Санкт-Петербурге по адресу:
📍 Люботинский проспект, 5
Статьи

