Артикул:
UCP320LIGHTTECHNIX
Характеристики
Серия
—
UCP
Внутренний диаметр d, мм
—
100
Производитель
—
TECHNIX
Все характеристики
Нет в наличии
Под заказ
Наши менеджеры обязательно свяжутся с вами и уточнят условия заказа
Заказать счет
Счет
Запросить консультацию по подбору
Консультация
Проверим совместимость, подберем аналог, уточним срок
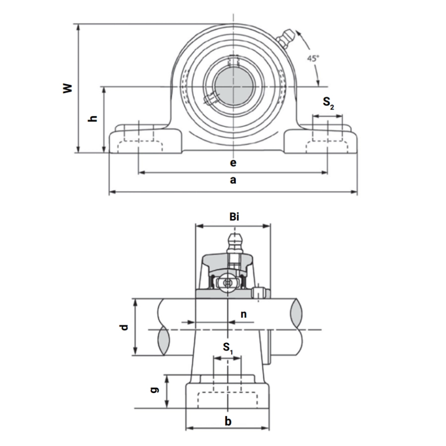
Технические характеристики
Серия
UCP
Типоразмер
?
Типоразмер - это стандартный размер изделия (или группы однотипных изделий), задающий его габариты и основные параметры формы.
320
Материал
чугун СЧ20
Внутренний диаметр d, мм
100
Межцентровое расстояние креплений на корпусе e, мм
380
Высота крепежной площадки g, мм
50
Внутренняя глубина подшипника Bi, мм
108
Высота от основания до середины центра оси подшипника h, мм
140
Размер от края подшипника до середины шарика n, мм
42
Диаметр крепежного отверстия S1, мм
36
Ширина крепежного отверстия S2, мм
50
Длина корпуса a, мм
490
Ширина корпуса b, мм
120
Длина корпуса w, мм
275
Применяемый подшипник
UC
Применяемый корпус
P
Крепежный винт
M30
Общие характеристики
Производитель
TECHNIX
Службы доставки в ПВЗ:
- СДЭК
- Boxberry
- Яндекс Доставка
- DPD
Службы доставки курьером:
- Собственная служба доставки
- СДЭК
- Достависта
О самовывозе со склада
Вы можете самостоятельно забрать заказ в Санкт-Петербурге по адресу:
📍 Люботинский проспект, 5
Статьи

