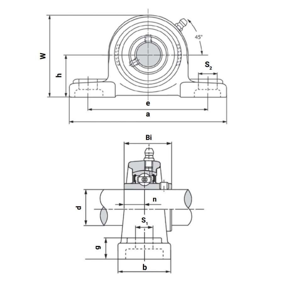
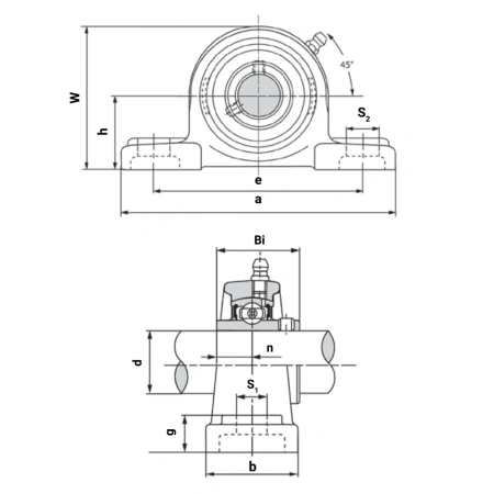
Подшипниковый узел UCP203 TECHNIX — корпусной узел на лапах с корпусным подшипником UC203 для вала 17 мм. Чугунный корпус P203 и самоустанавливающаяся вставка обеспечивают надежное крепление вала и восприятие радиальных нагрузок с возможностью компенсации его небольшого перекоса.
Устройство и конструкция
Узел состоит из чугунного корпуса P203 с двумя крепежными отверстиями под винт М10 и корпусного подшипника UC203 с удлиненным внутренним кольцом и фиксирующими винтами. Встроенный смазочный ниппель М6х1 и двусторонние защитные шайбы обеспечивают долговечность и защиту подшипника от загрязнений.

Расшифровка наименования
- UC — корпусной подшипник вставной серии для корпусных узлов.
- P — корпус на лапах (плуммер-блок) с двумя крепежными отверстиями.
- 203 — типоразмер для вала 17 мм: длина корпуса 127 мм, межосевое расстояние крепежных отверстий 95 мм, высота центра вала от основания 30,2 мм, вес узла около 0,68 кг.
Применяемость на практике
UCP203 применяют как опору для приводных, промежуточных и редукторных валов легких и средних агрегатов. Компактный размер и самоустанавливающаяся конструкция позволяют использовать узел в условиях незначительной несоосности вала, упрощая монтаж и повышая надежность работы станков, вентиляторов и малых механизмов.
Сферы применения
- конвейерные линии и транспортёрные системы
- дерево- и металлообрабатывающие станки
- сельскохозяйственное и пищевое оборудование
- вентиляторные и насосные установки
- общее машиностроительное и промышленное оборудование
Службы доставки в ПВЗ:
- СДЭК
- Boxberry
- Яндекс Доставка
- DPD
Службы доставки курьером:
- Собственная служба доставки
- СДЭК
- Достависта
Подробнее о доставке транспортными компаниями:
1. Доставка через СДЭК
СДЭК – это удобная и быстрая доставка по всей России. Вы можете выбрать один из вариантов:
- Доставка до пункта выдачи – ваш заказ будет доставлен в ближайший к вам офис СДЭК, где его можно забрать в удобное время.- Курьерская доставка – заказ привезут прямо к вам домой или в офис.
Сроки доставки зависят от региона и рассчитываются индивидуально при оформлении заказа.*
2. Доставка транспортной компанией «Деловые Линии»
Если вам требуется перевозка крупногабаритного или тяжелого груза, мы рекомендуем транспортную компанию «Деловые Линии».
- Доставка возможна в большинство населенных пунктов России.- Вы можете выбрать удобный терминал для самовывоза или заказать адресную доставку.
Стоимость рассчитывается индивидуально в зависимости от веса, габаритов и региона.*
О самовывозе со склада
Вы можете самостоятельно забрать заказ в Санкт-Петербурге по адресу:
📍 Люботинский проспект, 5
Преимущества самовывоза:
✔️ Возможность проверить товар перед получением.
✔️ Отсутствие затрат на доставку.
✔️ Гибкий график выдачи.
✔️ Возможность оплаты заказа банковской картой при получении заказа.
Перед приездом на склад обязательно уточните наличие товара у менеджера.
Доставка осуществляется в пределах территорий Российской Федерации и Республики Беларусь.
*обращаем Ваше внимание, что стоимость доставки рассчитывается согласно тарификациям транспортных компаний и курьерских служб.

