Характеристики
Серия
—
UCP
Типоразмер
?
Типоразмер - это стандартный размер изделия (или группы однотипных изделий), задающий его габариты и основные параметры формы.
—
201
Внутренний диаметр d, мм
—
12
Все характеристики
Аналоги
Аналог SKF:
SY12 TF
Аналог INA:
RASEY12
Аналог Boca Bearing:
UCP201
Аналог NSK:
UCP201
320 руб.
/шт Есть в наличии: 30
В корзину
Заказать счет
Счет
Запросить консультацию по подбору
Консультация
Проверим совместимость, подберем аналог, уточним срок
Рассчитать доставку
Узел подшипниковый UCP-201 выдерживает высокие радиальные нагрузки. Подшипниковые узлы серии UCP самоцентрирующиеся и имеют возможность применения консистентной смазки. Корпус чугунный, подшипник стальной.
ОСОБЕННОСТИ КОНСТРУКЦИИ
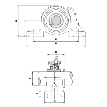
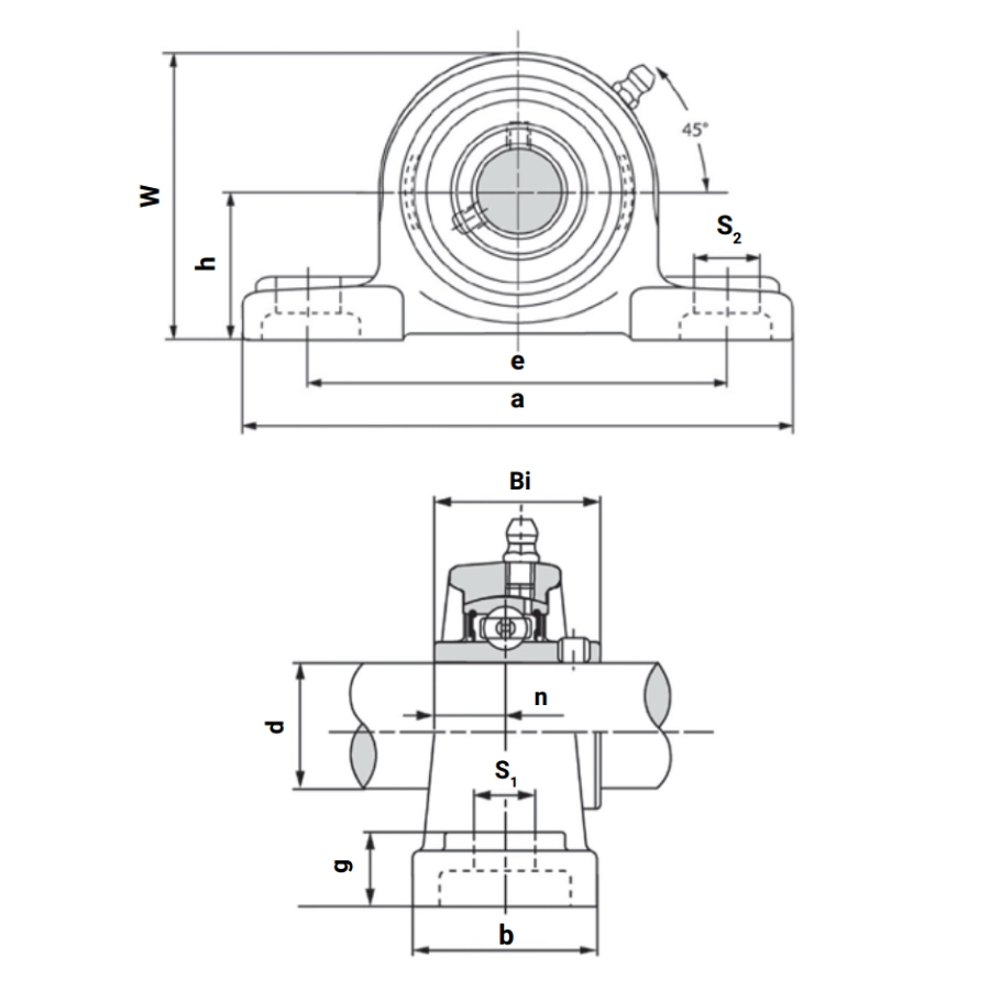
Подшипниковый узел UCP201 представляет собой литой корпус из серого чугуна с размещенным в нем шариковым подшипником. Оси вращения выполнены строго перпендикулярно опорной плоскости основания, благодаря чему установка валов может производиться без дополнительной подгонки. Закрепление последних во внутренней обойме выполняется болтовым соединением.
Монтаж самого подшипникового узла UCP201 на агрегатах осуществляется при помощи пары технологических отверстий, расположенных на выступающих лапах, что позволяет размещать его в местах, изначально не имеющих посадочных гнезд. Для увеличения срока службы устройства и уменьшения трения при работе предусмотрена система подачи консистентной смазки через тавотницу, находящуюся в верхней части корпуса под углом 45° к основанию.
ПРИМЕНЕНИЕ
Из-за своей надежности и продолжительного срока службы подшипник корпусный UCP201 широко применяется в различных сферах, в том числе в:
• дерево- и металлообрабатывающих станках;
• конвейерах;
• упаковочных машинах;
• оборудовании для легкой промышленности;
• производственных и сборочных линиях;
• сельскохозяйственных машинах и агрегатах.
Компания Technix предлагает купить подшипниковый узел UCP201 напрямую от производителя в Санкт-Петербурге или с доставкой в любой другой город России. Мы реализуем промышленные комплектующие по оптимальным ценам и в нужном вам количестве.
ОСОБЕННОСТИ КОНСТРУКЦИИ
Подшипниковый узел UCP201 представляет собой литой корпус из серого чугуна с размещенным в нем шариковым подшипником. Оси вращения выполнены строго перпендикулярно опорной плоскости основания, благодаря чему установка валов может производиться без дополнительной подгонки. Закрепление последних во внутренней обойме выполняется болтовым соединением.
Монтаж самого подшипникового узла UCP201 на агрегатах осуществляется при помощи пары технологических отверстий, расположенных на выступающих лапах, что позволяет размещать его в местах, изначально не имеющих посадочных гнезд. Для увеличения срока службы устройства и уменьшения трения при работе предусмотрена система подачи консистентной смазки через тавотницу, находящуюся в верхней части корпуса под углом 45° к основанию.

ПРИМЕНЕНИЕ
Из-за своей надежности и продолжительного срока службы подшипник корпусный UCP201 широко применяется в различных сферах, в том числе в:
• дерево- и металлообрабатывающих станках;
• конвейерах;
• упаковочных машинах;
• оборудовании для легкой промышленности;
• производственных и сборочных линиях;
• сельскохозяйственных машинах и агрегатах.
Компания Technix предлагает купить подшипниковый узел UCP201 напрямую от производителя в Санкт-Петербурге или с доставкой в любой другой город России. Мы реализуем промышленные комплектующие по оптимальным ценам и в нужном вам количестве.
Технические характеристики
Серия
UCP
Типоразмер
?
Типоразмер - это стандартный размер изделия (или группы однотипных изделий), задающий его габариты и основные параметры формы.
201
Материал
чугун СЧ20
Внутренний диаметр d, мм
12
Применяемый подшипник
UC
Применяемый корпус
P
Общие характеристики
Производитель
TECHNIX
Службы доставки в ПВЗ:
- СДЭК
- Boxberry
- Яндекс Доставка
- DPD
Службы доставки курьером:
- Собственная служба доставки
- СДЭК
- Достависта
О самовывозе со склада
Вы можете самостоятельно забрать заказ в Санкт-Петербурге по адресу:
📍 Люботинский проспект, 5
Статьи

