О товаре
Опора вала SK60TECHNIX — крупнейшая промышленная опора серии SK для направляющих валов диаметром 60 мм, применяемая в сверхтяжёлом станочном и технологическом оборудовании с экстремальными нагрузками. Опора обеспечивает жёсткое крепление вала к несущей конструкции и сохраняет точность работы системы при непрерывных интенсивных режимах эксплуатации и максимальных динамических воздействиях.
SK60TECHNIX входит в серию SK вертикальных опор параллельного крепления и представляет собой максимальное по грузоподъёмности решение для крупногабаритных промышленных систем, где направляющие валы диаметром 60 мм формируют основу для перемещения сверхтяжёлых узлов и выдерживают экстремальные радиальные, осевые и моментные нагрузки в течение длительных непрерывных рабочих циклов.
Расшифровка артикула
Артикул SK60TECHNIX соответствует единой схеме обозначения опор для круглых направляющих и включает указание на серию, максимальный типоразмер и производителя.
- SK — серия вертикальных опор с параллельным креплением к базовой поверхности.
- 60 — диаметр направляющего вала, под который выполнено посадочное отверстие, 60 мм — максимальный типоразмер в серии.
- TECHNIX — обозначение бренда и каталожной линейки производителя.
Маркировка SK60TECHNIX однозначно идентифицирует опору серии SK для вала 60 мм — крупнейший типоразмер, предназначенный для применения в сверхтяжёлых системах линейного перемещения промышленного оборудования.
Конструкция и устройство
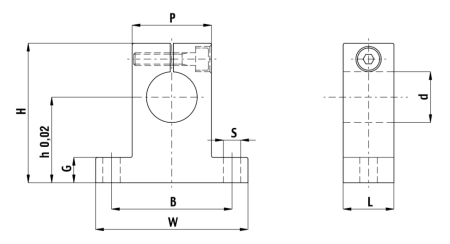
SK60TECHNIX выполнена в виде крупнейшего алюминиевого корпуса серии с вертикальным посадочным каналом диаметром 60 мм, разжимной щелью и установочным винтом M12 для надёжной фиксации направляющей. Основание опоры оснащено двумя крепёжными отверстиями диаметром 14 мм с межцентровым расстоянием 125 мм, что обеспечивает устойчивое крепление к несущим элементам станка, портала или массивной рамной конструкции сверхтяжёлого оборудования.
- Материал корпуса: алюминий.
- Посадочный диаметр: 60 мм.
- Зажимной винт: M12.
- Длина L: 45 мм.
- Ширина W: 148 мм.
- Высота H: 136 мм; высота до центра оси h: 80 мм.
- Межцентровое расстояние креплений B: 125 мм; ширина держателя P: 92 мм.
Размерный ряд серии SK
Ниже приведена таблица всех типоразмеров серии. Текущий товар SK60TECHNIX выделен.
Технические параметры и условия эксплуатации
SK60TECHNIX рассчитана на применение в сверхтяжёлых промышленных системах, где направляющий вал диаметром 60 мм служит основой для перемещения массивных рабочих узлов под экстремальными динамическими и статическими нагрузками. Крупнейший алюминиевый корпус серии и широкая зона контакта с валом обеспечивают максимальную жёсткость крепления и стабильность геометрии при непрерывных интенсивных режимах работы. Для надёжной эксплуатации необходимо соблюдать точность монтажа, использовать крепёж высокого класса прочности и обеспечивать защиту узла от абразивных загрязнений и ударных воздействий.
- Серия: SK.
- Посадочный диаметр d: 60 мм — максимальный типоразмер серии.
- Материал: алюминий.
- Зажимной винт: M12.
- Длина L: 45 мм; ширина W: 148 мм; высота H: 136 мм.
- Высота до оси h: 80 мм.
- Межцентровое расстояние B: 125 мм; диаметр крепёжного отверстия S: 14 мм.
- Вес: 1,02 кг; ширина держателя P: 92 мм.
Чертёж опоры вала SK60
Применяемость
SK60TECHNIX используется в сверхтяжёлом крупногабаритном промышленном оборудовании, где направляющие валы диаметром 60 мм обеспечивают необходимую жёсткость и грузоподъёмность для перемещения массивных узлов под экстремальными нагрузками. Типичные области применения — крупные портальные фрезерные и плазменные комплексы, промышленные раскройные системы для толстолистовых материалов, тяжёлые автоматизированные линии металлообработки, а также специализированное технологическое оборудование с повышенными требованиями к точности позиционирования и непрерывными длительными рабочими циклами.
- Крупные портальные фрезерные и плазменные комплексы сверхтяжёлого класса.
- Промышленные раскройные системы для толстолистовых материалов.
- Тяжёлые автоматизированные линии металлообработки.
- Специализированное оборудование с экстремальными нагрузками.
- Производственные системы с повышенными требованиями к точности и непрерывными циклами.
Аналоги
Опора SK60TECHNIX соответствует типовому исполнению серии SK для вала 60 мм — максимального типоразмера — и по функциональности сопоставима с аналогичными изделиями других производителей. При выборе замены необходимо сверять высоту до центра оси, ширину корпуса, межцентровое расстояние креплений и диаметр монтажных отверстий.
Точное соответствие необходимо проверять и подтверждать по каталожным размерам и допускаемым нагрузкам конкретной модели.
Часто задаваемые вопросы
- Как выполнить установку опоры SK60TECHNIX?
Опору устанавливают на несущую поверхность и крепят через два отверстия диаметром 14 мм с межцентровым расстоянием 125 мм. После этого вал диаметром 60 мм вводят в посадочный канал и фиксируют винтом M12, контролируя соосность всех опор и плавность хода механизма. - Можно ли заменить SK60TECHNIX на опору другого производителя?
Замена возможна при совпадении ключевых параметров: диаметра вала, высоты до центра оси, ширины корпуса и межцентрового расстояния креплений. Рекомендуется проверить габаритные размеры по каталожным чертежам обеих опор. - Чем SK60 отличается от SK50?
SK60 предназначена для вала диаметром 60 мм — максимального в серии — и превосходит SK50 по габаритам корпуса, межцентровому расстоянию креплений (125 мм) и весу (1,02 кг). Оба типоразмера используют винт M12 и крепёжные отверстия 14 мм. - Когда требуется полная замена опоры SK60TECHNIX?
Замена необходима при обнаружении трещин корпуса, деформации посадочного канала, износа зоны зажима, повреждения резьбы установочного винта или нарушения геометрии монтажной базы. Эксплуатация повреждённой опоры снижает точность и ускоряет износ вала. - Требуется ли обслуживание опоры SK60TECHNIX?
Специальное техническое обслуживание не требуется, однако рекомендуется регулярно проверять затяжку крепёжных винтов и установочного винта M12, особенно при работе в условиях экстремальных нагрузок, вибрации и загрязнённой среды.
Службы доставки в ПВЗ:
- СДЭК
- Boxberry
- Яндекс Доставка
- DPD
Службы доставки курьером:
- Собственная служба доставки
- СДЭК
- Достависта
Подробнее о доставке транспортными компаниями:
1. Доставка через СДЭК
СДЭК – это удобная и быстрая доставка по всей России. Вы можете выбрать один из вариантов:
- Доставка до пункта выдачи – ваш заказ будет доставлен в ближайший к вам офис СДЭК, где его можно забрать в удобное время.- Курьерская доставка – заказ привезут прямо к вам домой или в офис.
Сроки доставки зависят от региона и рассчитываются индивидуально при оформлении заказа.*
2. Доставка транспортной компанией «Деловые Линии»
Если вам требуется перевозка крупногабаритного или тяжелого груза, мы рекомендуем транспортную компанию «Деловые Линии».
- Доставка возможна в большинство населенных пунктов России.- Вы можете выбрать удобный терминал для самовывоза или заказать адресную доставку.
Стоимость рассчитывается индивидуально в зависимости от веса, габаритов и региона.*
О самовывозе со склада
Вы можете самостоятельно забрать заказ в Санкт-Петербурге по адресу:
📍 Люботинский проспект, 5
Преимущества самовывоза:
✔️ Возможность проверить товар перед получением.
✔️ Отсутствие затрат на доставку.
✔️ Гибкий график выдачи.
✔️ Возможность оплаты заказа банковской картой при получении заказа.
Перед приездом на склад обязательно уточните наличие товара у менеджера.
Доставка осуществляется в пределах территорий Российской Федерации и Республики Беларусь.
*обращаем Ваше внимание, что стоимость доставки рассчитывается согласно тарификациям транспортных компаний и курьерских служб.

