О товаре
Опора вала SK30TECHNIX — промышленная опора для направляющих валов диаметром 30 мм, предназначенная для эксплуатации в крупногабаритном станочном и технологическом оборудовании с высокими динамическими и статическими нагрузками. Опора обеспечивает надёжное крепление вала к несущей конструкции и сохраняет точность работы системы при интенсивных режимах эксплуатации.
SK30TECHNIX входит в серию SK вертикальных опор параллельного крепления и представляет собой решение для тяжёлых промышленных систем, где направляющие валы диаметром 30 мм формируют основу для перемещения массивных узлов и выдерживают значительные радиальные, осевые и моментные нагрузки.
Расшифровка артикула
Артикул SK30TECHNIX построен по единой схеме обозначения опор для круглых направляющих и содержит указание на серию, типоразмер и производителя.
- SK — серия вертикальных опор с параллельным креплением к базовой поверхности.
- 30 — диаметр направляющего вала, под который выполнено посадочное отверстие, 30 мм.
- TECHNIX — обозначение бренда и каталожной линейки.
Маркировка SK30TECHNIX однозначно идентифицирует опору серии SK для вала 30 мм, что упрощает подбор совместимых элементов при проектировании или модернизации тяжёлых систем линейного перемещения промышленного оборудования.
Конструкция и устройство
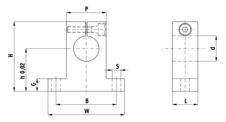
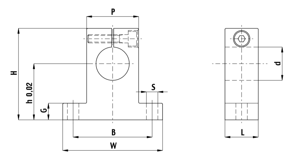
SK30TECHNIX имеет усиленный алюминиевый корпус увеличенных габаритов с вертикальным посадочным каналом диаметром 30 мм, разжимной щелью и установочным винтом M8 для надёжной фиксации направляющей. Основание опоры оснащено двумя крепёжными отверстиями диаметром 9 мм с межцентровым расстоянием 64 мм, что обеспечивает устойчивое крепление к несущим элементам станка или портальной конструкции.
- Материал корпуса: алюминий.
- Посадочный диаметр: 30 мм.
- Зажимной винт: M8.
- Длина L: 28 мм.
- Ширина W: 84 мм.
- Высота H: 70 мм; высота до центра оси h: 42 мм.
- Межцентровое расстояние креплений B: 64 мм; ширина держателя P: 44 мм.
Размерный ряд серии SK
Ниже приведена таблица всех типоразмеров серии. Текущий товар SK30TECHNIX выделен.
Технические параметры и условия эксплуатации
SK30TECHNIX рассчитана на применение в промышленных системах, где направляющий вал диаметром 30 мм служит основой для перемещения тяжёлых рабочих узлов под значительными динамическими и статическими нагрузками. Усиленный алюминиевый корпус увеличенных габаритов и широкая зона контакта с валом обеспечивают максимальную жёсткость крепления и стабильность геометрии при интенсивных режимах работы. Для надёжной эксплуатации необходимо соблюдать точность монтажа, использовать крепёж высокого класса прочности и обеспечивать защиту узла от абразивных загрязнений и ударных воздействий.
- Серия: SK.
- Посадочный диаметр d: 30 мм.
- Материал: алюминий.
- Зажимной винт: M8.
- Длина L: 28 мм; ширина W: 84 мм; высота H: 70 мм.
- Высота до оси h: 42 мм.
- Межцентровое расстояние B: 64 мм; диаметр крепёжного отверстия S: 9 мм.
- Вес: 0,18 кг; ширина держателя P: 44 мм.
Чертёж опоры вала SK30
Применяемость
SK30TECHNIX используется в крупногабаритном промышленном оборудовании, где направляющие валы диаметром 30 мм обеспечивают необходимую жёсткость и грузоподъёмность для перемещения тяжёлых узлов под высокими нагрузками. Типичные области применения — крупные портальные фрезерные и плазменные комплексы, промышленные раскройные системы для листовых материалов, тяжёлые автоматизированные линии обработки металла, а также специализированное технологическое оборудование с повышенными требованиями к точности позиционирования и длительными рабочими циклами.
- Крупные портальные фрезерные и плазменные комплексы.
- Промышленные раскройные системы для листовых материалов.
- Тяжёлые автоматизированные линии обработки металла.
- Специализированное оборудование с высокой грузоподъёмностью.
- Производственные системы с повышенными требованиями к точности и длительными циклами.
Аналоги
Опора SK30TECHNIX соответствует типовому исполнению серии SK для вала 30 мм и по функциональности сопоставима с аналогичными изделиями других производителей. При выборе замены необходимо сверять высоту до центра оси, ширину корпуса, межцентровое расстояние креплений и диаметр монтажных отверстий.
Точное соответствие необходимо проверять и подтверждать по каталожным размерам и допускаемым нагрузкам конкретной модели.
Часто задаваемые вопросы
- Как выполнить установку опоры SK30TECHNIX?
Опору устанавливают на несущую поверхность и крепят через два отверстия диаметром 9 мм с межцентровым расстоянием 64 мм. После этого вал диаметром 30 мм вводят в посадочный канал и фиксируют винтом M8, контролируя соосность всех опор и плавность хода механизма. - Можно ли заменить SK30TECHNIX на опору другого производителя?
Замена возможна при совпадении ключевых параметров: диаметра вала, высоты до центра оси, ширины корпуса и межцентрового расстояния креплений. Рекомендуется проверить габаритные размеры по каталожным чертежам обеих опор. - Чем SK30 отличается от SK25 и SK40?
SK30 предназначена для вала диаметром 30 мм и занимает промежуточное положение между SK25 и SK40. Отличия заключаются в посадочном диаметре, габаритах корпуса, размере зажимного винта (M8) и диаметре крепёжных отверстий (9 мм). - Когда требуется полная замена опоры SK30TECHNIX?
Замена необходима при обнаружении трещин корпуса, деформации посадочного канала, износа зоны зажима, повреждения резьбы установочного винта или нарушения геометрии монтажной базы. Эксплуатация повреждённой опоры снижает точность и ускоряет износ вала. - Требуется ли обслуживание опоры SK30TECHNIX?
Специальное техническое обслуживание не требуется, однако рекомендуется регулярно проверять затяжку крепёжных винтов и установочного винта M8, особенно при работе в условиях высоких нагрузок, вибрации и загрязнённой среды.
Службы доставки в ПВЗ:
- СДЭК
- Boxberry
- Яндекс Доставка
- DPD
Службы доставки курьером:
- Собственная служба доставки
- СДЭК
- Достависта
Подробнее о доставке транспортными компаниями:
1. Доставка через СДЭК
СДЭК – это удобная и быстрая доставка по всей России. Вы можете выбрать один из вариантов:
- Доставка до пункта выдачи – ваш заказ будет доставлен в ближайший к вам офис СДЭК, где его можно забрать в удобное время.- Курьерская доставка – заказ привезут прямо к вам домой или в офис.
Сроки доставки зависят от региона и рассчитываются индивидуально при оформлении заказа.*
2. Доставка транспортной компанией «Деловые Линии»
Если вам требуется перевозка крупногабаритного или тяжелого груза, мы рекомендуем транспортную компанию «Деловые Линии».
- Доставка возможна в большинство населенных пунктов России.- Вы можете выбрать удобный терминал для самовывоза или заказать адресную доставку.
Стоимость рассчитывается индивидуально в зависимости от веса, габаритов и региона.*
О самовывозе со склада
Вы можете самостоятельно забрать заказ в Санкт-Петербурге по адресу:
📍 Люботинский проспект, 5
Преимущества самовывоза:
✔️ Возможность проверить товар перед получением.
✔️ Отсутствие затрат на доставку.
✔️ Гибкий график выдачи.
✔️ Возможность оплаты заказа банковской картой при получении заказа.
Перед приездом на склад обязательно уточните наличие товара у менеджера.
Доставка осуществляется в пределах территорий Российской Федерации и Республики Беларусь.
*обращаем Ваше внимание, что стоимость доставки рассчитывается согласно тарификациям транспортных компаний и курьерских служб.

