О товаре
Опора вала SK16TECHNIX — усиленный держатель для направляющих валов диаметром 16 мм, применяемый в узлах линейного перемещения станочного и автоматизированного оборудования. Опора фиксирует вал на базовой поверхности и обеспечивает стабильное положение оси при повышенных нагрузках и длительных рабочих циклах.
SK16TECHNIX принадлежит к серии SK вертикальных опор параллельного крепления и рассчитана на эксплуатацию в системах, где диаметр 16 мм обеспечивает достаточную жёсткость для перемещения рабочих органов под нагрузкой. Такой типоразмер востребован в оборудовании среднего и крупного формата, где компактные опоры недостаточны по несущей способности.
Расшифровка артикула
Артикул SK16TECHNIX образован по единой схеме маркировки опор для круглых направляющих и содержит указание на тип конструкции, посадочный размер и принадлежность к каталогу производителя.
- SK — обозначение серии вертикальных опор с параллельным монтажом к несущей плоскости.
- 16 — диаметр направляющего вала, для которого предназначена опора, 16 мм.
- TECHNIX — идентификатор бренда и каталожной серии.
Такое обозначение позволяет без дополнительных измерений понять, что перед нами опора серии SK для вала 16 мм, и оперативно подобрать совместимые элементы при сборке или модернизации системы линейного перемещения.
Конструкция и устройство
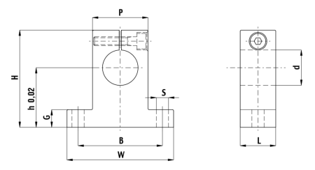
SK16TECHNIX выполнена в форме литого алюминиевого корпуса увеличенных габаритов с центральным вертикальным каналом для вала 16 мм. Корпус имеет разрезную конструкцию и установочный винт M5, который сжимает стенки опоры и надёжно фиксирует направляющую. Крепление к станине осуществляется через два отверстия в основании с межцентровым расстоянием 38 мм.
- Материал корпуса: алюминий.
- Посадочный диаметр: 16 мм.
- Зажимной винт: M5.
- Длина L: 16 мм.
- Ширина W: 48 мм.
- Высота H: 44 мм; высота до центра оси h: 27 мм.
- Межцентровое расстояние креплений B: 38 мм; ширина держателя P: 25 мм.
Размерный ряд серии SK
Ниже приведена таблица всех типоразмеров серии. Текущий товар SK16TECHNIX выделен.
Технические параметры и условия эксплуатации
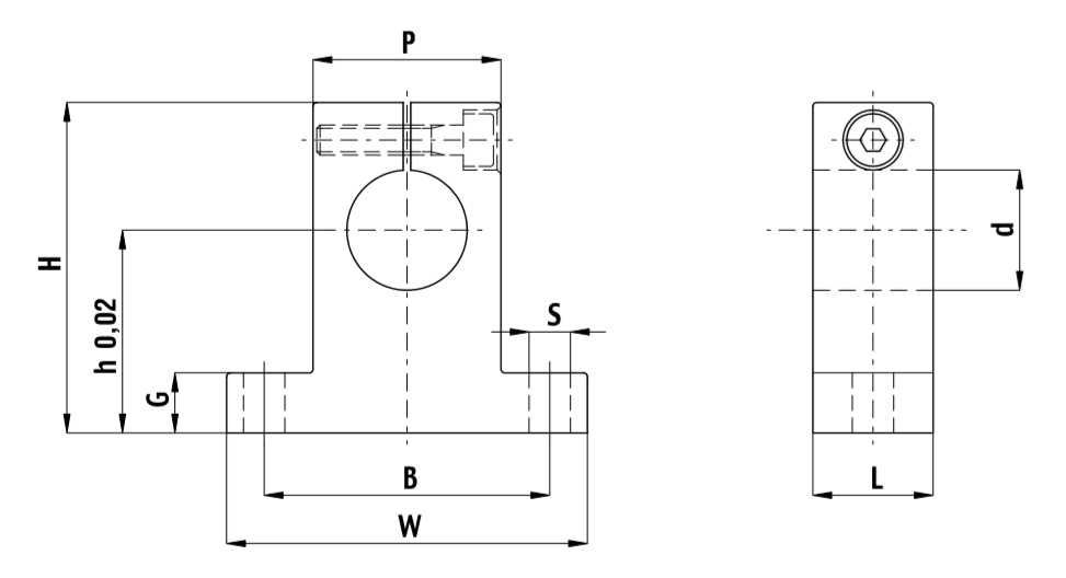
Опора SK16TECHNIX предназначена для монтажа на несущую поверхность оборудования и последующей фиксации в ней направляющего вала диаметром 16 мм. Увеличенные габариты корпуса и ширина зажимной зоны обеспечивают повышенную жёсткость узла и позволяют использовать опору в системах с более высокими динамическими нагрузками. Для долговечной эксплуатации необходимо соблюдать точность установки, равномерную затяжку креплений и защиту рабочей зоны от абразивных частиц.
- Серия: SK.
- Посадочный диаметр d: 16 мм.
- Материал: алюминий.
- Зажимной винт: M5.
- Длина L: 16 мм; ширина W: 48 мм; высота H: 44 мм.
- Высота до оси h: 27 мм.
- Межцентровое расстояние B: 38 мм; диаметр крепёжного отверстия S: 5,5 мм.
- Вес: 0,04 кг; ширина держателя P: 25 мм.
Чертёж опоры вала SK16
Применяемость
SK16TECHNIX применяется в оборудовании среднего и крупного формата, где направляющий вал диаметром 16 мм служит опорой для перемещения рабочих органов под повышенной нагрузкой. Такой типоразмер характерен для производственных станков с ЧПУ, портальных фрезерных и раскройных систем, линейных модулей средней и большой грузоподъёмности, а также автоматизированных линий, где требуется стабильность работы при длительных циклах и динамических воздействиях.
- Производственные станки с ЧПУ среднего и крупного формата.
- Портальные фрезерные, раскройные и лазерные системы.
- Линейные модули и координатные платформы с повышенной грузоподъёмностью.
- Автоматизированные линии подачи и перемещения с длительными рабочими циклами.
- Промышленное и испытательное оборудование с высокими требованиями к жёсткости узла.
Аналоги
Опора SK16TECHNIX соответствует типовому исполнению опор серии SK для вала 16 мм у других производителей линейной техники. При подборе замены необходимо учитывать не только диаметр вала, но и высоту до центра оси, ширину корпуса, межцентровое расстояние креплений и способ фиксации.
Точное соответствие необходимо проверять и подтверждать по каталожным размерам и допускаемым нагрузкам конкретной модели.
Часто задаваемые вопросы
- Как выполнить монтаж опоры SK16TECHNIX?
Опору устанавливают на подготовленную монтажную поверхность и крепят через два отверстия. Затем вал диаметром 16 мм вводят в посадочный канал и фиксируют винтом M5, контролируя соосность с другими опорами на линии перемещения. - Можно ли заменить SK16TECHNIX на опору SK16 другого производителя?
В большинстве случаев замена возможна, если совпадают ключевые габариты: высота до центра оси, ширина корпуса, межцентровое расстояние креплений. Перед установкой рекомендуется проверить размеры по каталожным чертежам обеих опор. - Чем SK16 отличается от SK12 и SK20 в пределах одной серии?
Основное различие — диаметр посадочного отверстия и связанные с ним габариты корпуса. SK16 рассчитана на вал 16 мм и занимает промежуточное положение между более лёгкой SK12 и более крупной SK20, что определяет её применимость в системах средней нагрузки. - Когда необходима полная замена опоры SK16TECHNIX?
Опору следует заменить при обнаружении трещин или деформации корпуса, износе зоны зажима, повреждении резьбы установочного винта или нарушении геометрии монтажного основания. Эксплуатация повреждённой опоры снижает точность и ускоряет износ направляющего вала. - Требуется ли регулярное обслуживание опоры SK16TECHNIX?
Специальное техническое обслуживание не требуется, однако рекомендуется периодически проверять затяжку крепёжных и установочного винтов, особенно при работе в условиях вибрации, пыли и интенсивных нагрузок.
Службы доставки в ПВЗ:
- СДЭК
- Boxberry
- Яндекс Доставка
- DPD
Службы доставки курьером:
- Собственная служба доставки
- СДЭК
- Достависта
Подробнее о доставке транспортными компаниями:
1. Доставка через СДЭК
СДЭК – это удобная и быстрая доставка по всей России. Вы можете выбрать один из вариантов:
- Доставка до пункта выдачи – ваш заказ будет доставлен в ближайший к вам офис СДЭК, где его можно забрать в удобное время.- Курьерская доставка – заказ привезут прямо к вам домой или в офис.
Сроки доставки зависят от региона и рассчитываются индивидуально при оформлении заказа.*
2. Доставка транспортной компанией «Деловые Линии»
Если вам требуется перевозка крупногабаритного или тяжелого груза, мы рекомендуем транспортную компанию «Деловые Линии».
- Доставка возможна в большинство населенных пунктов России.- Вы можете выбрать удобный терминал для самовывоза или заказать адресную доставку.
Стоимость рассчитывается индивидуально в зависимости от веса, габаритов и региона.*
О самовывозе со склада
Вы можете самостоятельно забрать заказ в Санкт-Петербурге по адресу:
📍 Люботинский проспект, 5
Преимущества самовывоза:
✔️ Возможность проверить товар перед получением.
✔️ Отсутствие затрат на доставку.
✔️ Гибкий график выдачи.
✔️ Возможность оплаты заказа банковской картой при получении заказа.
Перед приездом на склад обязательно уточните наличие товара у менеджера.
Доставка осуществляется в пределах территорий Российской Федерации и Республики Беларусь.
*обращаем Ваше внимание, что стоимость доставки рассчитывается согласно тарификациям транспортных компаний и курьерских служб.

