О товаре
Опора вала SHF50TECHNIX — фланцевая опора для полированного вала диаметром 50 мм, предназначенная для перпендикулярного крепления направляющей к базовой плите. Опора обеспечивает надёжную фиксацию конца вала, поддерживает точную геометрию траектории и повышает стабильность работы узлов линейного перемещения.
Опора SHF50TECHNIX выполнена из дюралюминия, что обеспечивает сочетание малого веса и высокой прочности. Конструкция предназначена для совместной работы с полированными валами и линейными подшипниками соответствующего диаметра в тяжёлых станках с ЧПУ, линейных модулях и автоматизированных линиях.
Расшифровка артикула
Обозначение SHF50TECHNIX отражает тип опоры, диаметр обслуживаемого вала и принадлежность к каталогу TECHNIX. Это упрощает подбор комплектующих и снижает риск ошибок при проектировании и сервисе систем линейного перемещения.
- SHF — серия фланцевых опор полированных валов перпендикулярного крепления.
- 50 — исполнение для полированного вала с внутренним (посадочным) диаметром 50 мм и длиной корпуса L = 50 мм.
- TECHNIX — каталожное исполнение производителя TECHNIX для систем линейного перемещения и промышленной автоматики.
Полное обозначение SHF50TECHNIX позволяет однозначно идентифицировать опору в линейке серии SHF и подобрать совместимые полированные валы диаметром 50 мм, линейные подшипники и ответные элементы крепления.
Конструкция и устройство
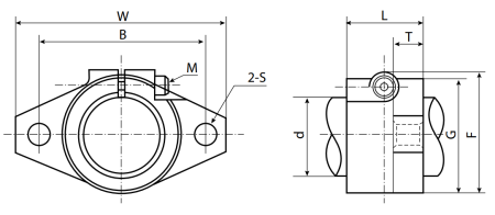
Опора SHF50TECHNIX представляет собой массивный корпус из дюралюминия с центральным цилиндрическим отверстием под вал 50 мм и фланцем с двумя крепёжными площадками. Конструкция обеспечивает жёсткое крепление опоры к базовой поверхности и надёжную прижимную фиксацию вала установочным винтом, уменьшая прогиб и вибрации при работе механизма.
- Корпус опоры из дюралюминия: высокий запас прочности при сравнительно небольшом весе.
- Внутренний диаметр посадочного отверстия под вал: 50 мм.
- Внешний диаметр D: 72 мм.
- Длина L: 50 мм; ширина корпуса W: 122 мм; высота H: 83 мм.
- Ширина выступа T: 19 мм; межцентровое расстояние крепёжных отверстий B: 96 мм.
- Диаметр крепёжного отверстия S: 14 мм; установочный винт: M12.
- Габариты опоры позволяют применять её в особо нагруженных узлах линейного перемещения, где требуется жёсткое и стабильное крепление полированного вала к опорной плоскости.
Размерный ряд серии SHF
Таблица ниже показывает основные типоразмеры фланцевых опор вала серии SHF TECHNIX. Текущий товар SHF50TECHNIX выделен.
Технические параметры и условия эксплуатации
В составе узла линейного перемещения опора SHF50TECHNIX служит для фиксации и поддержки конца полированного вала диаметром 50 мм, предотвращая его смещение и прогиб при работе механизма. Благодаря массивному дюралюминиевому корпусу и крупным посадочным размерам опора применяется в системах с высокими эксплуатационными нагрузками.
- Серия: SHF, фланцевая опора полированного вала перпендикулярного крепления.
- Внутренний диаметр d: 50 мм; внешний диаметр D: 72 мм.
- Длина L: 50 мм; ширина W: 122 мм; высота H: 83 мм.
- Материал корпуса: дюралюминий; ширина выступа T: 19 мм.
- Установочный винт: M12 — прижимная фиксация вала в посадочном отверстии.
- Межцентровое расстояние креплений B: 96 мм; диаметр крепёжного отверстия S: 14 мм.
- Вес опоры: около 0,45–0,50 кг.
- Рекомендуется монтаж на ровную жёсткую поверхность, защита опоры от ударных нагрузок и загрязнений, а также регулярный контроль затяжки крепежа и соосности направляющих.
Чертёж опоры вала SHF50
Применяемость
Опора SHF50TECHNIX применяется в системах линейного перемещения с полированными валами диаметром 50 мм, где требуется надёжная фиксация направляющей перпендикулярно монтажной плите при высоких нагрузках. Такой типоразмер используют в тяжёлых станках с ЧПУ, линейных модулях, позиционирующих устройствах и роботизированных комплексах.
- Линейные модули и оси перемещения станков с ЧПУ высокой мощности.
- Портальные системы и перемещаемые порталы с большой массой и нагрузкой.
- Сборочные, испытательные и измерительные стенды с направляющими на полированных валах крупного диаметра.
- Автоматизированные линии и роботизированные комплексы, где критична точность хода и стабильность геометрии направляющих.
- Системы, работающие при высоких эксплуатационных нагрузках, требующие максимально жёсткого и надёжного крепления опор.
Аналоги
По функциональному назначению и посадочным параметрам опора SHF50TECHNIX соответствует фланцевым держателям полированных валов диаметром 50 мм, выпускаемым рядом производителей линейной механики. Ниже приведены типовые аналоги со сходной маркировкой и областью применения.
Точное соответствие необходимо дополнительно проверять по каталожным размерам и допускаемым нагрузкам конкретных исполнений.
Службы доставки в ПВЗ:
- СДЭК
- Boxberry
- Яндекс Доставка
- DPD
Службы доставки курьером:
- Собственная служба доставки
- СДЭК
- Достависта
Подробнее о доставке транспортными компаниями:
1. Доставка через СДЭК
СДЭК – это удобная и быстрая доставка по всей России. Вы можете выбрать один из вариантов:
- Доставка до пункта выдачи – ваш заказ будет доставлен в ближайший к вам офис СДЭК, где его можно забрать в удобное время.- Курьерская доставка – заказ привезут прямо к вам домой или в офис.
Сроки доставки зависят от региона и рассчитываются индивидуально при оформлении заказа.*
2. Доставка транспортной компанией «Деловые Линии»
Если вам требуется перевозка крупногабаритного или тяжелого груза, мы рекомендуем транспортную компанию «Деловые Линии».
- Доставка возможна в большинство населенных пунктов России.- Вы можете выбрать удобный терминал для самовывоза или заказать адресную доставку.
Стоимость рассчитывается индивидуально в зависимости от веса, габаритов и региона.*
О самовывозе со склада
Вы можете самостоятельно забрать заказ в Санкт-Петербурге по адресу:
📍 Люботинский проспект, 5
Преимущества самовывоза:
✔️ Возможность проверить товар перед получением.
✔️ Отсутствие затрат на доставку.
✔️ Гибкий график выдачи.
✔️ Возможность оплаты заказа банковской картой при получении заказа.
Перед приездом на склад обязательно уточните наличие товара у менеджера.
Доставка осуществляется в пределах территорий Российской Федерации и Республики Беларусь.
*обращаем Ваше внимание, что стоимость доставки рассчитывается согласно тарификациям транспортных компаний и курьерских служб.

