О товаре
Опора вала SHF40TECHNIX — фланцевая опора для полированного вала диаметром 40 мм, предназначенная для перпендикулярного крепления направляющей к базовой плите. Опора обеспечивает надёжную фиксацию конца вала, сохраняет геометрию траектории и повышает стабильность работы узлов линейного перемещения.
Опора SHF40TECHNIX выполнена из дюралюминия, благодаря чему сочетает малый вес и высокую прочность. Корпус рассчитан на совместную работу с полированными валами и линейными подшипниками соответствующего диаметра в станках с ЧПУ, линейных модулях и автоматизированных линиях.
Расшифровка артикула
Обозначение SHF40TECHNIX отражает тип опоры, диаметр обслуживаемого вала и принадлежность к каталогу TECHNIX. Это упрощает подбор комплектующих и снижает риск ошибок при проектировании и сервисе систем линейного перемещения.
- SHF — серия фланцевых опор полированных валов перпендикулярного крепления.
- 40 — исполнение для полированного вала с внутренним (посадочным) диаметром 40 мм и длиной корпуса L = 40 мм.
- TECHNIX — каталожное исполнение производителя TECHNIX для систем линейного перемещения и промышленной автоматики.
Полное обозначение SHF40TECHNIX позволяет однозначно идентифицировать опору в линейке серии SHF и подобрать совместимые полированные валы диаметром 40 мм, линейные подшипники и ответные элементы крепления.
Конструкция и устройство
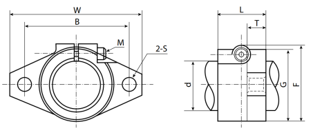
Опора SHF40TECHNIX представляет собой корпус из дюралюминия с центральным цилиндрическим отверстием под вал 40 мм и фланцем с двумя крепёжными площадками. Конструкция обеспечивает жёсткое крепление опоры к базовой поверхности и надёжную прижимную фиксацию вала установочным винтом, уменьшая прогиб и вибрации при работе механизма.
- Корпус опоры из дюралюминия: низкий вес, высокая жёсткость и коррозионная стойкость.
- Внутренний диаметр посадочного отверстия под вал: 40 мм.
- Внешний диаметр D: 58 мм.
- Длина L: 40 мм; ширина корпуса W: 102 мм; высота H: 67 мм.
- Ширина выступа T: 16 мм; межцентровое расстояние крепёжных отверстий B: 80 мм.
- Диаметр крепёжного отверстия S: 12 мм; установочный винт: M10.
- Габариты опоры позволяют применять её в нагруженных узлах линейного перемещения, где требуется жёсткое и стабильное крепление полированного вала к опорной плоскости.
Размерный ряд серии SHF
Таблица ниже показывает основные типоразмеры фланцевых опор вала серии SHF TECHNIX. Текущий товар SHF40TECHNIX выделен.
Технические параметры и условия эксплуатации
В составе узла линейного перемещения опора SHF40TECHNIX служит для фиксации и поддержки конца полированного вала диаметром 40 мм, предотвращая его смещение и прогиб при работе механизма. Благодаря дюралюминиевому корпусу и увеличенным габаритам опора применяется в системах с повышенными эксплуатационными нагрузками.
- Серия: SHF, фланцевая опора полированного вала перпендикулярного крепления.
- Внутренний диаметр d: 40 мм; внешний диаметр D: 58 мм.
- Длина L: 40 мм; ширина W: 102 мм; высота H: 67 мм.
- Материал корпуса: дюралюминий; ширина выступа T: 16 мм.
- Установочный винт: M10 — прижимная фиксация вала в посадочном отверстии.
- Межцентровое расстояние креплений B: 80 мм; диаметр крепёжного отверстия S: 12 мм.
- Вес опоры: около 0,26–0,27 кг.
- Рекомендуется монтаж на ровную жёсткую поверхность, защита опоры от ударных нагрузок и загрязнений, а также регулярный контроль затяжки крепежа и соосности направляющих.
Чертёж опоры вала SHF40
Применяемость
Опора SHF40TECHNIX применяется в системах линейного перемещения с полированными валами диаметром 40 мм, где требуется надёжная фиксация направляющей перпендикулярно монтажной плите при повышенных нагрузках. Такой типоразмер используют в станках с ЧПУ, линейных модулях, тяжёлых позиционирующих устройствах и автоматизированных линиях.
- Линейные модули и оси перемещения станков с ЧПУ высокой мощности.
- Портальные системы, перемещаемые порталы и каретки с увеличенной массой и нагрузкой.
- Сборочные, испытательные и измерительные стенды с направляющими на полированных валах большого диаметра.
- Автоматизированные и роботизированные комплексы, где критична точность хода и стабильность геометрии направляющих.
- Системы, работающие при повышенных эксплуатационных нагрузках, требующие жёсткого и надёжного крепления опор.
Аналоги
По функциональному назначению и посадочным параметрам опора SHF40TECHNIX соответствует фланцевым держателям полированных валов диаметром 40 мм, выпускаемым рядом производителей линейной механики. Ниже приведены типовые аналоги со сходной маркировкой и областью применения.
Точное соответствие необходимо дополнительно проверять по каталожным размерам и допускаемым нагрузкам конкретных исполнений.
Службы доставки в ПВЗ:
- СДЭК
- Boxberry
- Яндекс Доставка
- DPD
Службы доставки курьером:
- Собственная служба доставки
- СДЭК
- Достависта
О самовывозе со склада
Вы можете самостоятельно забрать заказ в Санкт-Петербурге по адресу:
📍 Люботинский проспект, 5

