О товаре
Опора вала SHF25TECHNIX — фланцевая опора для полированного вала диаметром 25 мм, предназначенная для перпендикулярного крепления направляющей к базовой плите. Опора обеспечивает надёжную фиксацию конца вала, сохраняет геометрию траектории и повышает стабильность работы узлов линейного перемещения.
Опора SHF25TECHNIX относится к серии SHF фланцевых держателей полированных валов и применяется совместно с линейными подшипниками и валами соответствующего диаметра. Корпус из дюралюминия сочетает малый вес и высокую прочность, что делает опору удобной для применения в станках с ЧПУ, линейных модулях и автоматизированных линиях.
Расшифровка артикула
Обозначение SHF25TECHNIX показывает тип опоры, диаметр обслуживаемого вала и принадлежность к каталогу TECHNIX. Это позволяет быстро понять область применения изделия и подобрать совместимые элементы линейной направляющей.
- SHF — серия фланцевых опор полированных валов перпендикулярного крепления.
- 25 — исполнение для полированного вала с внутренним (посадочным) диаметром 25 мм и длиной корпуса L = 25 мм.
- TECHNIX — каталожное исполнение производителя TECHNIX для систем линейного перемещения и промышленной автоматики.
Полное обозначение SHF25TECHNIX позволяет однозначно идентифицировать опору в линейке серии SHF и подобрать совместимые полированные валы диаметром 25 мм, линейные подшипники и ответные элементы крепления.
Конструкция и устройство
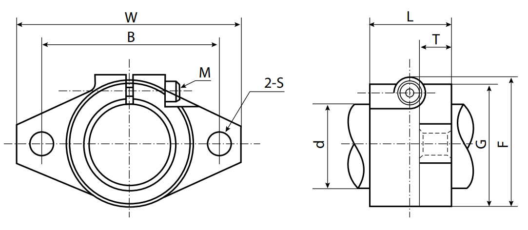
Опора SHF25TECHNIX представляет собой корпус из дюралюминия с центральным цилиндрическим отверстием под вал 25 мм и фланцем с двумя крепёжными площадками. Конструкция обеспечивает жёсткое крепление опоры к базовой поверхности и надёжную прижимную фиксацию вала установочным винтом, снижая прогиб и вибрации при работе механизма.
- Корпус опоры из дюралюминия: низкий вес, высокая жёсткость и коррозионная стойкость.
- Внутренний диаметр посадочного отверстия под вал: 25 мм.
- Внешний диаметр D: 40 мм.
- Длина L: 25 мм; ширина корпуса W: 70 мм; высота H: 42 мм.
- Ширина выступа T: 10 мм; межцентровое расстояние крепёжных отверстий B: 56 мм.
- Диаметр крепёжного отверстия S: 7 мм; установочный винт: M6.
- Конструкция рассчитана на надёжную работу в составе линейных модулей, портальных систем и приводов подачи при умеренных эксплуатационных нагрузках.
Размерный ряд серии SHF
Ниже приведена таблица всех типоразмеров фланцевых опор вала серии SHF TECHNIX по данным каталога. Текущий товар SHF25TECHNIX выделен.
Технические параметры и условия эксплуатации
В составе узла линейного перемещения опора SHF25TECHNIX служит для фиксации и поддержки конца полированного вала диаметром 25 мм, предотвращая его смещение и прогиб при работе механизма. Применение дюралюминия и оптимальные габариты корпуса позволяют использовать опору в компактных и средненагруженных системах линейного перемещения.
- Серия: SHF, фланцевая опора полированного вала перпендикулярного крепления.
- Внутренний диаметр d: 25 мм; внешний диаметр D: 40 мм.
- Длина L: 25 мм; ширина W: 70 мм; высота H: 42 мм.
- Материал корпуса: дюралюминий; ширина выступа T: 10 мм.
- Установочный винт: M6 — прижимная фиксация вала в посадочном отверстии.
- Межцентровое расстояние креплений B: 56 мм; диаметр крепёжного отверстия S: 7 мм.
- Вес опоры: порядка 0,08–0,09 кг.
- Рекомендуется монтаж на ровную жёсткую поверхность, защита опоры от ударных нагрузок и загрязнений, а также регулярный контроль затяжки крепежа и соосности направляющих.
Чертёж опоры вала SHF25
Применяемость
Опора SHF25TECHNIX применяется в системах линейного перемещения с полированными валами диаметром 25 мм, где требуется надёжная фиксация направляющей перпендикулярно монтажной плите при умеренных нагрузках. Такой типоразмер востребован в станках с ЧПУ, линейных модулях, позиционирующих устройствах и автоматизированных линиях.
- Линейные модули и оси перемещения станков с ЧПУ малой и средней мощности.
- Позиционирующие столы, портальные системы и каретки перемещения.
- Сборочные, испытательные и измерительные стенды с направляющими на полированных валах.
- Автоматизированные и роботизированные механизмы, где важны точность хода и стабильность геометрии направляющих.
- Системы, работающие при умеренных нагрузках, требующие компактного и жёсткого исполнения опор.
Аналоги
По функциональному назначению и посадочным параметрам опора SHF25TECHNIX соответствует фланцевым держателям полированных валов диаметром 25 мм, выпускаемым рядом производителей линейной механики. Ниже приведены типовые аналоги со сходной маркировкой и областью применения.
Точное соответствие необходимо дополнительно проверять по каталожным размерам и допускаемым нагрузкам конкретных исполнений.
Службы доставки в ПВЗ:
- СДЭК
- Boxberry
- Яндекс Доставка
- DPD
Службы доставки курьером:
- Собственная служба доставки
- СДЭК
- Достависта
О самовывозе со склада
Вы можете самостоятельно забрать заказ в Санкт-Петербурге по адресу:
📍 Люботинский проспект, 5

