О товаре
Опора вала SHF13TECHNIX — фланцевая опора для полированного вала диаметром 13 мм, предназначенная для перпендикулярного крепления направляющей к базовой плите. Узел обеспечивает надёжную фиксацию конца вала, сохраняет геометрию линии перемещения и повышает стабильность работы систем линейного позиционирования.
Опора SHF13TECHNIX относится к серии SHF фланцевых держателей полированных валов и применяется совместно с линейными подшипниками и валами соответствующего диаметра. Алюминиевый корпус снижает массу конструкции и обеспечивает достаточную жёсткость для настольных станков, линейных модулей и специализированных приводов автоматизации.
Расшифровка артикула
Обозначение SHF13TECHNIX содержит информацию о типе опоры, диаметре поддерживаемого вала и принадлежности к линейке компонентов TECHNIX. Корректная расшифровка артикула упрощает подбор совместимых валов и элементов линейной направляющей.
- SHF — серия фланцевых опор полированных валов перпендикулярного крепления.
- 13 — исполнение для полированного вала с внутренним (посадочным) диаметром 13 мм и длиной корпуса L = 13 мм.
- TECHNIX — каталожное исполнение производителя TECHNIX для систем линейного перемещения и промышленной автоматики.
Полное обозначение SHF13TECHNIX позволяет однозначно идентифицировать опору в линейке серии SHF и подобрать её в составе узла с полированными валами диаметром 13 мм и линейными подшипниками соответствующего типоразмера.
Конструкция и устройство
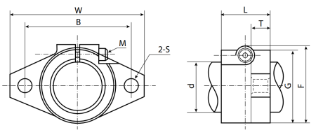
Опора SHF13TECHNIX конструктивно аналогична исполнению SHF12, но рассчитана на вал диаметром 13 мм. Корпус из алюминия имеет центральное цилиндрическое отверстие под вал, фланец с двумя крепёжными площадками и установочный винт для прижимной фиксации вала. Такая конструкция обеспечивает надёжное удержание направляющей при компактных габаритах узла.
- Корпус опоры из алюминия с малой массой и достаточной жёсткостью.
- Внутренний диаметр посадочного отверстия под вал: 13 мм.
- Внешний диаметр D: 25 мм.
- Длина L: 13 мм; ширина корпуса W: 47 мм; высота H: 28 мм.
- Ширина выступа T: 7 мм; межцентровое расстояние крепёжных отверстий B: 36 мм.
- Диаметр крепёжного отверстия S: 5,5 мм; установочный винт: M4.
- Опора обеспечивает точное позиционирование вала и удобный монтаж на станину или монтажную плиту оборудования.
Размерный ряд серии SHF
Ниже приведена таблица всех типоразмеров фланцевых опор вала серии SHF TECHNIX по данным каталога. Текущий товар SHF13TECHNIX выделен.
Технические параметры и условия эксплуатации
В составе узла линейного перемещения опора SHF13TECHNIX служит для фиксации и поддержки конца полированного вала диаметром 13 мм, предотвращая его смещение и прогиб. Геометрия корпуса и расположение крепёжных отверстий обеспечивают стабильную работу направляющей при соблюдении требований к монтажу и эксплуатации.
- Серия: SHF, фланцевая опора полированного вала перпендикулярного крепления.
- Внутренний диаметр d: 13 мм; внешний диаметр D: 25 мм.
- Длина L: 13 мм; ширина W: 47 мм; высота H: 28 мм.
- Материал корпуса: алюминий; ширина выступа T: 7 мм.
- Установочный винт: M4.
- Межцентровое расстояние креплений B: 36 мм; диаметр крепёжного отверстия S: 5,5 мм.
- Вес опоры: около 0,012 кг (аналогично исполнению SHF12TECHNIX).
- Рекомендуется установка на ровную и жёсткую опорную поверхность, защита узла от загрязнений и периодический контроль затяжки крепежа и соосности направляющих.
Чертёж опоры вала SHF13
Применяемость
Опора SHF13TECHNIX применяется в системах линейного перемещения с полированными валами диаметром 13 мм, где требуется компактное и жёсткое перпендикулярное крепление направляющих. Такой типоразмер востребован в специализированных приводах, лабораторных установках и оборудовании малой и средней мощности.
- Линейные модули и оси перемещения в компактном технологическом оборудовании.
- Позиционирующие столы, направляющие в измерительных и испытательных стендах.
- Лёгкие автоматизированные и роботизированные механизмы подачи.
- Специализированные устройства с высокими требованиями к плавности и точности перемещения.
- Системы, где важно сочетание компактных габаритов, точной фиксации вала и умеренных эксплуатационных нагрузок.
Аналоги
По функциональному назначению и посадочным параметрам опора SHF13TECHNIX соответствует фланцевым держателям полированных валов диаметром 13 мм у ряда производителей линейной механики. Ниже приведены типовые аналоги со сходной маркировкой и областью применения.
Точное соответствие необходимо проверять и подтверждать по каталожным размерам и допускаемым нагрузкам конкретной модели.
Службы доставки в ПВЗ:
- СДЭК
- Boxberry
- Яндекс Доставка
- DPD
Службы доставки курьером:
- Собственная служба доставки
- СДЭК
- Достависта
Подробнее о доставке транспортными компаниями:
1. Доставка через СДЭК
СДЭК – это удобная и быстрая доставка по всей России. Вы можете выбрать один из вариантов:
- Доставка до пункта выдачи – ваш заказ будет доставлен в ближайший к вам офис СДЭК, где его можно забрать в удобное время.- Курьерская доставка – заказ привезут прямо к вам домой или в офис.
Сроки доставки зависят от региона и рассчитываются индивидуально при оформлении заказа.*
2. Доставка транспортной компанией «Деловые Линии»
Если вам требуется перевозка крупногабаритного или тяжелого груза, мы рекомендуем транспортную компанию «Деловые Линии».
- Доставка возможна в большинство населенных пунктов России.- Вы можете выбрать удобный терминал для самовывоза или заказать адресную доставку.
Стоимость рассчитывается индивидуально в зависимости от веса, габаритов и региона.*
О самовывозе со склада
Вы можете самостоятельно забрать заказ в Санкт-Петербурге по адресу:
📍 Люботинский проспект, 5
Преимущества самовывоза:
✔️ Возможность проверить товар перед получением.
✔️ Отсутствие затрат на доставку.
✔️ Гибкий график выдачи.
✔️ Возможность оплаты заказа банковской картой при получении заказа.
Перед приездом на склад обязательно уточните наличие товара у менеджера.
Доставка осуществляется в пределах территорий Российской Федерации и Республики Беларусь.
*обращаем Ваше внимание, что стоимость доставки рассчитывается согласно тарификациям транспортных компаний и курьерских служб.

