О товаре
Линейная направляющая RGR35RP TECHNIX — роликовый рельс серии RG размера 35 с верхним креплением и прецизионным классом точности P. Эта направляющая рассчитана на работу в тяжёлых осях станков, портальных систем и промышленной автоматизации, где нужны высокая несущая способность, жёсткость и точность линейного перемещения.
Расшифровка артикула
Маркировка RGR35RP фиксирует принадлежность рельса к роликовой серии, его размер, тип крепления и класс точности. По коду легко понять, что направляющая подходит для прецизионных, но уже достаточно тяжёлых систем линейного перемещения.
- RG — роликовая серия линейных направляющих повышенной жёсткости и долговечности.
- R — исполнение с верхним креплением и профилем, ориентированным на взаимозаменяемость с популярными промышленными стандартами.
- 35 — размер рельса; применяется в осевых системах с высокими нагрузками и моментами.
- R — крепление через сквозные отверстия под винты со стороны головки.
- P — прецизионный класс точности для ответственных приводов и координатных систем.
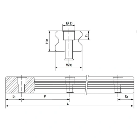
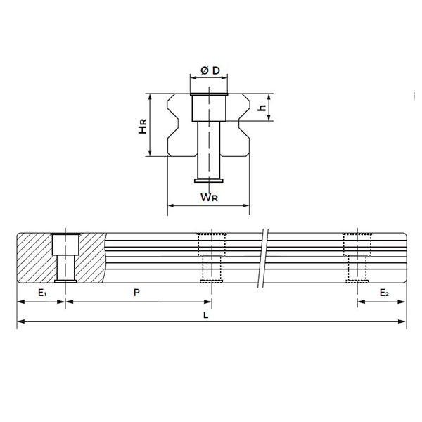
Конструкция и устройство
RGR35RP представляет собой массивный стальной рельс с четырьмя прецизионно шлифованными дорожками готического профиля, по которым перекатываются ролики кареток. Увеличенная ширина и высота профиля размеров 35 по сравнению с 25/30‑м дают ощутимый запас жёсткости и устойчивость к изгибающим и крутящим моментам.
- Закалённый стальной профиль с высокоточной шлифовкой дорожек качения под ролики.
- Готический профиль дорожек обеспечивает многоточечный контакт ролика и равномерное восприятие нагрузок по всем направлениям.
- Габариты рельса размера 35: ширина Wr 34 мм, высота Hr 30,2 мм — для тяжёлых осей и длинных пролётов.
- Крепёжные отверстия с потайной расточкой под головку винта, шаг отверстий P 40 мм, расстояние до первого отверстия E1/E2 20 мм.
- Рельс работает в паре с роликовыми каретками серии RG размера 35 с различным преднатягом и наборами уплотнений для сложных условий эксплуатации.
Размерный ряд серии RGR
Серия роликовых направляющих RGR TECHNIX охватывает размеры от 15 до 65, что позволяет подобрать рельс под лёгкие, средние и тяжёлые оси. В таблице ниже модель RGR35RP выделена.
Технические параметры и условия эксплуатации
В узлах линейного перемещения направляющая RGR35RP обеспечивает жёсткую опору для роликовых кареток, сохраняя точность позиционирования даже при серьёзных нагрузках и длинах ходов. Прецизионный класс P предъявляет требования к качеству базовых поверхностей и монтажу, но позволяет получать стабильный и повторяемый ход в течение всего ресурса.
- Серия: RG, роликовые направляющие для тяжёлых и высокоточных осей.
- Размер: 35 — для высоконагруженных осей, порталов и тяжёлых столов.
- Класс точности: P, прецизионный.
- Тип крепления: верхнее, через винты в расточенные отверстия; шаг P 40 мм, E1/E2 20 мм.
- Жёсткость и ресурс: увеличенное сечение и роликовый контакт существенно снижают прогибы и повышают долговечность узла по сравнению с шариковыми направляющими аналогичного размера.
- Рекомендуется обеспечивать ровную и жёсткую базу, корректный момент затяжки, регулярную смазку кареток и защиту рельса от абразивной пыли, стружки и агрессивных сред.
Применяемость
Линейная направляющая RGR35RP TECHNIX применяется в тяжёлых приводах линейного перемещения, где важны жёсткость, устойчивость к моментам и надёжность при длительной работе. Размер 35 обычно выбирают для портальных систем, тяжёлых столов и осей, работающих в реальных производственных нагрузках и многосменных режимах.
- Оси X/Y/Z крупных металлообрабатывающих станков и обрабатывающих центров.
- Портальные системы с тяжёлой оснасткой и длинными пролётами.
- Автоматизированные линии, транспортные и сборочные системы с большой массой перемещаемых узлов.
- Робототехнические комплексы и манипуляторы с длинными и нагруженными линейными осями.
- Испытательные и измерительные стенды, где требуется стабильное и жёсткое линейное руководство при больших ходах.
Аналоги
По посадочным размерам и типу конструкции направляющая RGR35RP TECHNIX относится к классу роликовых рельсов серии RG размера 35 и имеет сопоставимые решения у других производителей. Перечень ниже служит ориентиром для подбора замены и требует проверки по каталогам перед фактической установкой.
Для гарантированной взаимозаменяемости рекомендуется ориентироваться на каталоги производителей и при необходимости выполнять пробную установку на реальном оборудовании.
Часто задаваемые вопросы
-
В чём основное отличие RGR35RP от направляющих меньшего размера?
Рельс размера 35 имеет значительно более жёсткое сечение и рассчитан на высокие нагрузки и моменты, поэтому его применяют в тяжёлых осях, где размеры 20–30 уже не обеспечивают требуемый запас по жёсткости и ресурсу. -
Можно ли заменить существующий рельс другого производителя на RGR35RP без переделки посадочных мест?
В ряде случаев геометрия рельсов серии RG размера 35 близка к решениям других брендов, но перед заменой необходимо сверить ширину и высоту рельса, шаг и расположение крепёжных отверстий, а также подобрать совместимые по нагрузкам и преднатягу каретки. -
Какие требования к монтажу и обслуживанию направляющей RGR35RP?
Основание под рельс должно иметь высокое качество по плоскостности и прямолинейности, направляющую устанавливают на базовую грань и равномерно притягивают винтами с контролем прямолинейности. Для сохранения ресурса требуется регулярная смазка кареток, защита рельса от стружки и пыли и периодический контроль люфтов и плавности хода.
Службы доставки в ПВЗ:
- СДЭК
- Boxberry
- Яндекс Доставка
- DPD
Службы доставки курьером:
- Собственная служба доставки
- СДЭК
- Достависта
О самовывозе со склада
Вы можете самостоятельно забрать заказ в Санкт-Петербурге по адресу:
📍 Люботинский проспект, 5

