Линейные направляющие серии RG разработаны специально для применения в системах, где требуется максимальная жесткость, устойчивость к деформациям и способность выдерживать экстремальные нагрузки. Уникальная конструкция с роликами, а не с шариками, обеспечивает улучшенные характеристики по сравнению с традиционными направляющими, что делает серию RG отличным выбором для оборудования, работающего в тяжелых условиях. Они идеально подходят для металлообрабатывающего оборудования, станков с ЧПУ, прессов, роботизированных систем и других промышленно-нагруженных механизмов.
Основные преимущества линейных направляющих серии RG:
1. Роликовая конструкция для высокой жесткости
В отличие от большинства шариковых направляющих, серия RG использует ролики, которые обеспечивают значительно большую контактную поверхность с дорожками. Это повышает жесткость направляющих и позволяет им выдерживать гораздо большие нагрузки и деформации. Такая конструкция особенно эффективна для задач, где критически важна стабильность и минимальные отклонения при высоких нагрузках.
2. Превосходная грузоподъемность и долговечность
Благодаря роликовой конструкции линейные направляющие серии RG обладают исключительной грузоподъемностью, что делает их идеальными для применения в тяжело нагруженных системах. Это решение подходит для высокодинамических производственных процессов, где важно сохранить точность даже при интенсивных нагрузках на систему. Износостойкие материалы и передовые технологии обработки обеспечивают длительный срок службы без потери эксплуатационных характеристик.
3. Высокая точность и стабильность перемещений
Линейные направляющие RG обеспечивают плавное движение каретки с минимальными вибрациями и трением, что повышает точность позиционирования. Это особенно важно для прецизионного оборудования и систем, где критична высокая точность перемещений при больших нагрузках, таких как металлообработка, прессовое оборудование и тяжелые промышленные машины.
4. Устойчивость к износу и коррозии
Линейные направляющие RG производятся из высококачественных материалов с антикоррозийной обработкой, что гарантирует их устойчивость к износу даже в агрессивных промышленных условиях. Это минимизирует необходимость в частом обслуживании и снижает затраты на эксплуатацию оборудования.
5. Широкий ассортимент моделей и гибкость применения
Линейные направляющие серии RG доступны в различных конфигурациях, включая каретки разных типов и размеров, что позволяет подобрать оптимальное решение для конкретных задач и интегрировать их в любую производственную систему. Это дает возможность настраивать систему под любые требования производственного процесса.
Области применения линейных направляющих RG
- Станки с ЧПУ и металлообрабатывающее оборудование: высокая жесткость и грузоподъемность делают направляющие RG идеальными для станков, где важны точность и стабильность при обработке крупных и тяжелых деталей.
- Прессовое оборудование: направляющие RG эффективно справляются с высокими динамическими нагрузками, обеспечивая плавное и точное перемещение каретки в прессах и других системах.
- Автоматизация тяжелых производственных процессов: используются в роботизированных комплексах и производственных линиях, где требуется высокая точность позиционирования при интенсивных нагрузках.
- Оборудование для переработки материалов: идеальны для машин, работающих с большими объемами материалов, где требуется стабильная работа при высоких нагрузках.
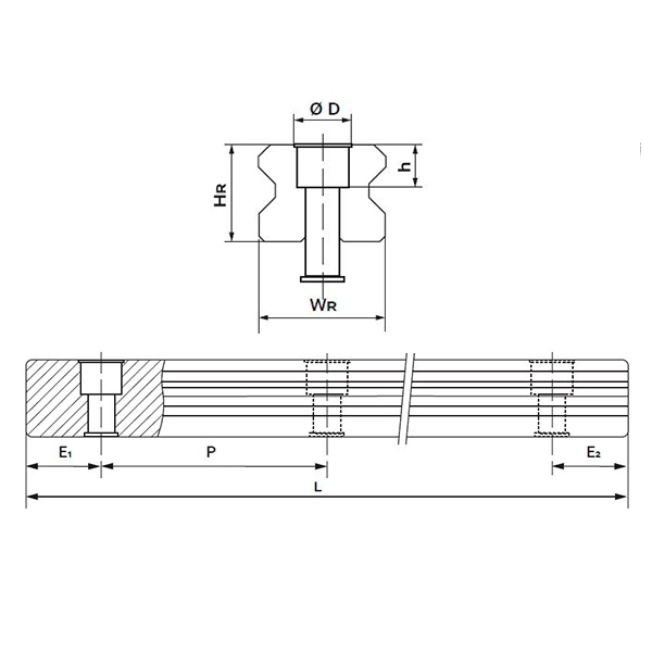
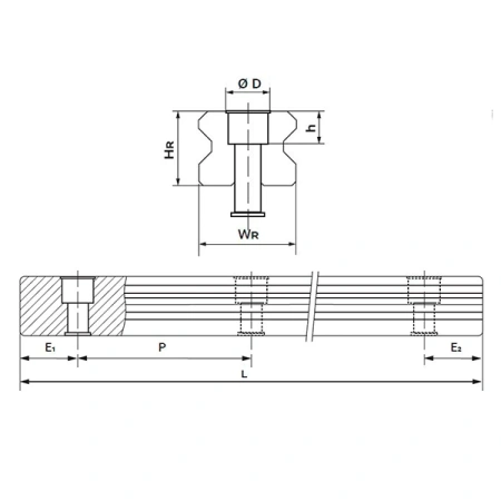
Технические характеристики
- Тип направляющей: роликовая, четырехрядная.
- Материалы: высокоуглеродистая сталь с антикоррозийным покрытием.
- Нагрузка: экстремально высокая грузоподъемность для вертикальных и горизонтальных нагрузок.
- Максимальная скорость перемещений: поддержка высокоскоростных перемещений с минимальными потерями точности.
- Рабочие условия: работа в широком диапазоне температур и эксплуатация в агрессивных промышленных условиях.
Почему стоит выбрать линейные направляющие серии RG?
Линейные направляющие серии RG обеспечивают исключительные характеристики для тяжелонагруженных промышленных систем. Их конструкция с роликами обеспечивает беспрецедентную жесткость и грузоподъемность, что делает их оптимальным выбором для оборудования, где критичны стабильность, точность и надежность в условиях экстремальных нагрузок. Универсальность моделей, высокая износостойкость и долговечность направляющих RG гарантируют стабильную работу оборудования и долгий срок эксплуатации с минимальными затратами на обслуживание.
Службы доставки в ПВЗ:
- СДЭК
- Boxberry
- Яндекс Доставка
- DPD
Службы доставки курьером:
- Собственная служба доставки
- СДЭК
- Достависта
Подробнее о доставке транспортными компаниями:
1. Доставка через СДЭК
СДЭК – это удобная и быстрая доставка по всей России. Вы можете выбрать один из вариантов:
- Доставка до пункта выдачи – ваш заказ будет доставлен в ближайший к вам офис СДЭК, где его можно забрать в удобное время.- Курьерская доставка – заказ привезут прямо к вам домой или в офис.
Сроки доставки зависят от региона и рассчитываются индивидуально при оформлении заказа.*
2. Доставка транспортной компанией «Деловые Линии»
Если вам требуется перевозка крупногабаритного или тяжелого груза, мы рекомендуем транспортную компанию «Деловые Линии».
- Доставка возможна в большинство населенных пунктов России.- Вы можете выбрать удобный терминал для самовывоза или заказать адресную доставку.
Стоимость рассчитывается индивидуально в зависимости от веса, габаритов и региона.*
О самовывозе со склада
Вы можете самостоятельно забрать заказ в Санкт-Петербурге по адресу:
📍 Люботинский проспект, 5
Преимущества самовывоза:
✔️ Возможность проверить товар перед получением.
✔️ Отсутствие затрат на доставку.
✔️ Гибкий график выдачи.
✔️ Возможность оплаты заказа банковской картой при получении заказа.
Перед приездом на склад обязательно уточните наличие товара у менеджера.
Доставка осуществляется в пределах территорий Российской Федерации и Республики Беларусь.
*обращаем Ваше внимание, что стоимость доставки рассчитывается согласно тарификациям транспортных компаний и курьерских служб.

