О товаре
Линейная направляющая RGR65RP TECHNIX — самая крупная роликовая направляющая серии RG с верхним креплением и прецизионным классом точности P. Рельс размера 65 предназначен для сверхтяжёлых осей крупногабаритного оборудования, где требуются максимальная жёсткость конструкции, высокая грузоподъёмность и прецизионная точность позиционирования при больших длинах ходов.
Расшифровка артикула
Маркировка RGR65RP фиксирует принадлежность рельса к роликовой серии, его максимальный размер, тип крепления и прецизионный класс точности. По коду легко понять, что перед вами направляющая для самых нагруженных и ответственных осей линейного перемещения.
- RG — роликовая серия линейных направляющих повышенной жёсткости и несущей способности.
- R — исполнение с верхним креплением и профилем, взаимозаменяемым с распространёнными промышленными стандартами.
- 65 — максимальный размер рельса в линейке RGR, рассчитанный на экстремальные нагрузки и большие пролёты.
- R — крепление направляющей через сквозные отверстия под винты со стороны головки.
- P — прецизионный класс точности; по геометрическим допускам выше, чем H, и применяется в особо ответственных системах позиционирования.
Конструкция и устройство
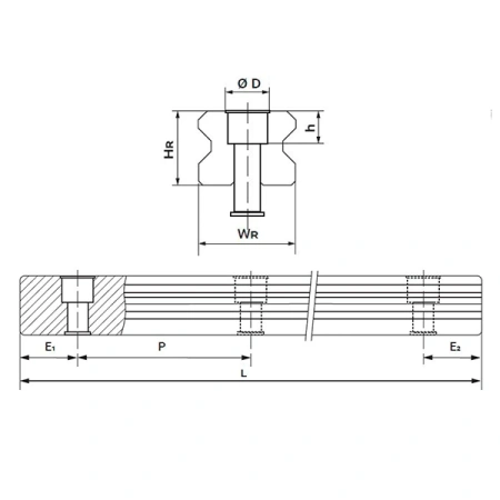
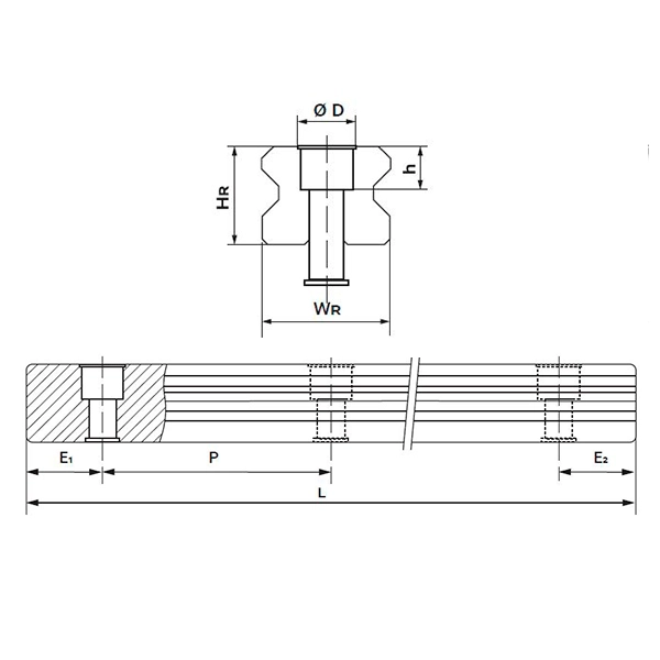
Направляющая RGR65RP представляет собой массивный стальной рельс с четырьмя прецизионно шлифованными дорожками готического профиля, по которым перекатываются ролики кареток. Увеличенная ширина и высота профиля размера 65 в сочетании с крупным крепежом обеспечивают максимальную жёсткость и устойчивость к изгибающим и крутящим моментам даже на очень длинных пролётах.
- Закалённый стальной профиль с высокоточной шлифовкой дорожек качения под роликовые тела.
- Готический профиль дорожек формирует многоточечный контакт роликов и равномерное распределение нагрузок по всем направлениям.
- Габариты рельса размера 65: ширина 63 мм, высота 53 мм — максимум по линейке RGR.
- Крупные крепёжные отверстия с потайной расточкой под головку винта: шаг отверстий P 75 мм, расстояние до первого отверстия E1/E2 35 мм, отверстие 18×26×22 мм.
- Рельс работает в комплекте с роликовыми каретками серии RG размера 65 различных исполнений по преднатягу и уплотнениям для работы в тяжёлых условиях эксплуатации.
Размерный ряд серии RGR
Серия RGR TECHNIX охватывает типоразмеры от 15 до 65, что позволяет подбирать линейные направляющие для лёгких, средних и сверхтяжёлых осей в единой конструктивной концепции. В таблице ниже модели RGR65RH и RGR65RP выделены как максимальные по габаритам рельсы серии.
Технические параметры и условия эксплуатации
В составе узла линейного перемещения направляющая RGR65RP обеспечивает максимальную в линейке RGR жёсткость опоры для роликовых кареток и минимальные деформации под нагрузкой. Прецизионный класс P предъявляет повышенные требования к базовым поверхностям и монтажу, но взамен обеспечивает высокую точность и повторяемость позиционирования даже при длительной работе в тяжёлых условиях.
- Серия: RG, роликовые направляющие для сверхнагруженных и высокоточных осей.
- Размер: 65 — максимальный типоразмер для самых нагруженных порталов, столов и линий.
- Класс точности: P, прецизионный.
- Тип крепления: верхнее, через винты в расточенные отверстия (P 75 мм, E1/E2 35 мм, отверстие 18×26×22 мм).
- Жёсткость и ресурс: крупное сечение и роликовый контакт позволяют минимизировать прогибы и обеспечить высокий ресурс при многосменной эксплуатации.
- Для стабильной работы требуется жёсткая база с выдержанными допусками по плоскостности, контролируемый момент затяжки крепежа, регулярная смазка кареток и защита рельса от стружки, пыли и агрессивных сред.
Применяемость
Линейная направляющая RGR65RP TECHNIX применяется в самых нагруженных приводах линейного перемещения, где одновременно требуются максимальная жёсткость, высокая грузоподъёмность и прецизионная точность. Такой рельс выбирают для крупногабаритных машин и комплексов с большой массой перемещаемых узлов и длительными циклами позиционирования.
- Крупные портальные металлообрабатывающие станки и обрабатывающие центры с высокой производительностью.
- Очень тяжёлые координатные и позиционирующие столы с массивной оснасткой и заготовками.
- Длинные линейные оси транспортных, монтажных и сварочных линий с экстремальными нагрузками.
- Робототехнические комплексы и манипуляторы с тяжёлыми консолями и большим вылетом, работающие в прецизионных координатных системах.
- Испытательные и вибростенды, а также другое оборудование, где требуется максимально жёсткое и точное линейное руководство.
Аналоги
По габаритам и назначению направляющая RGR65RP TECHNIX относится к классу самых тяжёлых роликовых рельсов серии RG размера 65 и имеет сопоставимые решения у других производителей. Перечень ниже служит ориентиром при подборе замены и требует проверки по каталожным данным.
Для гарантированной взаимозаменяемости рекомендуется опираться на официальные каталоги производителей и, при необходимости, выполнять пробную установку на реальном оборудовании.
Часто задаваемые вопросы
-
Чем RGR65RP отличается от RGR65RH?
Оба рельса относятся к размеру 65 и серии RG, но RGR65RP имеет прецизионный класс точности P с более жёсткими допусками по геометрии, а RGR65RH — высокий класс H; выбор зависит от требований к точности позиционирования и бюджета проекта. -
В каких случаях рационально использовать RGR65RP?
Направляющую RGR65RP выбирают, когда одновременно необходимы максимальная грузоподъёмность, жёсткость и прецизионная точность — например, в крупных координатных системах, тяжёлых порталах и испытательных комплексах с жёсткими требованиями к точности траектории. -
Какие требования к монтажу и обслуживанию направляющих RGR65RP?
Основание под рельс должно иметь высокое качество по плоскостности и прямолинейности, направляющую устанавливают на базовую грань и равномерно притягивают винтами с контролем прямолинейности. Для сохранения ресурса требуется регулярная смазка кареток, защита рельса от стружки и пыли и периодический контроль люфтов и плавности хода.
Службы доставки в ПВЗ:
- СДЭК
- Boxberry
- Яндекс Доставка
- DPD
Службы доставки курьером:
- Собственная служба доставки
- СДЭК
- Достависта
О самовывозе со склада
Вы можете самостоятельно забрать заказ в Санкт-Петербурге по адресу:
📍 Люботинский проспект, 5

