О товаре
Линейная направляющая RGR55RH TECHNIX — тяжёлая роликовая направляющая серии RG размера 55 с верхним креплением и высоким классом точности H. Рельс предназначен для особо нагруженных осей крупногабаритных станков, портальных систем и промышленного оборудования, где требуются повышенная жёсткость и ресурс при стандартных для машиностроения требованиях по точности позиционирования.
Расшифровка артикула
Обозначение RGR55RH отражает тип профиля, серию, размер рельса, вариант крепления и класс точности. По коду можно быстро оценить область применения направляющей и подобрать совместимые каретки для конкретной оси.
- RG — роликовая серия линейных направляющих с повышенной жёсткостью и несущей способностью.
- R — исполнение с верхним креплением и профилем, ориентированным на взаимозаменяемость с распространёнными промышленными стандартами.
- 55 — размер рельса; один из самых крупных типоразмеров линейки, для экстремальных нагрузок и длинных пролётов.
- R — крепление через сквозные отверстия под винты со стороны головки.
- H — высокий класс точности, оптимальный для большинства задач общего машиностроения без требований к прецизионному классу P.
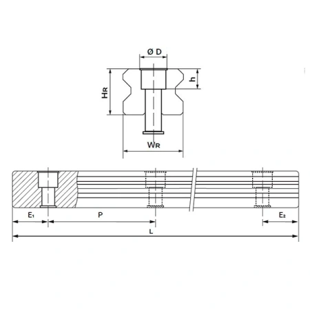
Конструкция и устройство
Направляющая RGR55RH представляет собой мощный стальной рельс с четырьмя прецизионно шлифованными дорожками готического профиля, по которым перемещаются ролики в каретках. Увеличенная ширина и высота профиля размера 55 обеспечивают высокую жёсткость и устойчивость к изгибающим и крутящим моментам при больших расстояниях между опорами.
- Закалённый стальной профиль с шлифованными дорожками качения под роликовые тела.
- Готический профиль дорожек формирует многоточечный контакт ролика и равномерное распределение нагрузок по всем направлениям.
- Габариты рельса размера 55: ориентировочно ширина около 53 мм и высота порядка 44 мм — для особо тяжёлых осей и крупногабаритных порталов.
- Крепёжные отверстия с потайной расточкой под головку винта с увеличенным шагом по длине рельса для надёжной фиксации.
- Совместимость с роликовыми каретками серии RG размера 55, включая исполнения с разным преднатягом и усиленными уплотнениями для работы в тяжёлых условиях.
Размерный ряд серии RGR
Серия RGR TECHNIX охватывает типоразмеры от 15 до 65, позволяя реализовать единый конструктивный подход для лёгких, средних и тяжёлых осей. В таблице ниже модели RGR55RH и RGR55RP выделены как тяжёлые рельсы размера 55.
Технические параметры и условия эксплуатации
В составе узла линейного перемещения RGR55RH обеспечивает жёсткую опору для роликовых кареток размера 55, сохраняя точность позиционирования при высоких нагрузках и моментах. Класс точности H обеспечивает баланс между требованиями к геометрии рельса, стоимостью и допусками на базовые поверхности.
- Серия: RG, роликовые направляющие для сверхнагруженных осей.
- Размер: 55 — для особо тяжёлых осей и крупногабаритных портальных систем.
- Класс точности: H, высокий, для большинства промышленных применений.
- Тип крепления: верхнее, через винты в расточенные отверстия; увеличенный шаг крепежа по длине рельса.
- Жёсткость и ресурс: крупное сечение и роликовый контакт обеспечивают минимальные прогибы и большой ресурс при многосменной работе.
- Рекомендуется обеспечивать жёсткую базу, выдерживать допуски по плоскостности, контролировать момент затяжки, регулярно обслуживать каретки и защищать рельс от стружки, пыли и агрессивных сред.
Применяемость
Линейная направляющая RGR55RH TECHNIX применяется в тяжёлых приводах линейного перемещения, где при очень высоких нагрузках и длинах ходов достаточно высокого, но не максимального прецизионного класса. Такой рельс подходит для крупногабаритного оборудования, работающего в реальных производственных условиях с многосменной загрузкой.
- Крупные портальные станки и обрабатывающие центры.
- Тяжёлые координатные и позиционирующие столы с массивной оснасткой.
- Длинные линейные оси транспортных и сборочных линий.
- Робототехнические комплексы и манипуляторы с тяжёлыми консолями.
- Испытательные стенды и другое оборудование, где требуется высокая жёсткость и ресурс, но достаточно класса точности H.
Аналоги
По габаритам и назначению направляющая RGR55RH TECHNIX относится к классу тяжёлых роликовых рельсов серии RG размера 55 и имеет сопоставимые решения у других производителей. Ниже приведены типовые аналоги, которые требуют проверки по каталожным данным перед фактической заменой.
Для гарантированной взаимозаменяемости рекомендуется опираться на официальные каталоги производителей и, при необходимости, выполнять пробную установку на реальном оборудовании.
Часто задаваемые вопросы
-
Чем RGR55RH отличается от RGR55RP?
Оба рельса относятся к размеру 55 и серии RG, но RGR55RH имеет высокий класс точности H, а RGR55RP — прецизионный класс P; первый рационален для большинства промышленных задач, второй — для максимально точных координатных систем. -
Можно ли заменить направляющую другого производителя на RGR55RH без доработки посадочных мест?
Геометрия рельсов серии RG размера 55 часто близка к решениям других брендов, однако перед заменой необходимо сверить ширину и высоту рельса, шаг и расположение крепёжных отверстий, а также подобрать совместимые каретки по нагрузкам и классу точности. -
Какие требования к монтажу и обслуживанию направляющих RGR55RH?
Основание под рельс должно быть обработано по плоскостности и прямолинейности, направляющую следует устанавливать на базовую грань и равномерно притягивать винтами с контролем прямолинейности. Для сохранения ресурса требуется регулярно смазывать каретки, защищать рельс от стружки и пыли и периодически проверять люфты и плавность хода.
Службы доставки в ПВЗ:
- СДЭК
- Boxberry
- Яндекс Доставка
- DPD
Службы доставки курьером:
- Собственная служба доставки
- СДЭК
- Достависта
О самовывозе со склада
Вы можете самостоятельно забрать заказ в Санкт-Петербурге по адресу:
📍 Люботинский проспект, 5

